Unersetzlich.com
Home
Kontakt
Versand
Gästebuch
AGB
Impressum
NEUGERÄTE
WOLF-Garten Sortiment
ERSATZTEILE
Ersatzteile für WOLF-Garten Geräte online bestellen
Katalog
WOLF-Garten Expert Ersatzteile
SERVICE
Recherche
Mein Konto
Einloggen
Registrieren
Computer
WOLF-Garten Expert
Übersicht
WOLF-Garten Expert
Schneefräsen
Expert 84110
31AY95SV650 (2016)
Fahrantrieb, Fräsantrieb
Fahrantrieb, Fräsantrieb 31AY95SV650 (2016)
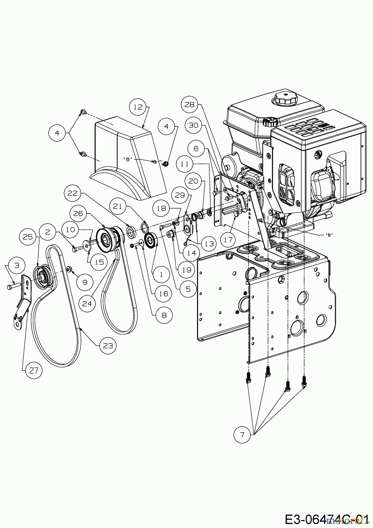
BildNr
Artikel Nummer
Bezeichnung
1
684-04169
SPANNROLLE VOLLST:1.917 OD
2
710-0191
6KT-SCHR.3/8-24:1.25:GR8:SPEC
3
710-0347
6KT-SCHR:3/8-16:1.75:GR5:STD
4
710-0607
6KT-SCHR:TT:5/16-18:0.500:HXIN
5
710-0624
SKT-SCHR.5/16-24X1.50"
6
710-0627
6KT-SCHR:5/16-24:.750 GR5:LOCK
7
710-0654A
6KT-SCHR.:TTSEMS:3/8-16:1.000
8
710-0809
6KT-SCHRAUBE:TT:1/4-20:1.250
9
712-04065
S-6KT-BUNDMUTTER 3/8-16:NYLON
10
714-0105
PASSFEDER 3/16X3/16X1"
11
726-04012
KLEMMRING:.25 DIA PUSH-ON
12
731-2531
KEILRIEMENABDECKUNG
13
732-04308C
DREHFEDER
14
736-0119
FEDERRING:5/16" NORMALAUSF.
15
736-3082A
SCHEIBE .450X1.5X.172
16
736-3092
SCHEIBE:FLACH:.265x1.0x.030:HD
17
738-04439
SCHULTERSCHR:.500 x .145
18
748-04112B
BUNDBUCHSE:.3175ID x.500 x.097
19
750-04571
BUNDBUCHSE:.260 x .785 x .538
20
750-04821
BUNDBUCHSE:.340 ID x 1.00
21
750-05316
DISTANZSCHEIBE
22
750-05318
DISTANZHÜLSE
23
754-04194A
KEILRIEMEN
24
754-04202
KEILRIEMEN
25
756-04224
RIEMENSCHEIBE:IDLER 2.75 OD
26
756-04351
DOPPEL-KEILRIEMENSCHEIBE
27
784-0385D
SPANNARM
28
790-00167A
RIEMENFÜHRUNG
29
790-00208C
HALTER:SPANNROLLE
30
790-00254A
RIEMENSCHUTZ
Qualitätsmanagement
Informieren Sie uns, wenn Sie einen Fehler gefunden haben.