Unersetzlich.com
Home
Kontakt
Versand
Gästebuch
AGB
Impressum
NEUGERÄTE
WOLF-Garten Sortiment
ERSATZTEILE
Ersatzteile für WOLF-Garten Geräte online bestellen
Katalog
WOLF-Garten Expert Ersatzteile
SERVICE
Recherche
Mein Konto
Einloggen
Registrieren
Computer
WOLF-Garten Expert
Übersicht
WOLF-Garten Expert
Schneefräsen
Expert 76130 HDT
31AY77SZ650 (2016)
Fahrantrieb, Fräsantrieb
Fahrantrieb, Fräsantrieb 31AY77SZ650 (2016)
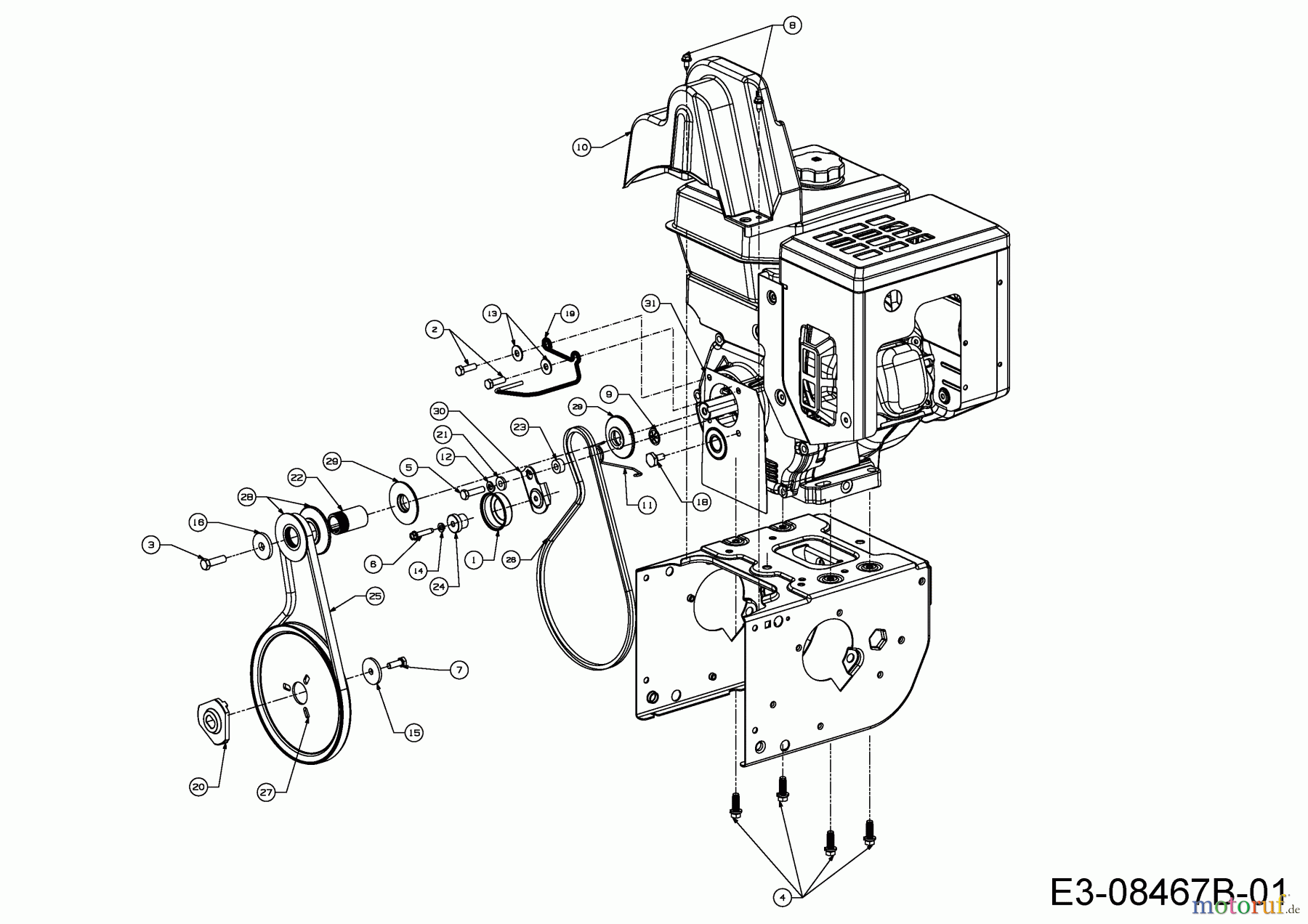
BildNr
Artikel Nummer
Bezeichnung
1
684-04169
SPANNROLLE VOLLST:1.917 OD
2
710-0117A
6KT-S-SCHR:5/16-24:1.00:GR5
3
710-0191
6KT-SCHR.3/8-24:1.25:GR8:SPEC
4
710-0654A
6KT-SCHR.:TTSEMS:3/8-16:1.000
5
710-0672
6KT-SCHR:5/16-24:1.25:GR5:STD
6
710-0809
6KT-SCHRAUBE:TT:1/4-20:1.250
7
710-1245B
6KT-SCHR:5/16-24x.875:GR8:LOCK
8
710-1652
6KT-SCHRAUBE:TT:1/4-20:.625
9
726-04012
KLEMMRING:.25 DIA PUSH-ON
10
731-06401
KEILRIEMENABDECKUNG
11
732-04308A
DREHFEDER
12
736-0119
FEDERRING:5/16" NORMALAUSF.
13
736-0159
SCHEIBE:FL:.349IDx.879ODx.063
14
736-0329
FEDERRING 1/4" NORMALAUSF.
15
736-0505
SCHEIBE:FL:.34 x 1.50 x.150:HT
16
736-3082A
SCHEIBE .450X1.5X.172
18
738-04439
SCHULTERSCHR:.500 x .145
19
747-06336
KEILRIEMENFÜHRUNG
20
748-04053A
MITNEHMERSCHEIBE
21
748-04112B
BUNDBUCHSE:.3175ID x.500 x.097
22
750-04303
DISTANZHÜLSE:.875ID x 1.185 OD
23
750-04477A
DISTANZSTÜCK:.340 x.750x.330LG
24
750-04571
BUNDBUCHSE:.260 x .785 x .538
25
754-04195A
KEILRIEMEN .500 x 37.00 LG
26
754-05019
KEILRIEMEN 3L X 36.64 LG
27
756-04109
KEILRIEMENSCHEIBE:8.1x.50:BELT
28
756-04113
KEILRIEMENSCHEIBENHÄLFTE:
29
756-04114
KEILRIEMENS.-HÄLFTE 3/8Vx2.2OD
30
790-00208D
HALTER:SPANNROLLE
31
790-00332
Qualitätsmanagement
Informieren Sie uns, wenn Sie einen Fehler gefunden haben.