Unersetzlich.com
Home
Kontakt
Versand
Gästebuch
AGB
Impressum
NEUGERÄTE
WOLF-Garten Sortiment
ERSATZTEILE
Ersatzteile für WOLF-Garten Geräte online bestellen
Katalog
WOLF-Garten Expert Ersatzteile
SERVICE
Recherche
Mein Konto
Einloggen
Registrieren
Computer
WOLF-Garten Expert
Übersicht
WOLF-Garten Expert
Schneefräsen
Expert 76130 HDT
31AY77SZ650 (2016)
Armaturenbrett, Schalthebel
Armaturenbrett, Schalthebel 31AY77SZ650 (2016)
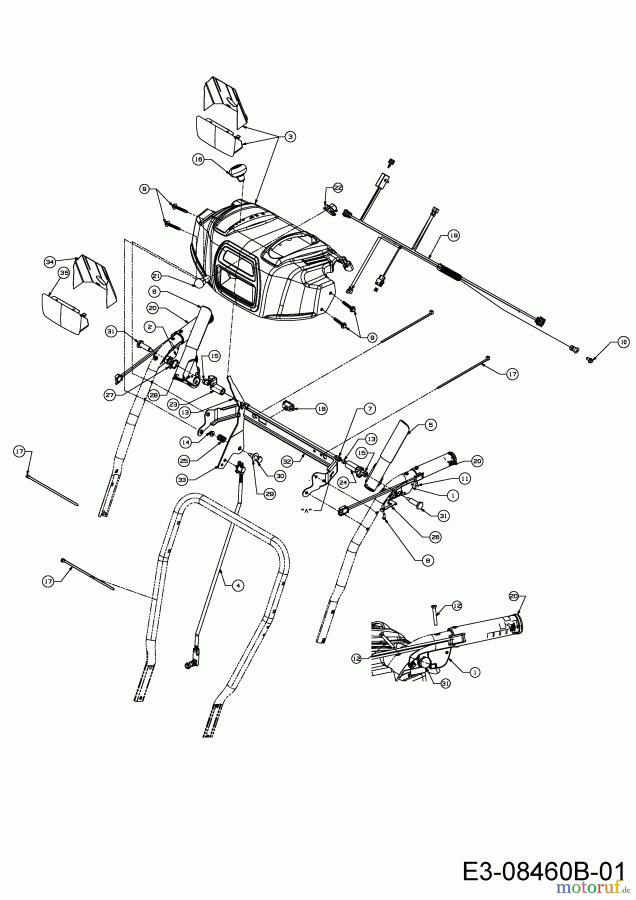
BildNr
Artikel Nummer
Bezeichnung
1
631-04133A
GEHÄUSE VOLLSTÄNDIG
2
631-04134B
EINRASTER KUPPLUNGSHEBEL RH
3
631-04187A
ARMATURENBRETT SCHWARZ
4
647-05032
SCHALTSTANGE
5
684-04105B
KUPPLUNGSHEBEL VOLLST.: LINKS
6
684-04106C
KUPPLUNGSHEBEL VOLLST.: RECHTS
7
684-04250
STANGE VOLLSTÄNDIG
8
710-04326
6KT-SCHR:PLASTITE:#8-16 x.50
9
710-04586
6KT-SCH:TT:1/4-20:1.625:HXINDW
10
710-0599
6KT-SCHRAUBE:TT:1/4-20:0.500
11
710-0837
SENKSCHR:#10-16:0.625:OVALCSK
12
710-1233
SCHRAUBE:#10-24:1.375:OVALCSK
13
710-3069
INNEN-6KT-SCHR. 1/4-20 x.50
14
712-04064
6KT-BUNDMUTTER:1/4-20:NYLON
15
712-04081A
6K-BUNDMUTTER:1/4-20
16
720-04039
KNAUF: SCHALTHEBEL
17
725-0157
KABELBINDER: 3/16 X .05 X 7.4
18
725-04393
SCHALTER
19
725-05148
ETEKTRISCHE LEITUNG
20
725-06107
HANDGRIFF BEHEIZBAR
21
725-1629
GLÜHBIRNE: # 1141
22
725-1649
LAMPEN-FASSUNG: 1/4 DREHUNG
23
731-04894D
SPERRKLINKE
24
731-04896B
SCHALTNOCKEN: ARRET. KUPPLUNG
25
732-0193
DRUCKFEDER: .39 x .60 x .88 LG
26
732-04219C
FEDER:ARRETIERUNG:KUPPLUNG
27
732-04238B
DREHFEDER:0.8156 ID x .3038
28
735-0199A
GUMMISTOPFEN:.62 OD x .22 THK
29
736-0267
SCHEIBE:FL:.385 x.87 x.06:HT
30
738-04125
SCHULTERSCHR:.374 DIA.x 1.05LG
31
738-04348
SCHULTERSCHR:.437x1.345:1/4-20
32
790-00248C
HALTER: ARMATURENBRETT
33
790-00311C
34
777X41804
REFLEKTORFOLIE SCHEINWERFER
35
731-05324
LICHTBLENDE ARMATURENBRETT
Qualitätsmanagement
Informieren Sie uns, wenn Sie einen Fehler gefunden haben.