Unersetzlich.com
Gartengeräte und Ersatzteile
Einkaufswagen
leer
Mein Konto
Einloggen
Registrieren
Home
Kontakt
Versand
Gästebuch
AGB
Impressum
NEUGERÄTE
WOLF-Garten Sortiment
ERSATZTEILE
Ersatzteile für WOLF-Garten Geräte online bestellen
Katalog
WOLF-Garten Expert Ersatzteile
SERVICE
Recherche
Mobilversion
WOLF-Garten Expert
Übersicht
WOLF-Garten Expert
Schneefräsen
Expert 5370
31AR2T6D650 (2016)
Keilriemen, Motor, Tank
Keilriemen, Motor, Tank 31AR2T6D650 (2016)
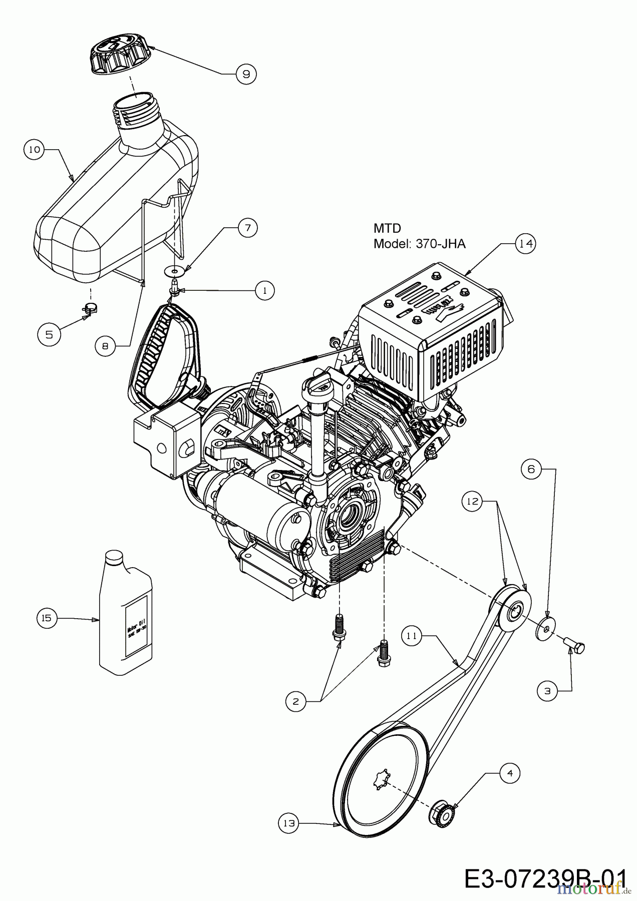
BildNr
Artikel Nummer
Bezeichnung
1
710-04065
6KT-SCHRAUBE:FLG:1/4-10:0.625
2
710-0654A
6KT-SCHR.:TTSEMS:3/8-16:1.000
3
710-1245B
6KT-SCHR:5/16-24x.875:GR8:LOCK
4
712-0702
MUTTER
5
726-0205
SCHLAUCHKLEMME: .490 DIA
6
736-0343
SCHEIBE:FLACH:.330 x1.250x.120
7
736-3092
SCHEIBE:FLACH:.265x1.0x.030:HD
8
747-05513
TANKHALTER
9
751-10487A
TANKDECKEL
10
751-14001
KRAFTSTOFFTANK
11
754-04050A
KEILRIEMEN:.500 x 35.06 LG
12
756-0416B
KEILRIEMENSCHEIBE-HÄLFTE
13
756-04443
KEILRIEMENSCHEIBE EINZUGSSCHN.
14
752Z370-JHA
MOTOR KPL. 370-JHA
15
737-0165
MOTORÖL:SAE 5W30 FLUID OZ