Unersetzlich.com
Home
Kontakt
Versand
Gästebuch
AGB
Impressum
NEUGERÄTE
WOLF-Garten Sortiment
ERSATZTEILE
Ersatzteile für WOLF-Garten Geräte online bestellen
Katalog
WOLF-Garten Expert Ersatzteile
SERVICE
Recherche
Mein Konto
Einloggen
Registrieren
Computer
WOLF-Garten Expert
Übersicht
WOLF-Garten Expert
Schneefräsen
Expert 5370
31AR2T6D650 (2016)
Fräsgehäuse, Schnecke, Unterholm
Fräsgehäuse, Schnecke, Unterholm 31AR2T6D650 (2016)
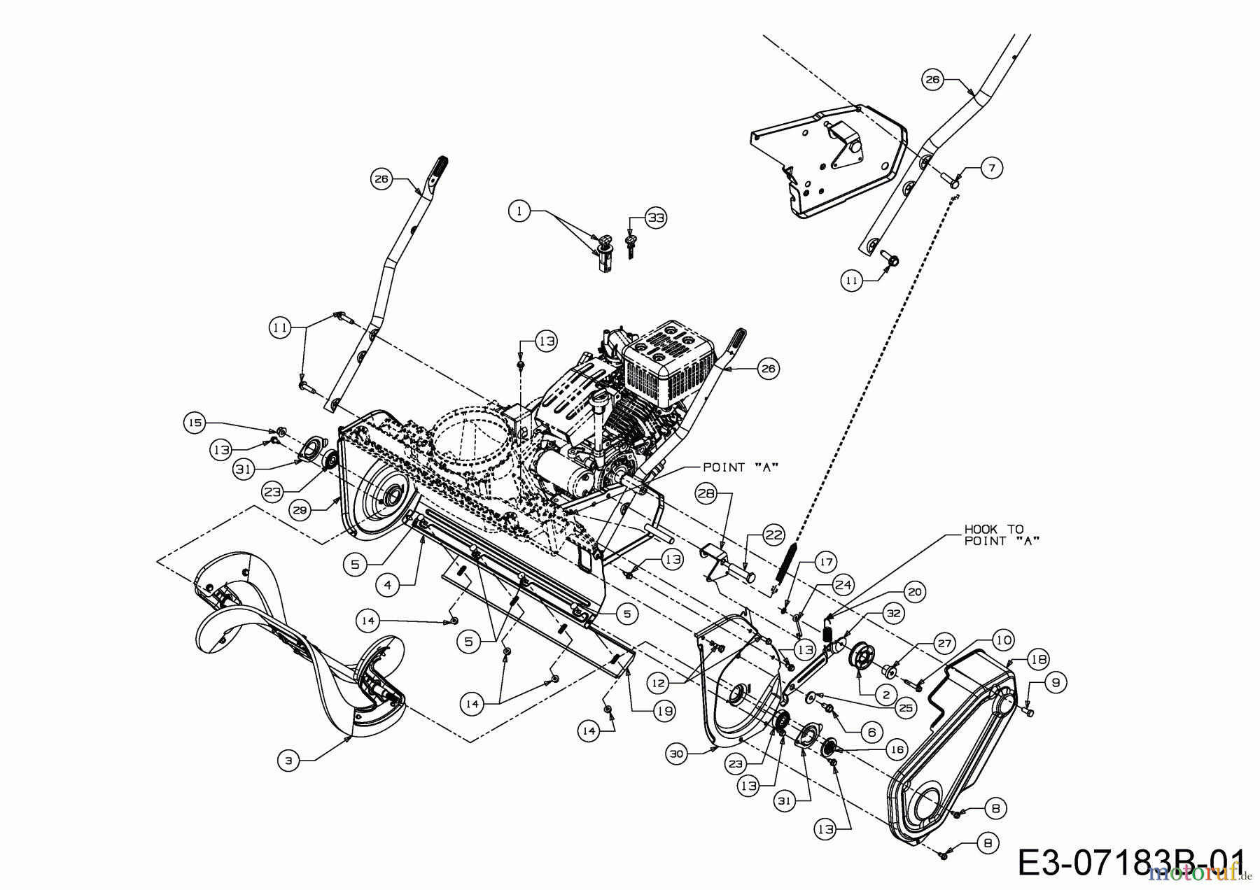
BildNr
Artikel Nummer
Bezeichnung
1
625-04031B
ZÜNDSCHLOSS MIT SCHLÜSSEL
2
684-04168
SPANNROLLE
3
684-04393
EINZUGSSCHNECKE KPL. 21"
4
684-04398
5
710-0134
FLRD-SCHRAUBE:1/4-20:.62:GR2
6
710-04484
6KT-SCHRAUBE:TT:5/16-18:.750
7
710-05183
6-KANT SCHRAUBE 5/16-24X1.25
8
710-0599
6KT-SCHRAUBE:TT:1/4-20:0.500
9
710-0627
6KT-SCHR:5/16-24:.750 GR5:LOCK
10
710-0778
6KT-SCHRAUBE:TT:1/4-20:1.500
11
710-0817
6KT-SCHR.:TT:5/16-18:1.250:HXI
12
710-0895
6KT-SCHRAUBE:HL:1/4-15:0.750
13
710-1652
6KT-SCHRAUBE:TT:1/4-20:.625
14
712-04064
6KT-BUNDMUTTER:1/4-20:NYLON
15
712-04065
S-6KT-BUNDMUTTER 3/8-16:NYLON
16
718-04836
SCHEIBE KERBVERZAHNT
17
726-0233
DRUCKSCHEIBE:.25 ID X .50 OD
18
731-07737A
KEILRIEMENABDECKUNG
19
731-08171
SCHÜRFLEISTE
20
732-04748
ZUGFEDER
22
738-04456
ANSATZBOLZEN
23
741-04517
KUGELLAGER
24
747-05360A
KABELFÜHRUNG
25
748-0234
FLANSCHLAGERBUCHSE:.315DLX1
26
749-04810
UNTERHOLM
27
750-04571
BUNDBUCHSE:.260 x .785 x .538
28
790-00426
HALTER
29
790-00444
30
790-00445
31
790-00457
LAGERGEHÄUSE
32
790-00461
SPANNARM
33
731-05632
Zündschlüssel
Qualitätsmanagement
Informieren Sie uns, wenn Sie einen Fehler gefunden haben.