Unersetzlich.com
Gartengeräte und Ersatzteile
Einkaufswagen
leer
Mein Konto
Einloggen
Registrieren
Home
Kontakt
Versand
Gästebuch
AGB
Impressum
NEUGERÄTE
WOLF-Garten Sortiment
ERSATZTEILE
Ersatzteile für WOLF-Garten Geräte online bestellen
Katalog
WOLF-Garten Expert Ersatzteile
SERVICE
Recherche
Mobilversion
WOLF-Garten Expert
Übersicht
WOLF-Garten Expert
Rasentraktoren
Alpha 95.180 H
13ATA1VB650 (2017)
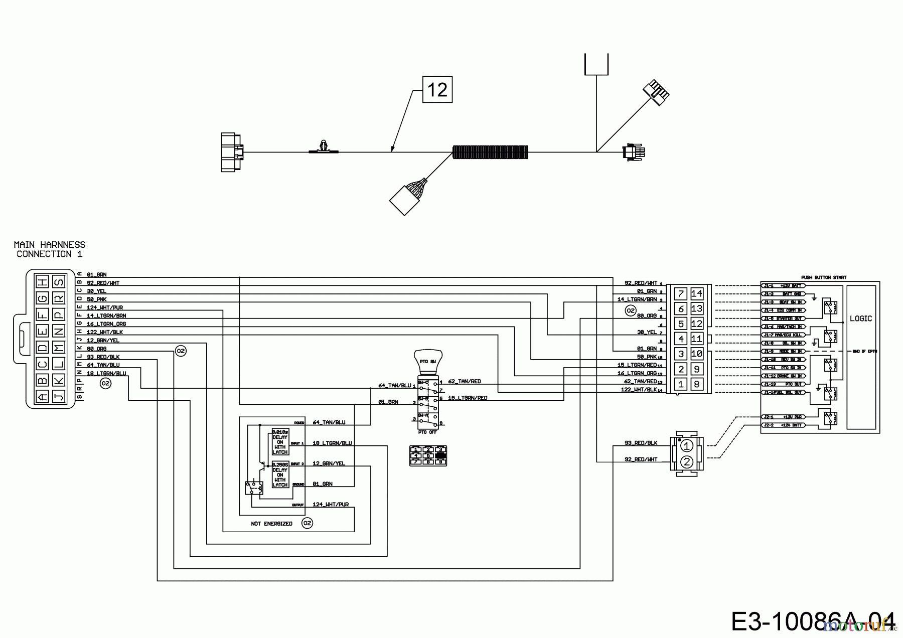
Schaltplan Armaturenbrett
Schaltplan Armaturenbrett 13ATA1VB650 (2017)
BildNr
Artikel Nummer
Bezeichnung
12
725-06994
KABELBAUM:NX15RD:EPTO:PBS:DLR: