WOLF-Garten Expert
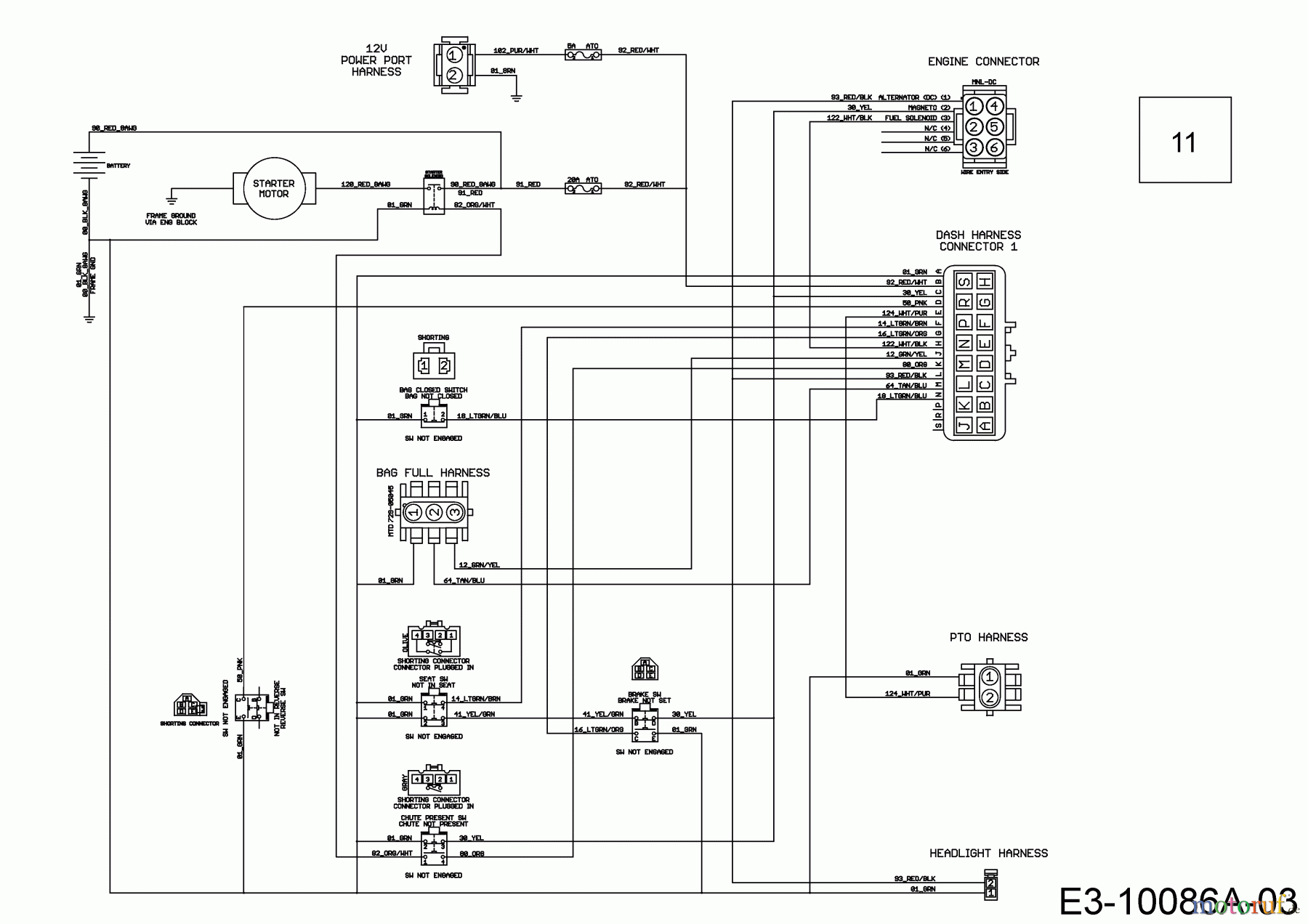
Hauptschaltplan 13ATA1VB650 (2017)

| BildNr | Artikel Nummer | Bezeichnung | |
| 11 | 725-06983B | HAUPTKABELBAUM:NX15RD:EPTO:PBS | |


Qualitätsmanagement
Informieren Sie uns, wenn Sie einen Fehler gefunden haben.
| BildNr | Artikel Nummer | Bezeichnung | |
| 11 | 725-06983B | HAUPTKABELBAUM:NX15RD:EPTO:PBS | |

