Unersetzlich.com
Home
Kontakt
Versand
Gästebuch
AGB
Impressum
NEUGERÄTE
WOLF-Garten Sortiment
ERSATZTEILE
Ersatzteile für WOLF-Garten Geräte online bestellen
Katalog
WOLF-Garten Expert Ersatzteile
SERVICE
Recherche
Mein Konto
Einloggen
Registrieren
Computer
WOLF-Garten Expert
Übersicht
WOLF-Garten Expert
Rasentraktoren
Alpha 95.180 H
13ATA1VB650 (2017)
Motorzubehör
Motorzubehör 13ATA1VB650 (2017)
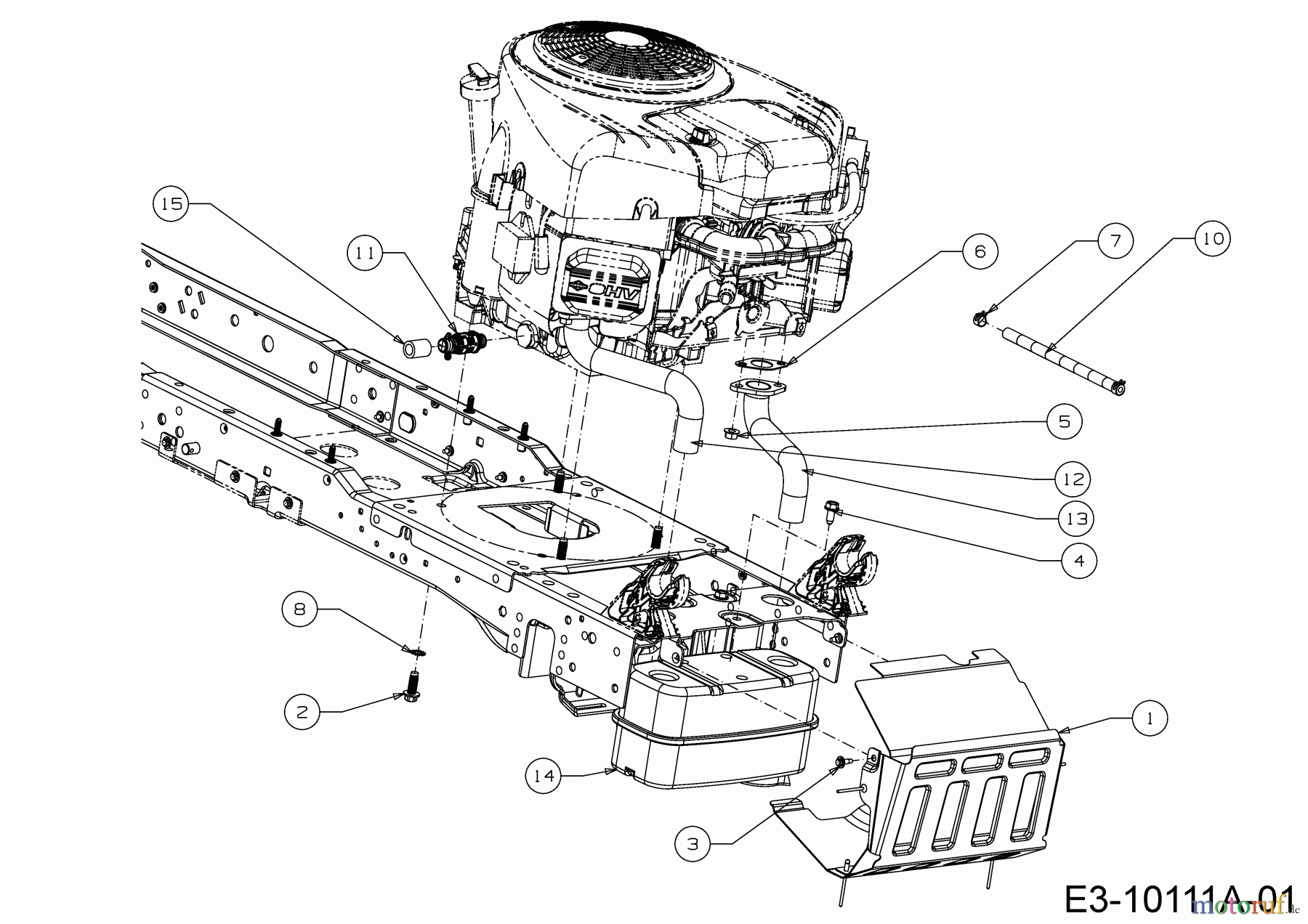
BildNr
Artikel Nummer
Bezeichnung
1
683-05142A
HITZESCHILD VST:SCHALLDÄMPFER
2
710-04683C
6KT-SCHRAUBE:TT:3/8-16:1.000
3
710-06133
6KT-SCHR:CF:M6-1 x.625" NX-15
4
710-06256
6KT-SCHRAUBE:TT:M8-1.25 x.750
5
712-3086
6KT-MUTTER/FLANSCH: M8-1.25
6
721-0460
AUSPUFFDICHTUNG INTEK TWIN
7
726-0205
SCHLAUCHKLEMME: .490 DIA
8
736-0148
ZAHNSCHEIBE:3/8
10
751-10349
KRAFTSTOFFSCHLAUCH:DURCHGANG
11
751-10517A
ÖLABLASSSTUTZEN MIT KAPPE
12
751-14475
ABGASROHR:RECHTS:B&S TWIN
13
751-14476
ABGASROHR:LINKS:B&S TWIN
14
751-14503A
SCHALLDÄMPFER:TWIN:MIT
15
751-3141
PVC-SCHLAUCH:GLASKLAR:ÖLABLASS
Qualitätsmanagement
Informieren Sie uns, wenn Sie einen Fehler gefunden haben.