Einkaufswagen
Mein Konto

WOLF-Garten Expert

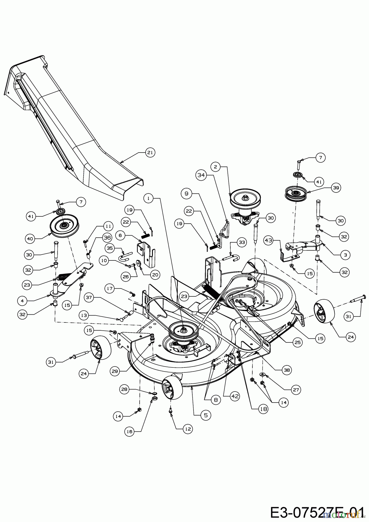
Mähwerk N (41"/105cm) 13HJ99WN650 (2016)

 WOLF-Garten Expert Rasentraktoren Expert 105.185 H 13HJ99WN650  (2016) Mähwerk N (41
BildNrArtikel NummerBezeichnung
1 618-04657A
2 WOLF-Garten Expert 618-0609D
3 683-04058ESPANNROLLENTRÄGER VST:500 DECK
4 683-04061SPANNROLLENTRÄGER-RE. E/N-DECK
5 683-04729CDECK VST:RR DIS:105cm:4WHL:500
6 683-04797
7 WOLF-Garten Expert 6KT-SCHR:3/8-16:1.75:GR5:STD710-03476KT-SCHR:3/8-16:1.75:GR5:STD
8 WOLF-Garten Expert SCHR:M6-1:20.00 LG DIN6921-8.8710-04189SCHR:M6-1:20.00 LG DIN6921-8.8
9 WOLF-Garten Expert 6KT-SCHRAUBE:TT:5/16-18:.750710-044846KT-SCHRAUBE:TT:5/16-18:.750
10 WOLF-Garten Expert 6KT-SCHR:5/16-18:1.25:GR5:STD710-05286KT-SCHR:5/16-18:1.25:GR5:STD
11 WOLF-Garten Expert 6KT-SCHRAUBE:TT:1/4-20:1.500710-07786KT-SCHRAUBE:TT:1/4-20:1.500
12 WOLF-Garten Expert 6KT-SCHR:TT:5/16-18:.750710-1260A6KT-SCHR:TT:5/16-18:.750
13 WOLF-Garten Expert FL-RUNDSCHR:M8X50 DIN 603-4.6710-1719FL-RUNDSCHR:M8X50 DIN 603-4.6
14 WOLF-Garten Expert 6KT-S-MUTTER:7/16-14:GRA:CTRLK712-02906KT-S-MUTTER:7/16-14:GRA:CTRLK
15 WOLF-Garten Expert S-6KT-BUNDMUTTER 3/8-16:NYLON712-04065S-6KT-BUNDMUTTER 3/8-16:NYLON
16 WOLF-Garten Expert 6KT-MUTTER:FL:M16-1.5 DIN 936712-06416KT-MUTTER:FL:M16-1.5 DIN 936
17 712-0692S-6KT-MUTTER: M8 DIN 985-8
18 WOLF-Garten Expert S-6KT-MUTTER:FLG:M6-1:DIN 6926712-0713S-6KT-MUTTER:FLG:M6-1:DIN 6926
19 WOLF-Garten Expert SPLINT:1/8 x 1.0"714-0115SPLINT:1/8 x 1.0"
20 WOLF-Garten Expert ZAHNRAD:Z10:DECKEINSTELLUNG717-04074ZAHNRAD:Z10:DECKEINSTELLUNG
21 731-07901AUSWURFKANAL:500 RR DIS
22 WOLF-Garten Expert DRUCKFEDER: .531 OD x 1.75 LG732-0306ADRUCKFEDER: .531 OD x 1.75 LG
23 WOLF-Garten Expert ZUGFEDER:1.25 DIA x 8.224" LG732-04099ZUGFEDER:1.25 DIA x 8.224" LG
24 WOLF-Garten Expert DECKRAD:5.0 DIA:BALLFÖRMIG734-04155DECKRAD:5.0 DIA:BALLFÖRMIG
25 WOLF-Garten Expert GUMMIDÄMPFER: .62 DIA x .3735-0271AGUMMIDÄMPFER: .62 DIA x .3
26 WOLF-Garten Expert FEDERRING:5/16" NORMALAUSF.736-0119FEDERRING:5/16" NORMALAUSF.
27 WOLF-Garten Expert SCHEIBE:FLACH:11.65x28.75x3 mm736-04097ASCHEIBE:FLACH:11.65x28.75x3 mm
28 WOLF-Garten Expert SCHNORR-SCHEIBE:17x23.8x1.95736-0760SCHNORR-SCHEIBE:17x23.8x1.95
29 WOLF-Garten Expert WASCHDÜSE:DECK:737-04003DWASCHDÜSE:DECK:
30 WOLF-Garten Expert SCHULTERSCHR:.625x3.50:7/16-14738-0476SCHULTERSCHR:.625x3.50:7/16-14
31 WOLF-Garten Expert SCHULTERSCHR:.496x2.50:3/8-16738-3056SCHULTERSCHR:.496x2.50:3/8-16
32 WOLF-Garten Expert FLANSCHLAGER.630IDx.693ODx.875741-0591FLANSCHLAGER.630IDx.693ODx.875
33 747-04116AABSTECKBÜGEL:DECKFREIGABE:.375
34 747-04840ASTANGE:KEILRIEMENFÜHRUNG
35 WOLF-Garten Expert ABSTECKBÜGEL:DECKFREIGABE:.375747-1116ABSTECKBÜGEL:DECKFREIGABE:.375
36 750-04182DISTANZSTÜCK:Ò14mm OD x Ò7mmID
37 750-04195DISTANZBUCHSE Ò16 x Ò8 x 27LG
38 WOLF-Garten Expert KEILRIEMEN:V TYP:HB x 105" LG754-04069KEILRIEMEN:V TYP:HB x 105" LG
39 WOLF-Garten Expert KEILRIEMENSCHEIBE:Ò 4,0" DIA756-04049KEILRIEMENSCHEIBE:Ò 4,0" DIA
40 WOLF-Garten Expert KEILRIEMENSCHEIBE:Ò 6.0" DIA756-04050KEILRIEMENSCHEIBE:Ò 6.0" DIA
41 WOLF-Garten Expert ABDECKBLECH:RND:SPANNROLLE:HD783-08389ABDECKBLECH:RND:SPANNROLLE:HD
42 783-09049
43 783-09148KEILRIEMENFÜHRUNG:N DECK:500
Bankeinzug, MasterCard, Visa, American Express, PayPal, Nachnahme, Vorauskasse, Sofortüberweisung