Unersetzlich.com
Home
Kontakt
Versand
Gästebuch
AGB
Impressum
NEUGERÄTE
WOLF-Garten Sortiment
ERSATZTEILE
Ersatzteile für WOLF-Garten Geräte online bestellen
Katalog
WOLF-Garten Expert Ersatzteile
SERVICE
Recherche
Mein Konto
Einloggen
Registrieren
Computer
WOLF-Garten Expert
Übersicht
WOLF-Garten Expert
Rasentraktoren
Expert 92.180 H
13IT91WE650 (2016)
Motorzubehör
Motorzubehör 13IT91WE650 (2016)
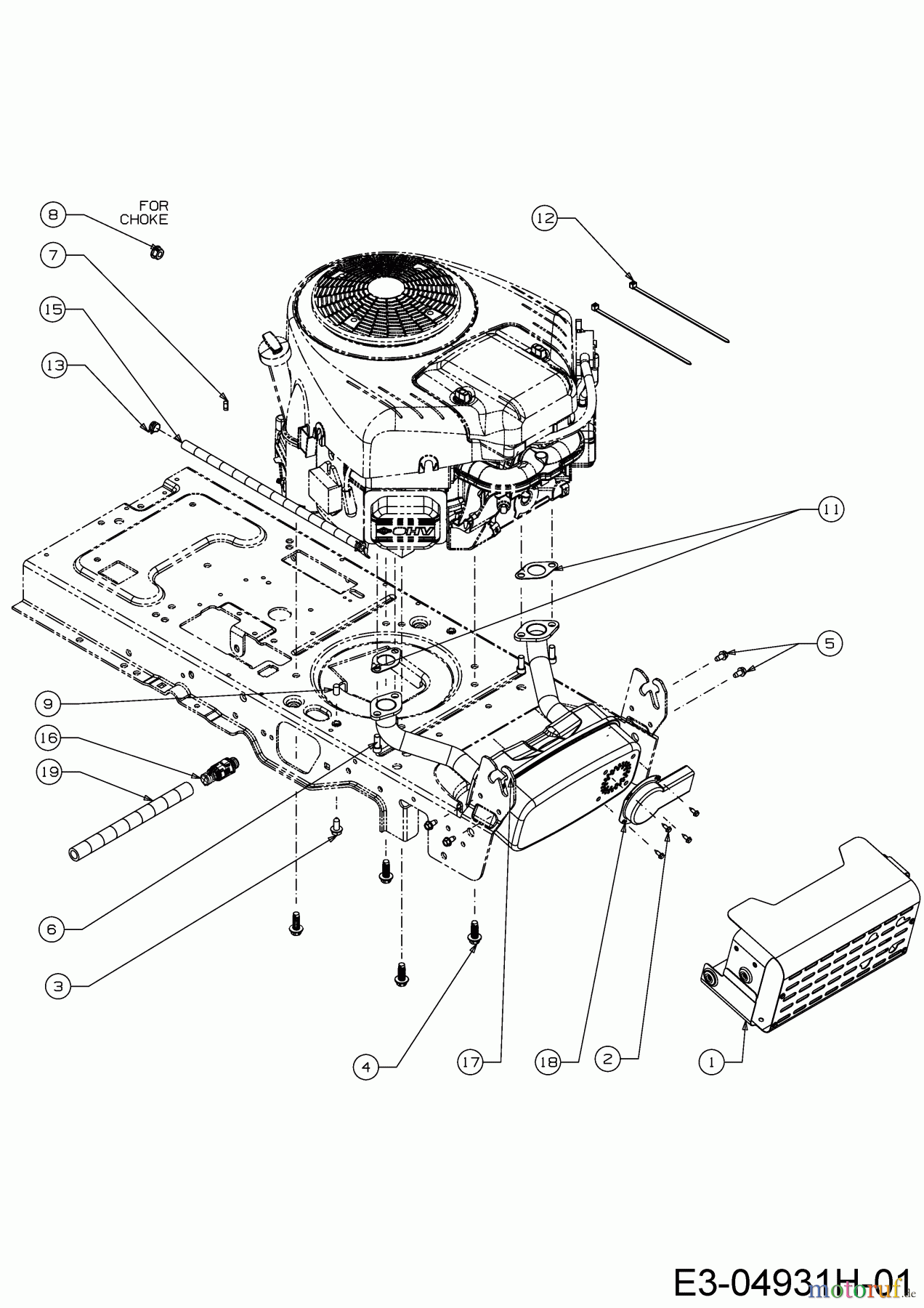
BildNr
Artikel Nummer
Bezeichnung
1
683-04549C
2
710-0227
6KT-BLECHSCHR:AB:#8-18:0.500
3
710-04484
6KT-SCHRAUBE:TT:5/16-18:.750
4
710-04683C
6KT-SCHRAUBE:TT:3/8-16:1.000
5
710-0599
6KT-SCHRAUBE:TT:1/4-20:0.500
6
710-1314A
INNEN-6KT-SCHR:5/16-18:.75:GR8
7
712-0271
6KT-MUTTER 1/4-20"+ZAHNSCHEIBE
8
712-3005
S-MUTTER M.FLANSCH:3/8-16:GR5
9
720-04199
ABSCHLUSSKAPPE:.280 x .500
11
721-0460
AUSPUFFDICHTUNG INTEK TWIN
12
725-0157
KABELBINDER: 3/16 X .05 X 7.4
13
726-0205
SCHLAUCHKLEMME: .490 DIA
15
751-0535
KRAFTSTOFFSCHLAUCH:SCHWARZ
16
751-10517A
ÖLABLASSSTUTZEN MIT KAPPE
17
751-10542A
ZWEIROHR-AUSPUFF:B&S TWN INTEK
18
751-11053A
DEFLEKTOR:AUSPUFF
19
751-3141
PVC-SCHLAUCH:GLASKLAR:ÖLABLASS
Qualitätsmanagement
Informieren Sie uns, wenn Sie einen Fehler gefunden haben.