WOLF-Garten Expert
Messer 13HN99WN650 (2016)

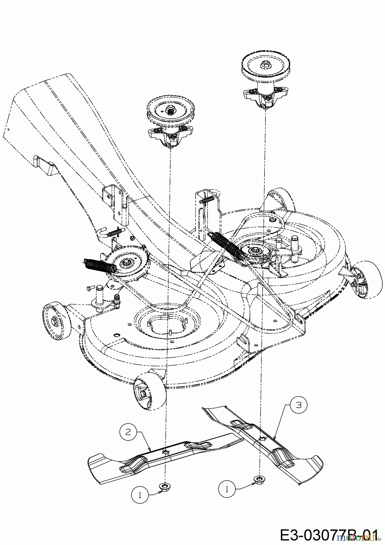
| BildNr | Artikel Nummer | Bezeichnung | |
| 1 | ![]() | 712-05134 | 6KT-BUNDMUTTER:5/8-18 |
| 2 | ![]() | 742-0670A | MESSER RE. 21.240 LG:HIGH LIFT |
| 3 | ![]() | 742-0671A | MESSER LI. 21.240 LG:HIGH LIFT |


Qualitätsmanagement
Informieren Sie uns, wenn Sie einen Fehler gefunden haben.


