WOLF-Garten Expert
Elektroteile, Schaltplan 13HD93WG650 (2016)

| BildNr | Artikel Nummer | Bezeichnung | |
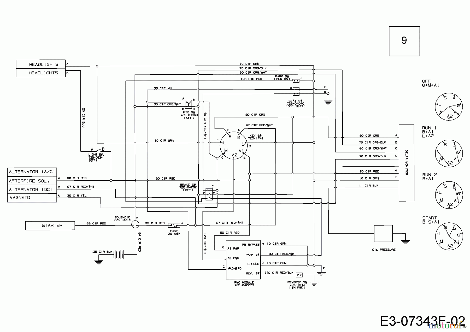
| 9 | 725-05369 | KABELBAUM:NX9:MPTO:RMC:HRMTR: | |


Qualitätsmanagement
Informieren Sie uns, wenn Sie einen Fehler gefunden haben.
| BildNr | Artikel Nummer | Bezeichnung | |
| 9 | 725-05369 | KABELBAUM:NX9:MPTO:RMC:HRMTR: | |

