WOLF-Garten Expert

Mähwerk G (42"/107cm) 13HD93WG650 (2016)

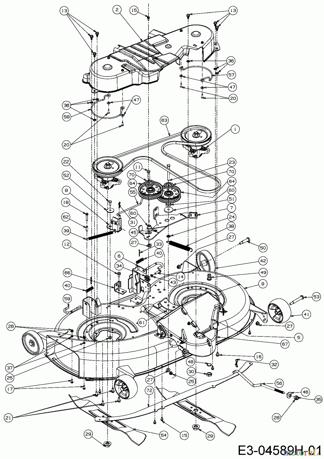
 WOLF-Garten Expert Rasentraktoren Expert 107.175 H 13HD93WG650  (2016) Mähwerk G (42
BildNrArtikel NummerBezeichnung
1 WOLF-Garten Expert MESSERSPINDEL:RIEMENSCH:Ò 6.3"618-04456BMESSERSPINDEL:RIEMENSCH:Ò 6.3"
2 631-04313AABDECKUNG VOLLST:DECK 42"
3 631-04342ABDECKUNG VOLLST:LINKS
4 631-04343ABDECKUNG VOLLST:RECHTS
5 647-04163STANGE VST:HALTER:42"DECK:
6 683-0254BHALTER VOLLST:DECKAUFHÄNGUNG
7 WOLF-Garten Expert 683-04138C
8 WOLF-Garten Expert BRAKE ASM: DECK: LT5683-04167BRAKE ASM: DECK: LT5
9 683-04497DECK VOLLST:SD:42"
10 710-01066KT-SCHR:1/4-20:1.25:GR5:SPEC
11 WOLF-Garten Expert 6KT-SCHR:3/8-16:1.75:GR5:STD710-03476KT-SCHR:3/8-16:1.75:GR5:STD
12 WOLF-Garten Expert 6KT-SCHRAUBE:TT:5/16-18:.750710-044846KT-SCHRAUBE:TT:5/16-18:.750
13 710-05045A6KT-SCHRAUBE:TT:5/16-18:.750
14 WOLF-Garten Expert 6KT-SCHR:5/16-18:1.25:GR5:STD710-05286KT-SCHR:5/16-18:1.25:GR5:STD
15 WOLF-Garten Expert 6KT-SCHRAUBE:TT:1/4-20:0.500710-05996KT-SCHRAUBE:TT:1/4-20:0.500
16 WOLF-Garten Expert 6KT-SCHRAUBE:TT:5/16-18:0.625710-0604A6KT-SCHRAUBE:TT:5/16-18:0.625
17 710-07516KT-SCHR:1/4-20:.620:GR5:STD
18 WOLF-Garten Expert 6KT-SCHRAUBE:TT:1/4-20:1.500710-07786KT-SCHRAUBE:TT:1/4-20:1.500
19 WOLF-Garten Expert 6KT-SCHRAUBE:HL:1/4-15:0.750710-08956KT-SCHRAUBE:HL:1/4-15:0.750
20 WOLF-Garten Expert SCHRAUBE:#12-16:0.750:TRUSPHI710-1220SCHRAUBE:#12-16:0.750:TRUSPHI
21 WOLF-Garten Expert 6KT-SCHR:TT:5/16-18:.750710-1260A6KT-SCHR:TT:5/16-18:.750
22 WOLF-Garten Expert 6KT-SCHR:5/16-18:.75 GR5:STD710-30086KT-SCHR:5/16-18:.75 GR5:STD
23 WOLF-Garten Expert 6KT-SCHR:3/8-16:3.50:GR5:STD710-30856KT-SCHR:3/8-16:3.50:GR5:STD
24 WOLF-Garten Expert KLEMMSCHEIBE:3/8712-0229KLEMMSCHEIBE:3/8
25 WOLF-Garten Expert 6KT-BUNDMUTTER:5/16-18:NYLON712-040636KT-BUNDMUTTER:5/16-18:NYLON
26 WOLF-Garten Expert 6KT-BUNDMUTTER:1/4-20:NYLON712-040646KT-BUNDMUTTER:1/4-20:NYLON
27 WOLF-Garten Expert S-6KT-BUNDMUTTER 3/8-16:NYLON712-04065S-6KT-BUNDMUTTER 3/8-16:NYLON
28 WOLF-Garten Expert KRONENMUTTER:1/2-13712-04243KRONENMUTTER:1/2-13
29 WOLF-Garten Expert 6KT-BUNDMUTTER:5/8-18712-051346KT-BUNDMUTTER:5/8-18
30 WOLF-Garten Expert 6KT-MUTTER:FL:M16-1.5 DIN 936712-06416KT-MUTTER:FL:M16-1.5 DIN 936
31 WOLF-Garten Expert FEDERSTECKER714-04040FEDERSTECKER
32 WOLF-Garten Expert FEDERSTECKER:GEBOGEN714-04043FEDERSTECKER:GEBOGEN
33 WOLF-Garten Expert SPLINT:1/8 x 1.25" LG714-0470SPLINT:1/8 x 1.25" LG
34 WOLF-Garten Expert ZAHNRAD:Z10:DECKEINSTELLUNG717-04074ZAHNRAD:Z10:DECKEINSTELLUNG
36 WOLF-Garten Expert DRUCKSCHEIBE:.3125 ID726-0201DRUCKSCHEIBE:.3125 ID
37 726-0233DRUCKSCHEIBE:.25 ID X .50 OD
38 WOLF-Garten Expert ZUGFEDER:.75 OD x 6.375LG732-04280BZUGFEDER:.75 OD x 6.375LG
39 WOLF-Garten Expert ZUGFEDER:.500 DIA x 6.375LG732-04287ZUGFEDER:.500 DIA x 6.375LG
40 WOLF-Garten Expert DRUCKFEDER:.535 OD x 1.751 LG732-04652DRUCKFEDER:.535 OD x 1.751 LG
41 WOLF-Garten Expert DECKRAD:5.0 DIA:BALLFÖRMIG734-04155DECKRAD:5.0 DIA:BALLFÖRMIG
42 734-0973DECKRAD:5.0 x 1.38
43 WOLF-Garten Expert FEDERRING:5/16" NORMALAUSF.736-0119FEDERRING:5/16" NORMALAUSF.
44 736-0211SCHEIBE:FL:.285 x 1.250 x.060
45 WOLF-Garten Expert SCHEIBE:FLACH:.406 x.875 x.059736-0300SCHEIBE:FLACH:.406 x.875 x.059
46 736-0317TELLERFEDER:.630x1.250x.180 *
47 736-0463SCHEIBE:FL:.250 x .630 x .052
48 WOLF-Garten Expert SCHNORR-SCHEIBE:17x23.8x1.95736-0760SCHNORR-SCHEIBE:17x23.8x1.95
49 WOLF-Garten Expert WASCHDÜSE:DECK:737-04003DWASCHDÜSE:DECK:
50 WOLF-Garten Expert SCHULTERSCHR:.496x1.525:3/8-16738-0373SCHULTERSCHR:.496x1.525:3/8-16
51 WOLF-Garten Expert BUNDSCHEIBE:.8840 x .190738-04162CBUNDSCHEIBE:.8840 x .190
52 738-04166DISTANZSTÜCK:.5000 x.1475
53 WOLF-Garten Expert SCHULTERSCHR:.496x2.50:3/8-16738-3056SCHULTERSCHR:.496x2.50:3/8-16
54 WOLF-Garten Expert MESSER:21.23"LG:HIGH LIFT:3IN1742-0616AMESSER:21.23"LG:HIGH LIFT:3IN1
55 747-04379ABREMSSTANGE:42" DECK
56 747-05072AUSHEBESTANGE:DECK 42" CVR EU
57 747-06414KEILRIEMENFÜHRUNG:42"G LINKS
58 747-06422KEILRIEMENFÜHRUNG 42" RECHTS
59 WOLF-Garten Expert ABSTECKBÜGEL:DECKFREIGABE:.375747-1116ABSTECKBÜGEL:DECKFREIGABE:.375
60 WOLF-Garten Expert BUNDBUCHSE:SPANNROLLE748-05029ABUNDBUCHSE:SPANNROLLE
61 750-04446HÜLSE:3/8 ID x.68 OD x 1.46 LG
62 WOLF-Garten Expert DISTANZSTÜCK:.260x.372x1.030 L750-0566ADISTANZSTÜCK:.260x.372x1.030 L
63 WOLF-Garten Expert KEILRIEMEN:V:A:96.5":ARAM:C2754-04060CKEILRIEMEN:V:A:96.5":ARAM:C2
64 WOLF-Garten Expert SPANNROLLE:4.25" DIA:HD756-05042SPANNROLLE:4.25" DIA:HD
66 783-04740FÜHRUNGSBL:BOWDENZUG:DECKBETÄT
67 783-06276ABDECKUNG:FRANKREICH-AUSF.
68 783-06283ABDECKUNG:RECHTS:FRANKR-AUSF.
69 783-06284ABDECKUNG:LINKS:FRANKR-AUSF.
70 WOLF-Garten Expert ABDECKBLECH:RND:SPANNROLLE:HD783-08389ABDECKBLECH:RND:SPANNROLLE:HD
72 783-1146ABLECH:SCHÜRZE:DECK:42"
Bankeinzug, MasterCard, Visa, American Express, PayPal, Nachnahme, Vorauskasse, Sofortüberweisung
Qualitätsmanagement
Informieren Sie uns, wenn Sie einen Fehler gefunden haben.