Unersetzlich.com
Home
Kontakt
Versand
Gästebuch
AGB
Impressum
NEUGERÄTE
WOLF-Garten Sortiment
ERSATZTEILE
Ersatzteile für WOLF-Garten Geräte online bestellen
Katalog
WOLF-Garten Expert Ersatzteile
SERVICE
Recherche
Mein Konto
Einloggen
Registrieren
Computer
WOLF-Garten Expert
Übersicht
WOLF-Garten Expert
Motormäher mit Antrieb
Expert 530 A
12B-PUKC650 (2016)
Achsen, Höhenverstellung
Achsen, Höhenverstellung 12B-PUKC650 (2016)
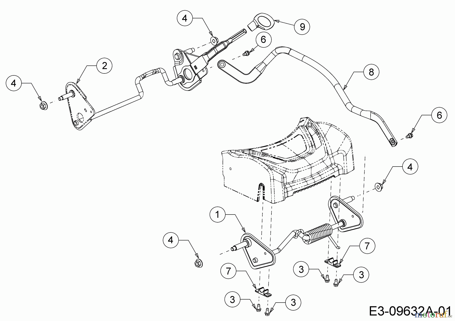
BildNr
Artikel Nummer
Bezeichnung
1
611-05040A
VORDERACHSE:8x8:ZENTRAL
2
611-05039
HINTERACHSE:VST.:ZENTR.:8X8
3
710-0895
6KT-SCHRAUBE:HL:1/4-15:0.750
4
712-04217
BUNDMUTTER:3/8-16:GRF
6
738-04502
6KT-SCHULTERSCHR:1/4-20:0.50
7
741-0492A
FLANSCHLAGER:VORDERACHSE:
8
749-04841C
9
720-04096
GRIFF FÜR HÖHENVERSTELLHEBEL
Qualitätsmanagement
Informieren Sie uns, wenn Sie einen Fehler gefunden haben.