Unersetzlich.com
Gartengeräte und Ersatzteile
Einkaufswagen
leer
Mein Konto
Einloggen
Registrieren
Home
Kontakt
Versand
Gästebuch
AGB
Impressum
NEUGERÄTE
WOLF-Garten Sortiment
ERSATZTEILE
Ersatzteile für WOLF-Garten Geräte online bestellen
Katalog
WOLF-Garten Expert Ersatzteile
SERVICE
Recherche
Mobilversion
WOLF-Garten Expert
Übersicht
WOLF-Garten Expert
Motormäher mit Antrieb
Expert 46 BAV
12BVK15E650 (2014)
Leitstück hinten, Mähwerksgehäuse, Stange Heckklappe, Verkleidungen
Leitstück hinten, Mähwerksgehäuse, Stange Heckklappe, Verkleidungen 12BVK15E650 (2014)
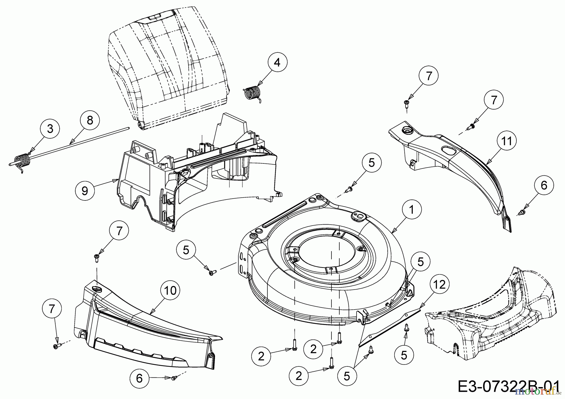
BildNr
Artikel Nummer
Bezeichnung
1
787-02007C
MÄHWERKSGEHÄUSE 46CM 2IN1
2
710-04683C
6KT-SCHRAUBE:TT:3/8-16:1.000
3
732-05061A
DREHFEDER RECHTS
4
732-05062A
DREHFEDER LINKS
5
710-1611B
SCHR:TT:5/16-18:0.750:PANTRXI
6
738-04502
6KT-SCHULTERSCHR:1/4-20:0.50
7
738-04532
SCHULTERSCHR:5/16-18:0.75
8
747-05655A
STANGE:HECKKLAPPE:42/46CM
9
719-04693A
10
731-08624
SEITENTEIL:RECHTS:46 CM:WOLF
11
731-08588
SEITENTEIL:LINKS:46 CM
12
787-03086
VERSTÄRKUNGSBLECH:RE:DECK42/46