Unersetzlich.com
Home
Kontakt
Versand
Gästebuch
AGB
Impressum
NEUGERÄTE
WOLF-Garten Sortiment
ERSATZTEILE
Ersatzteile für WOLF-Garten Geräte online bestellen
Katalog
WOLF-Garten Expert Ersatzteile
SERVICE
Recherche
Mein Konto
Einloggen
Registrieren
Computer
WOLF-Garten Expert
Übersicht
WOLF-Garten Expert
Motormäher mit Antrieb
Expert 420 A
12B-LUSC650 (2016)
Getriebe, Keilriemen
Getriebe, Keilriemen 12B-LUSC650 (2016)
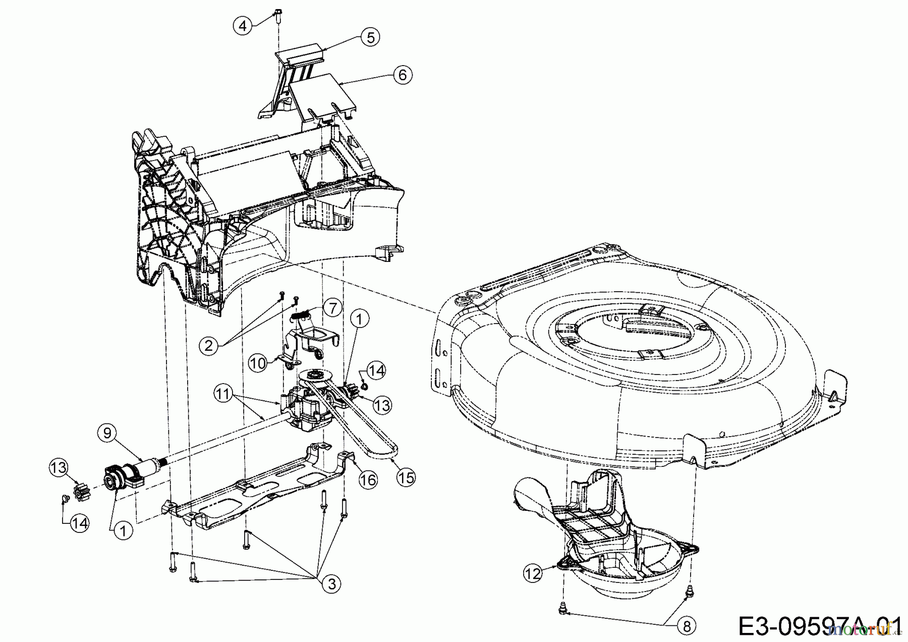
BildNr
Artikel Nummer
Bezeichnung
1
631-04501A
LAGER VOLLST.
2
710-04374
6KT-SCHR./SCHEIBE:.159 ODx.43
3
710-04774
6KT-SCHRAUBE:HL:1/4-15:1.250LG
4
710-0895
6KT-SCHRAUBE:HL:1/4-15:0.750
5
731-09264
GETRIEBEABDECKUNG:RWD:HINTEN
6
731-09265
GETRIEBEABDECKUNG:RWD:VORNE
7
732-04826A
ZUGFEDER:2.675"
8
738-04502
6KT-SCHULTERSCHR:1/4-20:0.50
9
750-06285
DISTANZHÜLSE:.550x1.043x1.542
10
787-01868A
HALTER:GETRIEBE
11
618-07249
GETRIEBE VOLLST:SP:SS:42/46CM
12
631-04640
EINSATZTOPF VOLLST. 42 CM
13
717-04852
ANTRIEBSRITZEL 10 ZÄHNE
14
731-10110
STOPFEN
15
754-04313
KEILRIEMEN V-TYPE 27.40"
16
787-03620
TRAVERSE HINTEN GETRIEBE
Qualitätsmanagement
Informieren Sie uns, wenn Sie einen Fehler gefunden haben.