WOLF-Garten Expert

Fahrantrieb 31AY57SZ650 (2014)

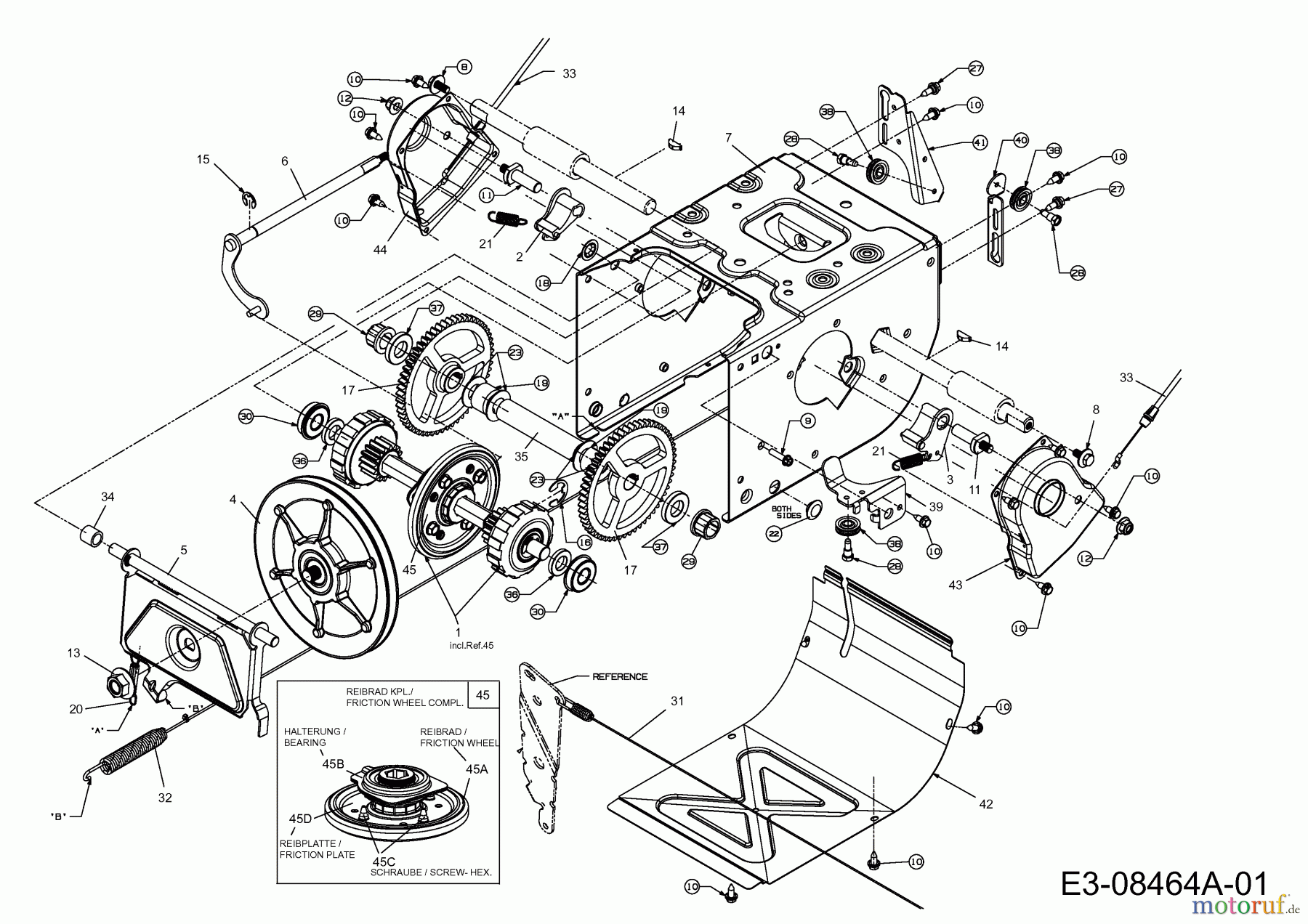
 WOLF-Garten Expert Schneefräsen Expert 76130 HD 31AY57SZ650  (2014) Fahrantrieb
BildNrArtikel NummerBezeichnung
1 618-06072WELLE REIBRAD KPL.
2 618-06987HALTER RECHTS LAGERWELLE
3 618-06988HALTER LINKS LAGERWELLE
4 WOLF-Garten Expert REIBSCHEIBE VOLLST:656-04055REIBSCHEIBE VOLLST:
5 684-04154BTRAEGER VOLLST:REIBRAD
6 684-04156ASCHALTHEBEL VOLLSTÄNDIG
7 684-05041GEHÄUSE RADANTRIEB
8 710-053396kt-SCHR:FEDERSCH:5/16-24:.750
9 710-07886KT-SCHR:TT:1/4-20:1.0:HXINDWS
10 WOLF-Garten Expert 6KT-SCHRAUBE:TT:1/4-20:.625710-16526KT-SCHRAUBE:TT:1/4-20:.625
11 711-1268BLAGERWELLE
12 WOLF-Garten Expert S-6KT-BUNDMUTTER 3/8-16:NYLON712-04065S-6KT-BUNDMUTTER 3/8-16:NYLON
13 WOLF-Garten Expert 6KT-BUNDMUTTER:5/8-18712-0417A6KT-BUNDMUTTER:5/8-18
14 714-0126SCHEIBENFEDER NR.9: 3/16 x 3/4
15 WOLF-Garten Expert SICHERUNGSRING:.500 DIA WELLE716-0104SICHERUNGSRING:.500 DIA WELLE
16 716-0136SICHERUNGSRING:TYPE E:.875 DIA
17 717-04210ZAHNRAD 56 ZÄHNE
18 726-0221ACHSENKLEMMRING:1/2"
19 731-05297DISTANZHÜLSE .76 ID X .75 LG
20 WOLF-Garten Expert ZUGFEDER:.380 OD x 2.500 LG732-0264ZUGFEDER:.380 OD x 2.500 LG
21 WOLF-Garten Expert ZUGFEDER732-04345ZUGFEDER
22 735-04063ASTOPFEN:5/8 ID
23 WOLF-Garten Expert SCHEIBE:FL:.760x1.490x.060:HD736-0188SCHEIBE:FL:.760x1.490x.060:HD
27 WOLF-Garten Expert SCHULTER-SCHRAUBE:.368x.113:TT738-04184ASCHULTER-SCHRAUBE:.368x.113:TT
28 738-0924ASCHULTERSCR.:.340x.355xC:
29 WOLF-Garten Expert 6KT-FLANSCHLAGER: x.75 ID741-02456KT-FLANSCHLAGER: x.75 ID
30 741-0563KUGELLAGER:17x40x12:6203:DS
31 WOLF-Garten Expert BOWDENZUG:KUPPL:EINZUGSCHNECKE746-04230ABOWDENZUG:KUPPL:EINZUGSCHNECKE
32 WOLF-Garten Expert BOWDENZUG:KUPPLUNG:RADANTRIEB746-05067BOWDENZUG:KUPPLUNG:RADANTRIEB
33 746-0956CBOWDENZUG LENKUNG
34 748-0190DISTANZHÜLSE:.508IDx.750ODx.68
35 750-04474DISTANZSTÜCK HALTER REIBRAD
36 750-06087DISTANZBUCHSE:.68IDX1.250DX.20
37 750-0767DISTANZBUCHSE
38 756-0625UMLENKROLLE
39 790-00096A-SBEFESTIGUNGSWINKEL
40 790-00206AFÜHRUNG:BOWDENZUG:KUPPL:SCHNEC
41 790-00207CBOWDENZUGFÜHRUNG:KUPPL:ANTRIEB
42 790-00316ABDECKBLECH:GEHÄUSE:RADANTRIEB
43 790-00527ABDECKUNG:ANTRIEB:LINKS:500
44 790-00528ABDECKUNG:ANTRIEB:RECHTS:500
45 WOLF-Garten Expert REIBRAD VOLLSTAENDIG684-04153CREIBRAD VOLLSTAENDIG
45A 735-04054REIBRADGUMMI:5.5 OD
45B 618-0063AREIBRAD HALTERUNG
45C WOLF-Garten Expert 6KT-SCHRAUBE:TT:5/16-18:.750710-044846KT-SCHRAUBE:TT:5/16-18:.750
45D 790-00174CREIBPLATTE
Bankeinzug, MasterCard, Visa, American Express, PayPal, Nachnahme, Vorauskasse, Sofortüberweisung
Qualitätsmanagement
Informieren Sie uns, wenn Sie einen Fehler gefunden haben.