Unersetzlich.com
Home
Kontakt
Versand
Gästebuch
AGB
Impressum
NEUGERÄTE
WOLF-Garten Sortiment
ERSATZTEILE
Ersatzteile für WOLF-Garten Geräte online bestellen
Katalog
WOLF-Garten Expert Ersatzteile
SERVICE
Recherche
Mein Konto
Einloggen
Registrieren
Computer
WOLF-Garten Expert
Übersicht
WOLF-Garten Expert
Schneefräsen
Expert 7190 HD
31AY55SY650 (2015)
Auswurfschacht, Joystick
Auswurfschacht, Joystick 31AY55SY650 (2015)
BildNr
Artikel Nummer
Bezeichnung
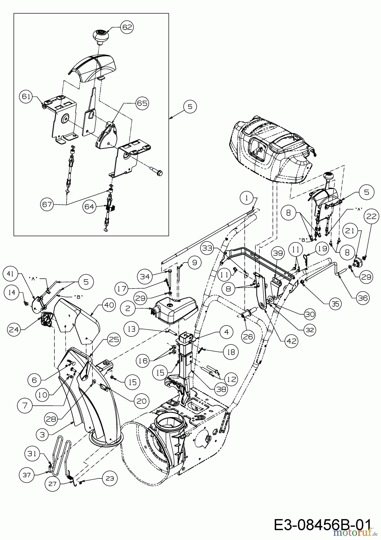
1
611-05044
STEUERWELLE
2
618-04933B
GETRIEBE:AUSWURF:2-WEGE
3
684-05023
AUSWURFSCHACHT UNTERTEIL
4
684-05035
HALTER AUSWURFSCHACHT
5
684-05044
STEUERUNG VST:AUSWURF:2-WEGE
6
710-0262
FL-RUNDSCHR:5/16-18:1.50:GR2
7
710-0276
FLACHRUNDSCHR: 5/16-18:1.00
8
710-04187
6KT-SCHRAUBE:HL:1/4-15:0.50
9
710-04370
SCHRAUBE 1/4-20X3.00
10
710-0895
6KT-SCHRAUBE:HL:1/4-15:0.750
11
710-1652
6KT-SCHRAUBE:TT:1/4-20:.625
12
710-3011
6KT-SCHR:3/8-16:2.25:GR5:STD
13
711-04469A
BOLZEN MIT KOPF:3/8:1.87
14
712-04063
6KT-BUNDMUTTER:5/16-18:NYLON
15
712-04064
6KT-BUNDMUTTER:1/4-20:NYLON
16
712-04065
S-6KT-BUNDMUTTER 3/8-16:NYLON
17
714-0101
FEDERSTECKER:.08 X 1.42"
18
714-04040
FEDERSTECKER
19
714-3020
FEDERSTECKER
20
720-0284
FLÜGELMUTTER VOLLST.:5/16-18
21
720-04102
KNAUF:HÖHENVERSTELLHEBEL
22
726-0100
AUFDRUCKKAPPE 3/8": STANGE
23
726-0106
HUTCLIP: 1/4" STANGE
24
731-09535
KABELFÜHRUNG
25
731-09539A
ADAPTER OBERER AUSWURFSCHACHT
26
731-09643
VERBINDUNGSSTÜCK
27
732-05087
DREHFEDER
28
736-0159
SCHEIBE:FL:.349IDx.879ODx.063
29
736-0185
SCHEIBE:FLACH:.375 x.738 x.063
30
736-0316
SCHEIBE:FL:.780x 1.590 x.060
31
736-04446
SCHEIBE:.25X.630X.0515
32
736-0621
SCHEIBE-GEWELLT
33
736-3092
SCHEIBE:FLACH:.265x1.0x.030:HD
34
738-04367
SCHULTERSCHR.:.312x3.50X1/4-20
35
741-0475
PLASTIK-SCHNAPPLAGER:.385 ID
36
747-06196
37
747-06199
EINGRIFFSCHUTZ
38
790-00330A
39
790-00341
40
790-00529
AUSWURFSCHACHT OBERTEIL
41
790-00565
42
790-00576
Qualitätsmanagement
Informieren Sie uns, wenn Sie einen Fehler gefunden haben.