Unersetzlich.com
Gartengeräte und Ersatzteile
Einkaufswagen
leer
Mein Konto
Einloggen
Registrieren
Home
Kontakt
Versand
Gästebuch
AGB
Impressum
NEUGERÄTE
WOLF-Garten Sortiment
ERSATZTEILE
Ersatzteile für WOLF-Garten Geräte online bestellen
Katalog
WOLF-Garten Expert Ersatzteile
SERVICE
Recherche
Mobilversion
WOLF-Garten Expert
Übersicht
WOLF-Garten Expert
Schneefräsen
Expert 5370
31AR2T6D650 (2013)
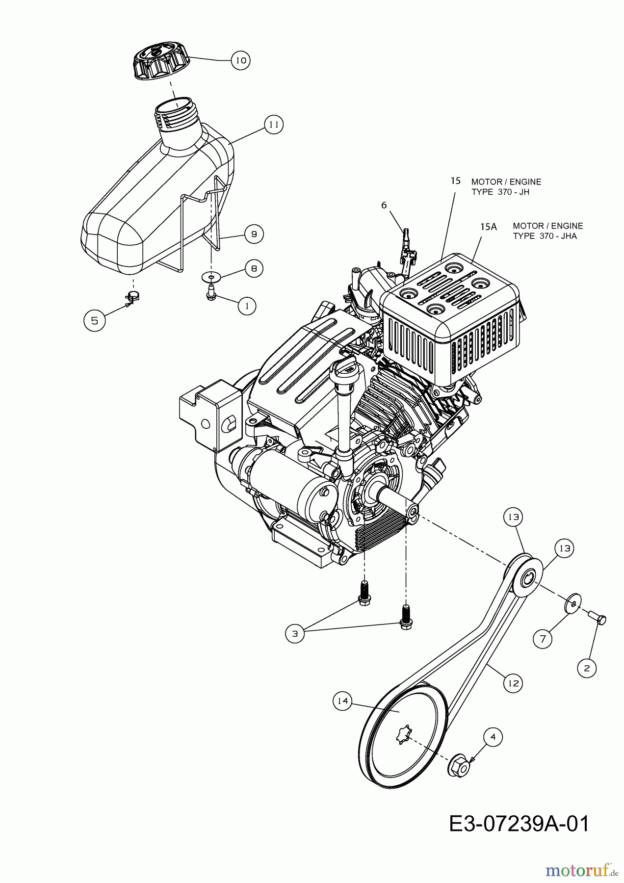
Keilriemen, Motor, Tank
Keilriemen, Motor, Tank 31AR2T6D650 (2013)
BildNr
Artikel Nummer
Bezeichnung
1
710-04065
6KT-SCHRAUBE:FLG:1/4-10:0.625
2
710-1245
SECHSKANT-SCHRAUBE
3
710-0654A
6KT-SCHR.:TTSEMS:3/8-16:1.000
4
712-0702
MUTTER
5
726-0205
SCHLAUCHKLEMME: .490 DIA
6
731-07664
CHOKE-HEBEL
7
736-0343
SCHEIBE:FLACH:.330 x1.250x.120
8
736-3092
SCHEIBE:FLACH:.265x1.0x.030:HD
9
747-05513
TANKHALTER
10
751-10487A
TANKDECKEL
11
751-11648
KRAFTSTOFFTANK
12
754-04050
KEILRIEMEN:.500 x 35.06 LG
13
756-0416B
KEILRIEMENSCHEIBE-HÄLFTE
14
756-04443
KEILRIEMENSCHEIBE EINZUGSSCHN.
15
752Z370-JH
15A
752Z370-JHA
MOTOR KPL. 370-JHA