Unersetzlich.com
Gartengeräte und Ersatzteile
Einkaufswagen
leer
Mein Konto
Einloggen
Registrieren
Home
Kontakt
Versand
Gästebuch
AGB
Impressum
NEUGERÄTE
WOLF-Garten Sortiment
ERSATZTEILE
Ersatzteile für WOLF-Garten Geräte online bestellen
Katalog
WOLF-Garten Expert Ersatzteile
SERVICE
Recherche
Mobilversion
WOLF-Garten Expert
Übersicht
WOLF-Garten Expert
Rasentraktoren
Expert 107.200 H
13AP93WS350 (2015)
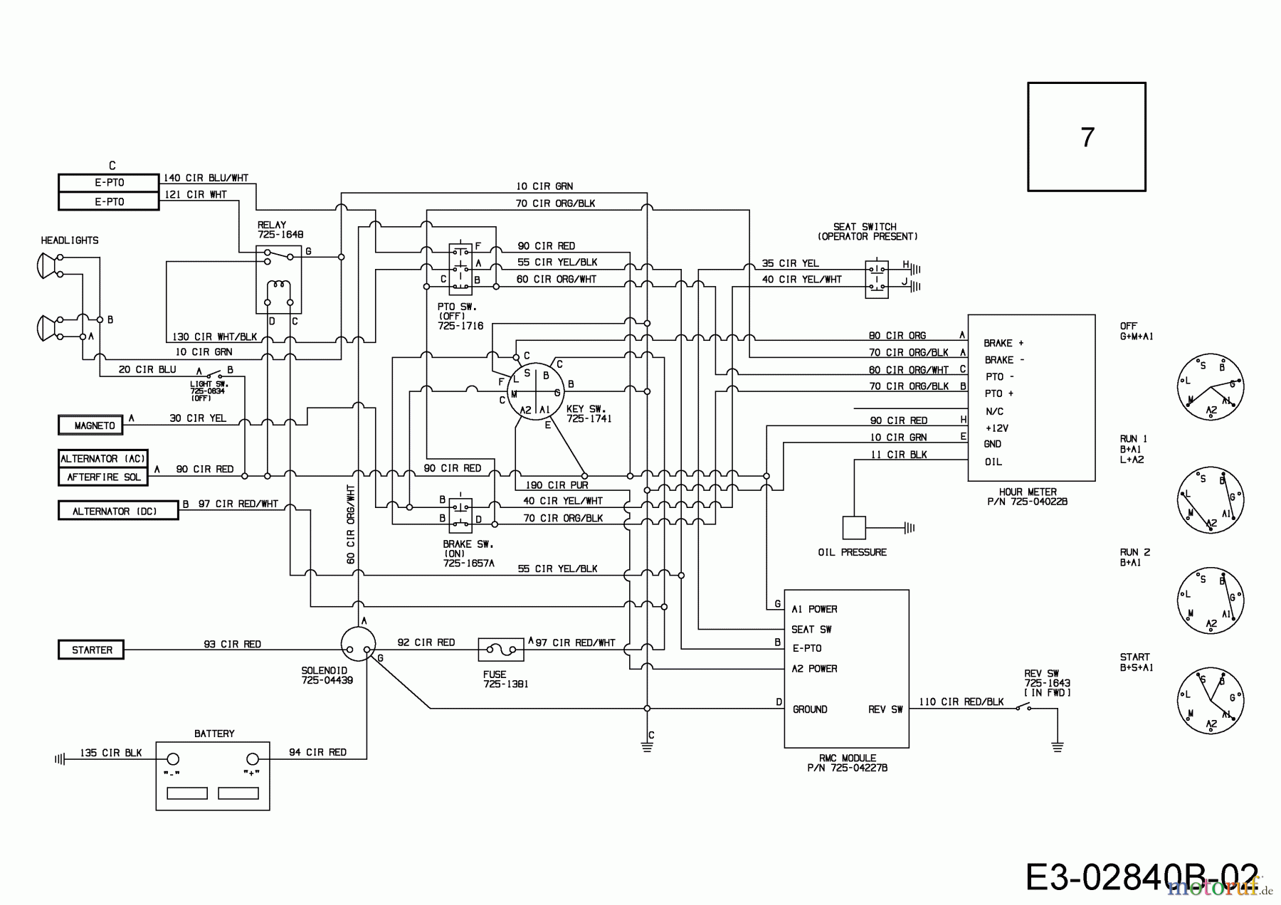
Schaltplan
Schaltplan 13AP93WS350 (2015)
BildNr
Artikel Nummer
Bezeichnung
7
725-05370
KABELBAUM:NX9:EPTO:RMC:HRMTR: