Unersetzlich.com
Home
Kontakt
Versand
Gästebuch
AGB
Impressum
NEUGERÄTE
WOLF-Garten Sortiment
ERSATZTEILE
Ersatzteile für WOLF-Garten Geräte online bestellen
Katalog
WOLF-Garten Expert Ersatzteile
SERVICE
Recherche
Mein Konto
Einloggen
Registrieren
Computer
WOLF-Garten Expert
Übersicht
WOLF-Garten Expert
Rasentraktoren
Expert 92.165 A
13HN90WE650 (2015)
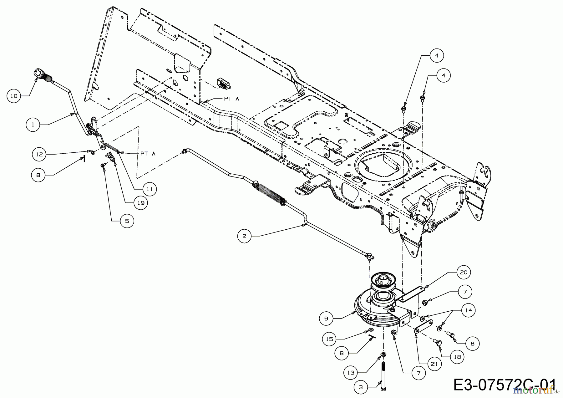
Mähwerkseinschaltung, Motorkeilriemenscheibe
Mähwerkseinschaltung, Motorkeilriemenscheibe 13HN90WE650 (2015)
BildNr
Artikel Nummer
Bezeichnung
1
647-05047A
SCHALTHEBEL VOLLST:PTO 500
2
647-05048
3
710-04002
6KT-SCHR:7/16-20:4.50:GR5:STD
4
710-04484
6KT-SCHRAUBE:TT:5/16-18:.750
5
710-0599
6KT-SCHRAUBE:TT:1/4-20:0.500
6
710-3001
6KT-SCHR:3/8-16:.880:GR5:STD
7
712-04065
S-6KT-BUNDMUTTER 3/8-16:NYLON
8
714-0111
SPLINT:3/32 x 1.0"
9
717-04686
KUPPLUNG:TRANS:BRC
10
720-04049A
HANDGRIFF:3/8
11
732-0611
ZUGFEDER: .38 OD x 3.6 LG
12
736-0117
SCHEIBE:FLACH:.385x.620x.033
13
736-0171
FEDERRING 7/16" NORMALAUSF.
14
736-0267
SCHEIBE:FL:.385 x.87 x.06:HT
15
736-0275
SCHEIBE:FL:.344 x .688 x .065
18
738-0380
SCHULTERSCHR:.500 x.270:3/8-16
19
741-04119A
LAGERSCHALE:PTO:LT-5
20
783-06428A
WINKELBLECH:STOP:KUPPLUNG
21
783-08712B
VREBINDUNGSLASCHE:PTO
Qualitätsmanagement
Informieren Sie uns, wenn Sie einen Fehler gefunden haben.