Unersetzlich.com
Gartengeräte und Ersatzteile
Einkaufswagen
leer
Mein Konto
Einloggen
Registrieren
Home
Kontakt
Versand
Gästebuch
AGB
Impressum
NEUGERÄTE
WOLF-Garten Sortiment
ERSATZTEILE
Ersatzteile für WOLF-Garten Geräte online bestellen
Katalog
WOLF-Garten Expert Ersatzteile
SERVICE
Recherche
Mobilversion
WOLF-Garten Expert
Übersicht
WOLF-Garten Expert
Rasentraktoren
Expert Scooter Pro
13B226HD650 (2015)
Mähwerk D (30"/76cm)
Mähwerk D (30"/76cm) 13B226HD650 (2015)
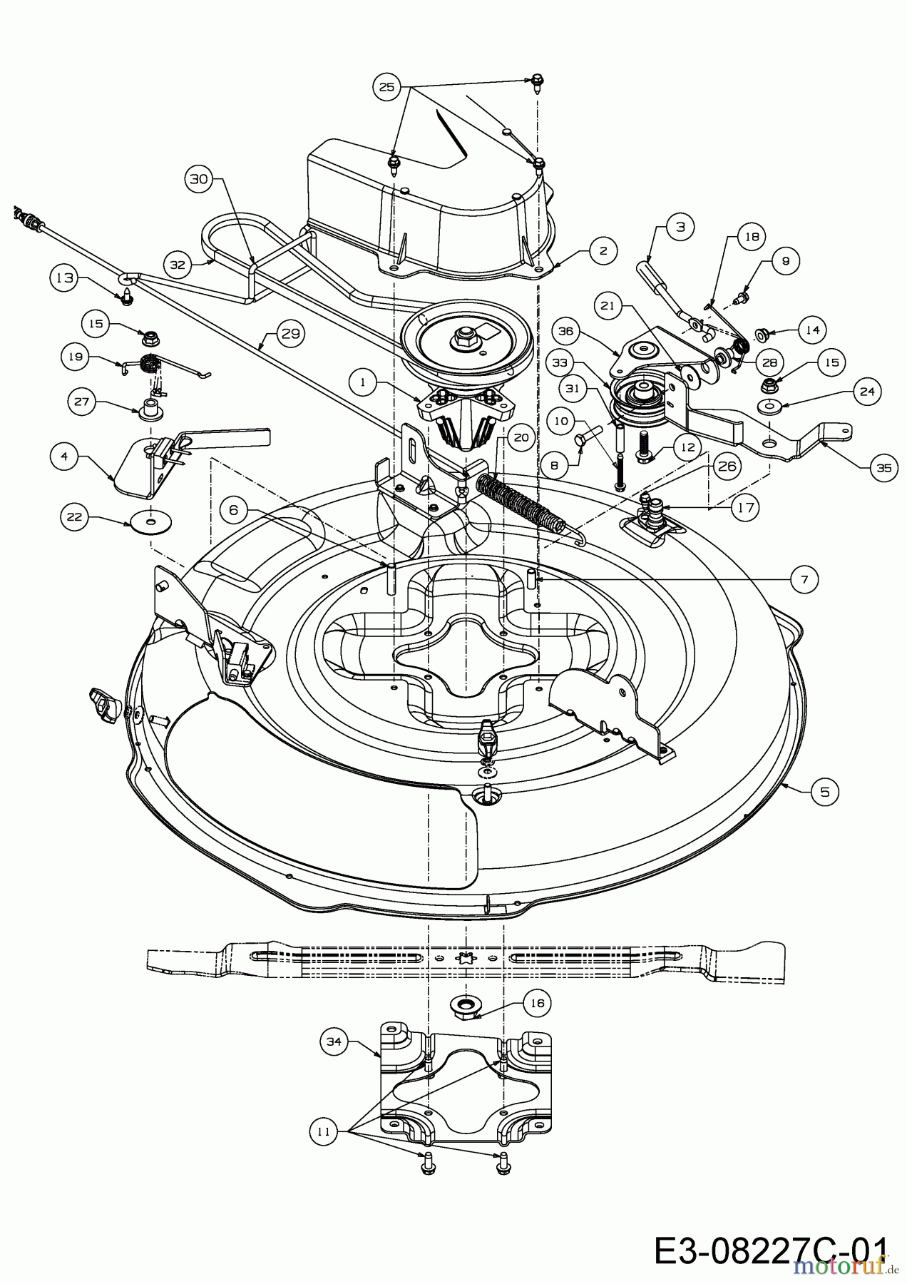
BildNr
Artikel Nummer
Bezeichnung
1
618-04822B
MESSERSPINDEL VS:RIEMENSCHEIBE
2
631-05024
KEILRIEMENABDECKUNG
3
647-05028
SPANNHEBEL
4
683-05034
BREMSHEBEL INKL. BREMSBELAG
5
683-05039A
6
710-0347
6KT-SCHR:3/8-16:1.75:GR5:STD
7
710-0514
6KT-SCHR:3/8-16:1.00:GR5:STD
8
710-0528
6KT-SCHR:5/16-18:1.25:GR5:STD
9
710-0599
6KT-SCHRAUBE:TT:1/4-20:0.500
10
710-1026
6KT-SCHR:TT:1/4-20:1.750:HXIND
11
710-1260A
6KT-SCHR:TT:5/16-18:.750
12
710-1315
6KT-SCHRAUBE:TT:3/8-16:1.25:S
13
710-1652
6KT-SCHRAUBE:TT:1/4-20:.625
14
712-04063
6KT-BUNDMUTTER:5/16-18:NYLON
15
712-04065
S-6KT-BUNDMUTTER 3/8-16:NYLON
16
712-0417A
6KT-BUNDMUTTER:5/8-18
17
731-07487
DÜSE:DECKREINIGUNG
18
732-05045
DREHFEDER
19
732-05046
DREHFEDER
20
732-0583
DRUCKFEDER
21
736-0362
FL-SCHEIBE:.330 x 1.25 x.06:HD
22
736-3040
FLACHSCHEIBE
24
738-0347
BUNDSCHEIBE:.625 ID x.169
25
738-04184A
SCHULTER-SCHRAUBE:.368x.113:TT
26
738-04278
6KT-SCHULTERSCHR:1/4-20:0.50
27
738-05021
DISTANZHALTER
28
738-05022
DISTANZHALTER
29
746-04802A
BOWDENZUG
30
747-06126A
KEILRIEMENFÜHRUNG
31
750-04456
DISTANZSTÜCK:.260x.372x1.420LG
32
754-05001
KEILRIEMEN
33
756-04224
RIEMENSCHEIBE:IDLER 2.75 OD
34
783-08047A
VERSTÄRKUNGSPLATTE
35
783-08128
UNTERER SPANNROLLENHALTER
36
783-08226