Unersetzlich.com
Home
Kontakt
Versand
Gästebuch
AGB
Impressum
NEUGERÄTE
WOLF-Garten Sortiment
ERSATZTEILE
Ersatzteile für WOLF-Garten Geräte online bestellen
Katalog
WOLF-Garten Expert Ersatzteile
SERVICE
Recherche
Mein Konto
Einloggen
Registrieren
Computer
WOLF-Garten Expert
Übersicht
WOLF-Garten Expert
Rasentraktoren
Expert 92.155 A
13AD90WE650 (2012)
Pedale
Pedale 13AD90WE650 (2012)
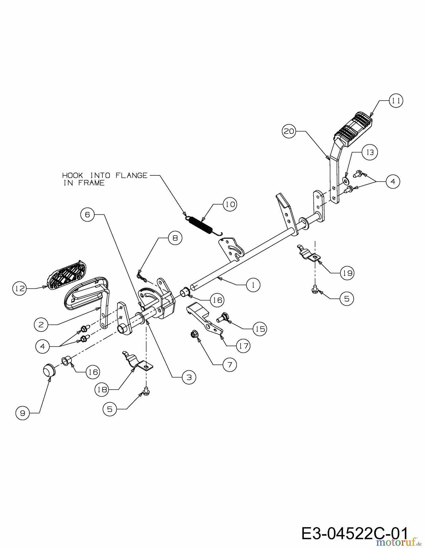
BildNr
Artikel Nummer
Bezeichnung
1
647-04152D
2
683-0266
PEDAL VOLLST:AUTO DRIVE
3
683-04744
4
710-04484
6KT-SCHRAUBE:TT:5/16-18:.750
5
710-0604A
6KT-SCHR:TT:5/16-18:0.625:HXIN
6
711-05068
FÜHRUNGSBOLZEN:5/16 x 3.985
7
712-04065
S-6KT-BUNDMUTTER 3/8-16:NYLON
8
714-04040
FEDERSTECKER
9
726-0214
AUFDRUCKKAPPE:.625 DIA
10
732-04587
ZUGFEDER:.63 DIA x 4.95 LG
11
735-04136
PEDALAUFLAGE:BREMSE
12
735-04272
FUSSPEDALAUFLAGE:ANTRIEB
13
736-0242
TELLERFEDER.340 x.872 x.060
15
738-0380
SCHULTERSCHR:.500 x.270:3/8-16
16
741-0495
FLANSCHLAGERBUCHSE.63x.695x.60
17
748-04203
RASTKLINKE:CRUISE
18
783-05914
LAGERSCHALE:TRÄGER:PEDALWELLE
19
783-05940
LAGERSCHALE:TRÄGER:PEDALWELLE
20
783-06103A
HALTER:BREMSPEDAL
Qualitätsmanagement
Informieren Sie uns, wenn Sie einen Fehler gefunden haben.