Unersetzlich.com
Gartengeräte und Ersatzteile
Einkaufswagen
leer
Mein Konto
Einloggen
Registrieren
Home
Kontakt
Versand
Gästebuch
AGB
Impressum
NEUGERÄTE
WOLF-Garten Sortiment
ERSATZTEILE
Ersatzteile für WOLF-Garten Geräte online bestellen
Katalog
WOLF-Garten Expert Ersatzteile
SERVICE
Recherche
Mobilversion
WOLF-Garten Expert
Übersicht
WOLF-Garten Expert
Rasentraktoren
Expert 122.240 H
13AI91WJ650 (2014)
Keilriemenschutz Mähwerk J (48"/122cm)
Keilriemenschutz Mähwerk J (48"/122cm) 13AI91WJ650 (2014)
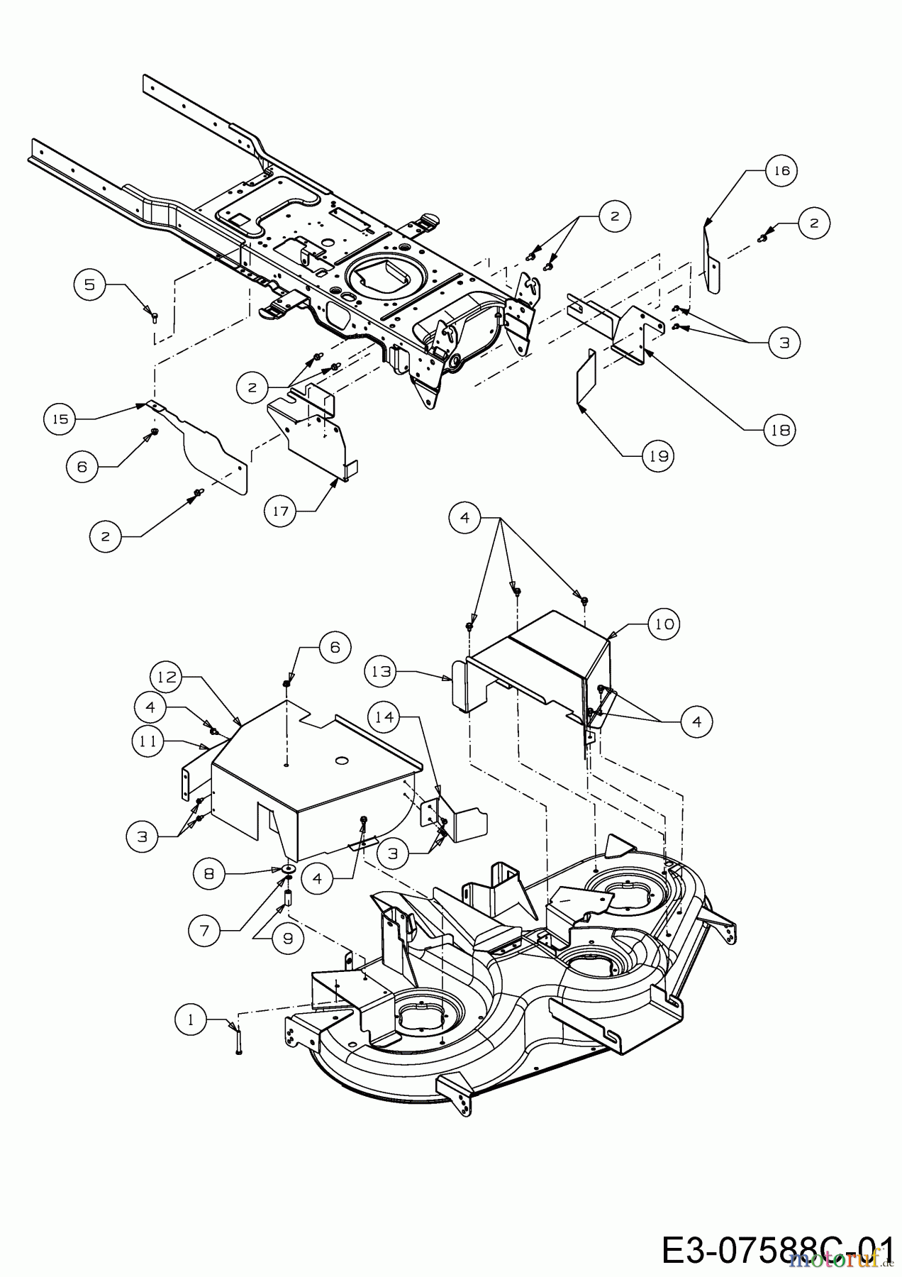
BildNr
Artikel Nummer
Bezeichnung
1
710-0378
6KT-SCHR:5/16-18:2.50:GR5:STD
2
710-04484
6KT-SCHRAUBE:TT:5/16-18:.750
3
710-0599
6KT-SCHRAUBE:TT:1/4-20:0.500
4
710-0607
6KT-SCHR:TT:5/16-18:0.500:HXIN
5
710-3008
6KT-SCHR:5/16-18:.75 GR5:STD
6
712-04063
6KT-BUNDMUTTER:5/16-18:NYLON
7
726-0201
DRUCKSCHEIBE:.3125 ID
8
736-0320
SCHEIBE:FLACH:.380x1.380x.125
9
750-04993
DISTANZSTÜCK:.322 x.625 x 1,5"
10
783-04511B
ABDECKUNG:DECK 122cm LINKS
11
783-06477A
12
783-06480B
13
783-06481A
14
783-06484A
15
783-07288
16
783-07289
17
783-08214
18
783-08215
19
783-08603