Unersetzlich.com
Home
Kontakt
Versand
Gästebuch
AGB
Impressum
NEUGERÄTE
WOLF-Garten Sortiment
ERSATZTEILE
Ersatzteile für WOLF-Garten Geräte online bestellen
Katalog
WOLF-Garten Expert Ersatzteile
SERVICE
Recherche
Mein Konto
Einloggen
Registrieren
Computer
WOLF-Garten Expert
Übersicht
WOLF-Garten Expert
Rasentraktoren
Expert 122.240 H
13AI91WJ650 (2014)
Elektroteile
Elektroteile 13AI91WJ650 (2014)
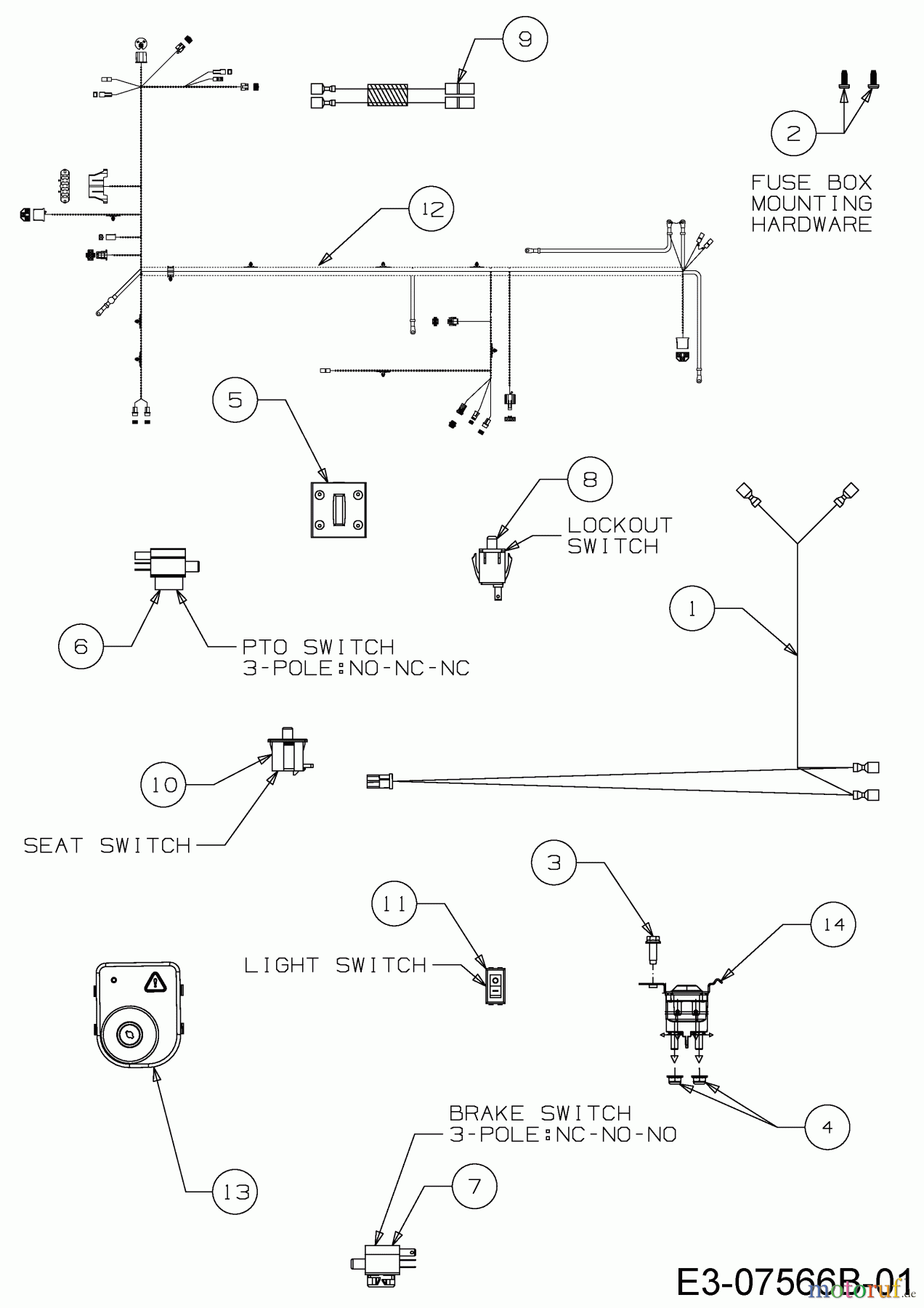
BildNr
Artikel Nummer
Bezeichnung
1
629-04133B
KABELSATZ VST:UNIVERSAL:LICHT
2
710-0351
KREUZSCHLITZ-SCHR:#10-16:0.500
3
710-04461
6KT-SCH:FLG:TT.1/4-20:.750:LCK
4
712-04064
6KT-BUNDMUTTER:1/4-20:NYLON
5
725-04036C
DIGITALANZEIGE:HOUR METER
6
725-04038
SCHALTER DELTA:3 POLIG:
7
725-04232
KONTAKTSCHALTER:3 POLIG
8
725-04807
KONTAKTSCHALTER
9
725-04839
ANSCHLUSSKABEL LICHTSCHALTER
10
725-05013
SITZ-KONTAKTSCHALTER:2 POLIG
11
725-05057
WIPPSCHALTER:LICHT:I/O
12
725-05352
KABELBAUM:500NX:MAN:HR:AM:OCR:
13
725-06119
ZÜNDSCHLOSS:RMC:8 POLIG:MPTO
14
725-06153
MAGNETSCHALTER:12V:100A:4 POL
Qualitätsmanagement
Informieren Sie uns, wenn Sie einen Fehler gefunden haben.