Unersetzlich.com
Gartengeräte und Ersatzteile
Einkaufswagen
leer
Mein Konto
Einloggen
Registrieren
Home
Kontakt
Versand
Gästebuch
AGB
Impressum
NEUGERÄTE
WOLF-Garten Sortiment
ERSATZTEILE
Ersatzteile für WOLF-Garten Geräte online bestellen
Katalog
WOLF-Garten Expert Ersatzteile
SERVICE
Recherche
Mobilversion
WOLF-Garten Expert
Übersicht
WOLF-Garten Expert
Rasentraktoren
Expert 122.240 H
13AI91WJ650 (2014)
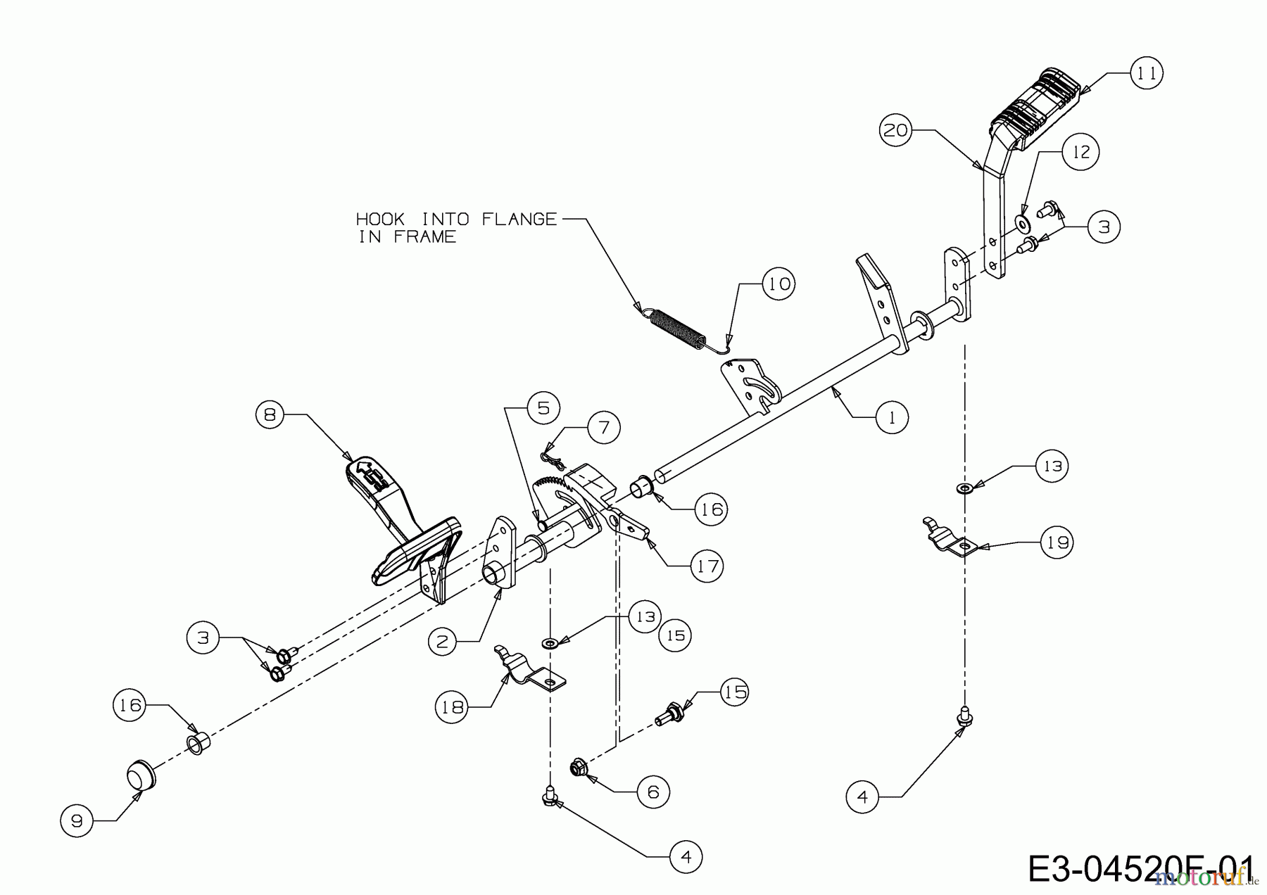
Pedale
Pedale 13AI91WJ650 (2014)
BildNr
Artikel Nummer
Bezeichnung
1
647-04152D
2
683-04537
PEDALWELLE VST:HYDRO NON CUB
3
710-04484
6KT-SCHRAUBE:TT:5/16-18:.750
4
710-0604A
6KT-SCHR:TT:5/16-18:0.625:HXIN
5
711-05068A
FÜHRUNGSBOLZEN:5/16 x 4.135
6
712-04065
S-6KT-BUNDMUTTER 3/8-16:NYLON
7
714-04040
FEDERSTECKER
8
719-0584B
PEDAL:ANTRIEB:HYDRO CUB 1500
9
726-0214
AUFDRUCKKAPPE:.625 DIA
10
732-04587
ZUGFEDER:.63 DIA x 4.95 LG
11
735-04136
PEDALAUFLAGE:BREMSE
12
736-0242
TELLERFEDER.340 x.872 x.060
13
736-0275
SCHEIBE:FL:.344 x .688 x .065
15
738-0380
SCHULTERSCHR:.500 x.270:3/8-16
16
741-0495
FLANSCHLAGERBUCHSE.63x.695x.60
17
748-04203
RASTKLINKE:CRUISE
18
783-05914
LAGERSCHALE:TRÄGER:PEDALWELLE
19
783-05940
LAGERSCHALE:TRÄGER:PEDALWELLE
20
783-06103A
HALTER:BREMSPEDAL