Unersetzlich.com
Home
Kontakt
Versand
Gästebuch
AGB
Impressum
NEUGERÄTE
WOLF-Garten Sortiment
ERSATZTEILE
Ersatzteile für WOLF-Garten Geräte online bestellen
Katalog
WOLF-Garten Expert Ersatzteile
SERVICE
Recherche
Mein Konto
Einloggen
Registrieren
Computer
WOLF-Garten Expert
Übersicht
WOLF-Garten Expert
Rasentraktoren
Expert 107.180 H
13AG91WG650 (2013)
Motorzubehör
Motorzubehör 13AG91WG650 (2013)
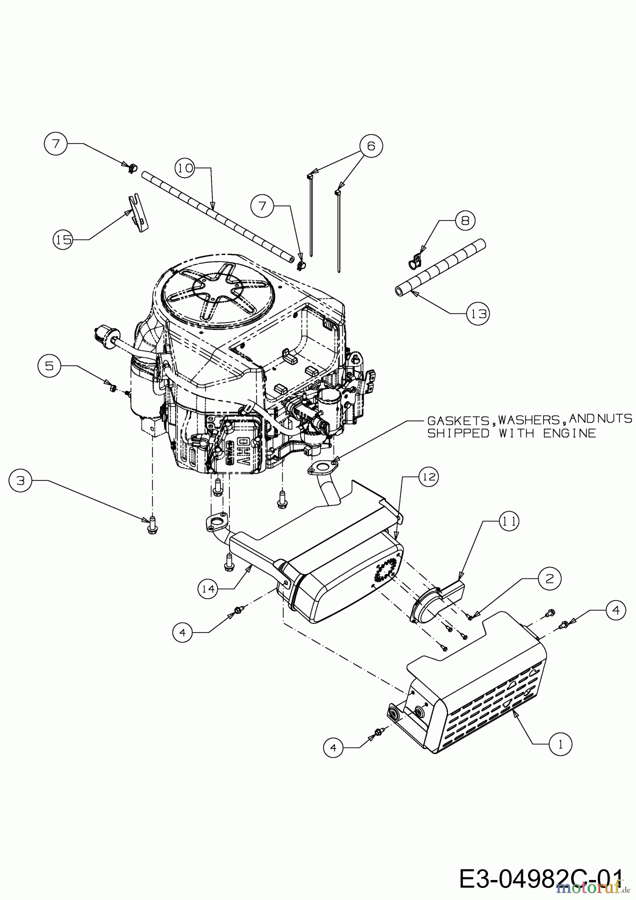
BildNr
Artikel Nummer
Bezeichnung
1
683-04549
HITZESCHILD VOLLST:AUSPUFF
2
710-0227
6KT-BLECHSCHR:#8-18:0.500:HXIN
3
710-04683
6KT-SCHR:3/8-16:1.000:HXINDWSH
4
710-0599
6KT-SCHRAUBE:TT:1/4-20:0.500
5
712-0271
6KT-MUTTER 1/4-20"+ZAHNSCHEIBE
6
725-0157
KABELBINDER: 3/16 X .05 X 7.4
7
726-0205
SCHLAUCHKLEMME: .490 DIA
8
726-0272
SCHLAUCHSCHELLE:9/16 DIA
10
751-10349-22
KRAFTSTOFFSCHLAUCH
11
751-11053A
DEFLEKTOR:AUSPUFF
12
751-11278
ZWEIROHR-AUSPUFF:KAW.15HP
13
751-3141
PVC-SCHLAUCH:GLASKLAR:ÖLABLASS
14
783-06378A
HITZESCHILD:TWIN MOTOR
15
783-06387
KONSOLE:DREHZAHLBEGRENZUNG
Qualitätsmanagement
Informieren Sie uns, wenn Sie einen Fehler gefunden haben.