WOLF-Garten Expert

Fahrantrieb 13BD90WG650 (2014)

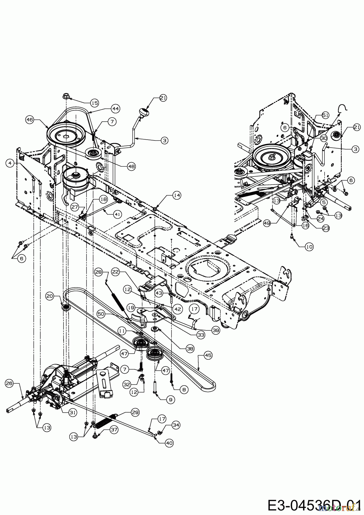
 WOLF-Garten Expert Rasentraktoren Expert 107.175 A 13BD90WG650  (2014) Fahrantrieb
BildNrArtikel NummerBezeichnung
3 647-04035SCHALTHEBEL VOLLST.
4 710-01766KT-SCHR:5/16-18:2.75:GR5:STD
5 WOLF-Garten Expert 6KT-BLECHSCHR:#8-18:0.500:HXIN710-02276KT-BLECHSCHR:#8-18:0.500:HXIN
6 WOLF-Garten Expert 6KT-SCHRAUBE:TT:5/16-18:.750710-044846KT-SCHRAUBE:TT:5/16-18:.750
7 WOLF-Garten Expert 6KT-SCHR:TTSEMS:3/8-16:1.500:710-10076KT-SCHR:TTSEMS:3/8-16:1.500:
8 WOLF-Garten Expert 6KT-SCHR:TT:1/4-20:1.750:HXIND710-10266KT-SCHR:TT:1/4-20:1.750:HXIND
9 710-30116KT-SCHR:3/8-16:2.25:GR5:STD
10 WOLF-Garten Expert 6KT-SCHR:5/16-18 x.625:GR5:STD710-30256KT-SCHR:5/16-18 x.625:GR5:STD
11 WOLF-Garten Expert 6KT-MUTTER:7/16-20:GR2712-02406KT-MUTTER:7/16-20:GR2
12 WOLF-Garten Expert 6KT-MUTTER:3/8-24:GR5712-02416KT-MUTTER:3/8-24:GR5
13 WOLF-Garten Expert 6KT-BUNDMUTTER:5/16-18:NYLON712-040636KT-BUNDMUTTER:5/16-18:NYLON
14 WOLF-Garten Expert S-MUTTER:FLGLK:3/8-16:GRF:TOP712-0431S-MUTTER:FLGLK:3/8-16:GRF:TOP
15 WOLF-Garten Expert 6KT-BUNDMUTTER:9/16-18:GR2712-07006KT-BUNDMUTTER:9/16-18:GR2
16 WOLF-Garten Expert FEDERSTECKER:.072DIA x 1.13 LG714-0104FEDERSTECKER:.072DIA x 1.13 LG
17 WOLF-Garten Expert SPLINT:3/32 x 1.0"714-0111SPLINT:3/32 x 1.0"
18 714-0209ZIEHSPLINT: .125 DIA
19 WOLF-Garten Expert FEDERSTECKER714-04040FEDERSTECKER
20 WOLF-Garten Expert NABE:RIEMENSCHEIBE:5/8 INNEN-718-04407NABE:RIEMENSCHEIBE:5/8 INNEN-
21 720-04028SCHALTKNAUF
22 WOLF-Garten Expert KUGELGELENK:3/8-24 UNF 2B723-3018KUGELGELENK:3/8-24 UNF 2B
23 WOLF-Garten Expert SCHALTKONTAKT:KURZ725-1644SCHALTKONTAKT:KURZ
24 726-0320ISOLIERPLATTE
26 731-04604ABSTANDSHÜLSE:.758x.821x2.4375
27 731-06894FÜHRUNGSSTÜCK:SCHALTUNG
28 732-04612ZUGFEDER:.50 DIA x 13.00 LG
29 732-04616BZUGFEDER:.97 OD x 6.18" LG
30 WOLF-Garten Expert RÜCKZUGSFEDER:SCHALTHEBEL732-0525RÜCKZUGSFEDER:SCHALTHEBEL
31 WOLF-Garten Expert ZUGFEDER: .59 OD x 4.00 LG732-0716DZUGFEDER: .59 OD x 4.00 LG
32 WOLF-Garten Expert FEDERRING 3/8"736-0169FEDERRING 3/8"
33 736-0344SCHEIBE:FLACH:.385x1.000x.030
34 WOLF-Garten Expert SCHEIBE:FLACH:.344x .750x .120736-3008SCHEIBE:FLACH:.344x .750x .120
37 738-04091ASHLDR-SCHR:.43x.29:TT:5/16-18
38 738-04420BUNDBUCHSE:1.375x .380x .183
39 747-04957ASTANGE:GETRIEBE:FUSSPEDAL BYPA
40 747-04984BREMSSTANGE:TRANSMATIK
41 747-05243SCHALTSTANGE:LT-5 STRETCH 46"
42 747-05604STANGE:JUSTIERUNG:SPANNROLLE
43 WOLF-Garten Expert DISTANZSTÜCK:.260x.372x1.420LG750-04456DISTANZSTÜCK:.260x.372x1.420LG
44 754-04208AKEILRIEMEN:V-TYP:5L x 40.75 LG
45 WOLF-Garten Expert KEILRIEMEN:V TYP:5L:90.93:POLY754-0467AKEILRIEMEN:V TYP:5L:90.93:POLY
46 WOLF-Garten Expert KEILRIEMENSCHEIBE:V-TYP:Ò7.25"756-04002KEILRIEMENSCHEIBE:V-TYP:Ò7.25"
47 WOLF-Garten Expert RIEMENSCHEIBE:IDLER 2.75 OD756-04224RIEMENSCHEIBE:IDLER 2.75 OD
48 WOLF-Garten Expert SPANNROLLE:V-TYPE x 3.06756-04325SPANNROLLE:V-TYPE x 3.06
49 783-04595AVERSTELLPLATTE:SCHALTUNG
50 783-06027BSPANNROLLENHALTER:
51 783-06132SCHALTBLECH:F-N-R
Bankeinzug, MasterCard, Visa, American Express, PayPal, Nachnahme, Vorauskasse, Sofortüberweisung