Unersetzlich.com
Home
Kontakt
Versand
Gästebuch
AGB
Impressum
NEUGERÄTE
WOLF-Garten Sortiment
ERSATZTEILE
Ersatzteile für WOLF-Garten Geräte online bestellen
Katalog
WOLF-Garten Expert Ersatzteile
SERVICE
Recherche
Mein Konto
Einloggen
Registrieren
Computer
WOLF-Garten Expert
Übersicht
WOLF-Garten Expert
Rasentraktoren
Expert 105.220 H
13HF91WN650 (2015)
Motorzubehör
Motorzubehör 13HF91WN650 (2015)
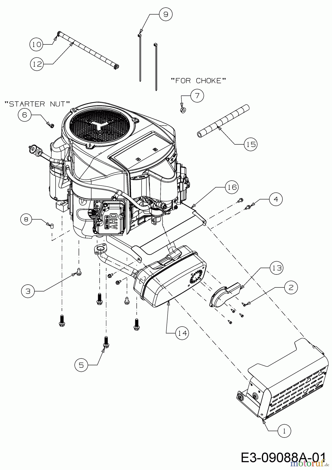
BildNr
Artikel Nummer
Bezeichnung
1
683-04549A
2
710-0227
6KT-BLECHSCHR:#8-18:0.500:HXIN
3
710-04484
6KT-SCHRAUBE:TT:5/16-18:.750
4
710-0599
6KT-SCHRAUBE:TT:1/4-20:0.500
5
710-1315
6KT-SCHRAUBE:TT:3/8-16:1.25:S
6
712-0271
6KT-MUTTER 1/4-20"+ZAHNSCHEIBE
7
712-3005
S-MUTTER M.FLANSCH:3/8-16:GR5
8
720-04199
ABSCHLUSSKAPPE:.280 x .500
9
725-0157
KABELBINDER: 3/16 X .05 X 7.4
10
726-0205
SCHLAUCHKLEMME: .490 DIA
12
751-0535
KRAFTSTOFFSCHLAUCH:SCHWARZ
13
751-11053A
DEFLEKTOR:AUSPUFF
14
751-11471A
SCHALLDÄMPFER:TWIN:KAWA 730CC
15
751-3141
PVC-SCHLAUCH:GLASKLAR:ÖLABLASS
16
783-06378A
HITZESCHILD:TWIN MOTOR
Qualitätsmanagement
Informieren Sie uns, wenn Sie einen Fehler gefunden haben.