Unersetzlich.com
Home
Kontakt
Versand
Gästebuch
AGB
Impressum
NEUGERÄTE
WOLF-Garten Sortiment
ERSATZTEILE
Ersatzteile für WOLF-Garten Geräte online bestellen
Katalog
WOLF-Garten Expert Ersatzteile
SERVICE
Recherche
Mein Konto
Einloggen
Registrieren
Computer
WOLF-Garten Expert
Übersicht
WOLF-Garten Expert
Rasentraktoren
Expert 105.220 H
13HF91WN650 (2014)
Mähwerk N (41"/105cm)
Mähwerk N (41"/105cm) 13HF91WN650 (2014)
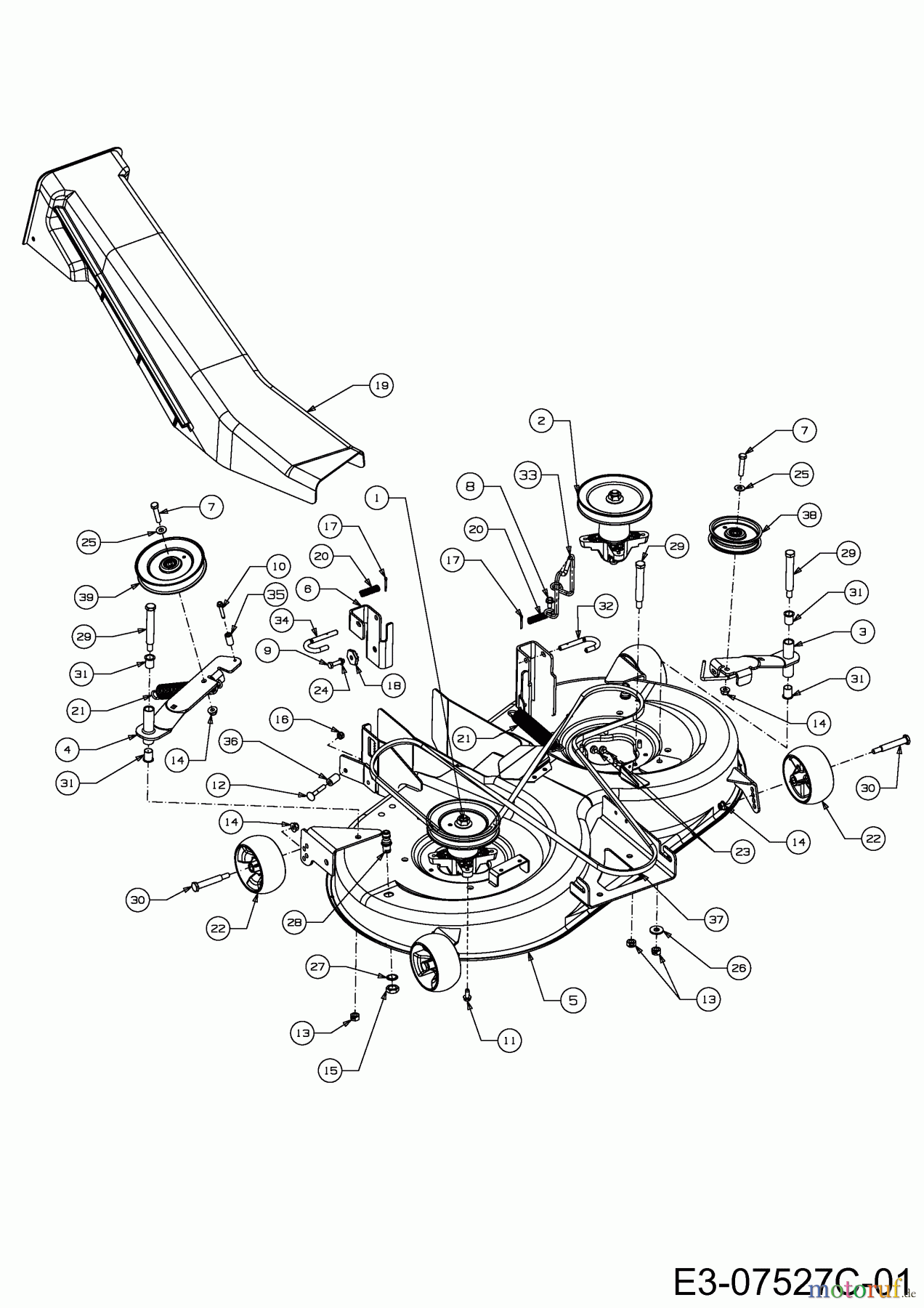
BildNr
Artikel Nummer
Bezeichnung
1
618-04657A
2
618-0609D
3
683-04058C
4
683-04061
SPANNROLLENTRÄGER-RE. E/N-DECK
5
683-04729B
6
683-04797
7
710-0347
6KT-SCHR:3/8-16:1.75:GR5:STD
8
710-04484
6KT-SCHRAUBE:TT:5/16-18:.750
9
710-0528
6KT-SCHR:5/16-18:1.25:GR5:STD
10
710-0778
6KT-SCHR:TT:1/4-20:1.500:HXIND
11
710-1260A
6KT-SCHR:TT:5/16-18:.750
12
710-1719
FL-RUNDSCHR:M8X50 DIN 603-4.6
13
712-0290
6KT-S-MUTTER:7/16-14:GRA:CTRLK
14
712-04065
S-6KT-BUNDMUTTER 3/8-16:NYLON
15
712-0641
6KT-MUTTER:FL:M16-1.5 DIN 936
16
712-0692
S-6KT-MUTTER: M8 DIN 985-8
17
714-0115
SPLINT:1/8 x 1.0"
18
717-04074
ZAHNRAD:Z10:DECKEINSTELLUNG
19
731-07901
AUSWURFKANAL:500 RR DIS
20
732-0306A
DRUCKFEDER: .531 OD x 1.75 LG
21
732-04099
ZUGFEDER:1.25 DIA x 8.224" LG
22
734-04155
DECKRAD:5.0 DIA:BALLFÖRMIG
23
735-0271A
GUMMIDÄMPFER: .62 DIA x .3
24
736-0119
FEDERRING:5/16" NORMALAUSF.
25
736-0300
SCHEIBE:FLACH:.406 x.875 x.059
26
736-04097A
SCHEIBE:FLACH:11.65x28.75x3 mm
27
736-0760
SCHNORR-SCHEIBE 17x23.8x1.95
28
737-04003D
WASCHDÜSE:DECK:
29
738-0476
SCHULTERSCHR:.625x3.50:7/16-14
30
738-3056
SCHULTERSCHR:.496x2.50:3/8-16
31
741-0591
FLANSCHLAGER.630 ID x .693 OD
32
747-04116A
ABSTECKBOLZEN:FREIGABE DECK
33
747-04840
KEILRIEMENFÜHRUNG
34
747-1116
ABSTECKBÜGEL:DECKFREIGABE:.375
35
750-04182
DISTANZSTÜCK:Ò14mm OD x Ò7mmID
36
750-04195
DISTANZBUCHSE Ò16 x Ò8 x 27LG
37
754-04069
KEILRIEMEN:V TYP:HB x 105" LG
38
756-04049
KEILRIEMENSCHEIBE:Ò 4,0" DIA
39
756-04050
KEILRIEMENSCHEIBE:Ò 6.0" DIA
Qualitätsmanagement
Informieren Sie uns, wenn Sie einen Fehler gefunden haben.