Einkaufswagen
Mein Konto

WOLF-Garten Expert

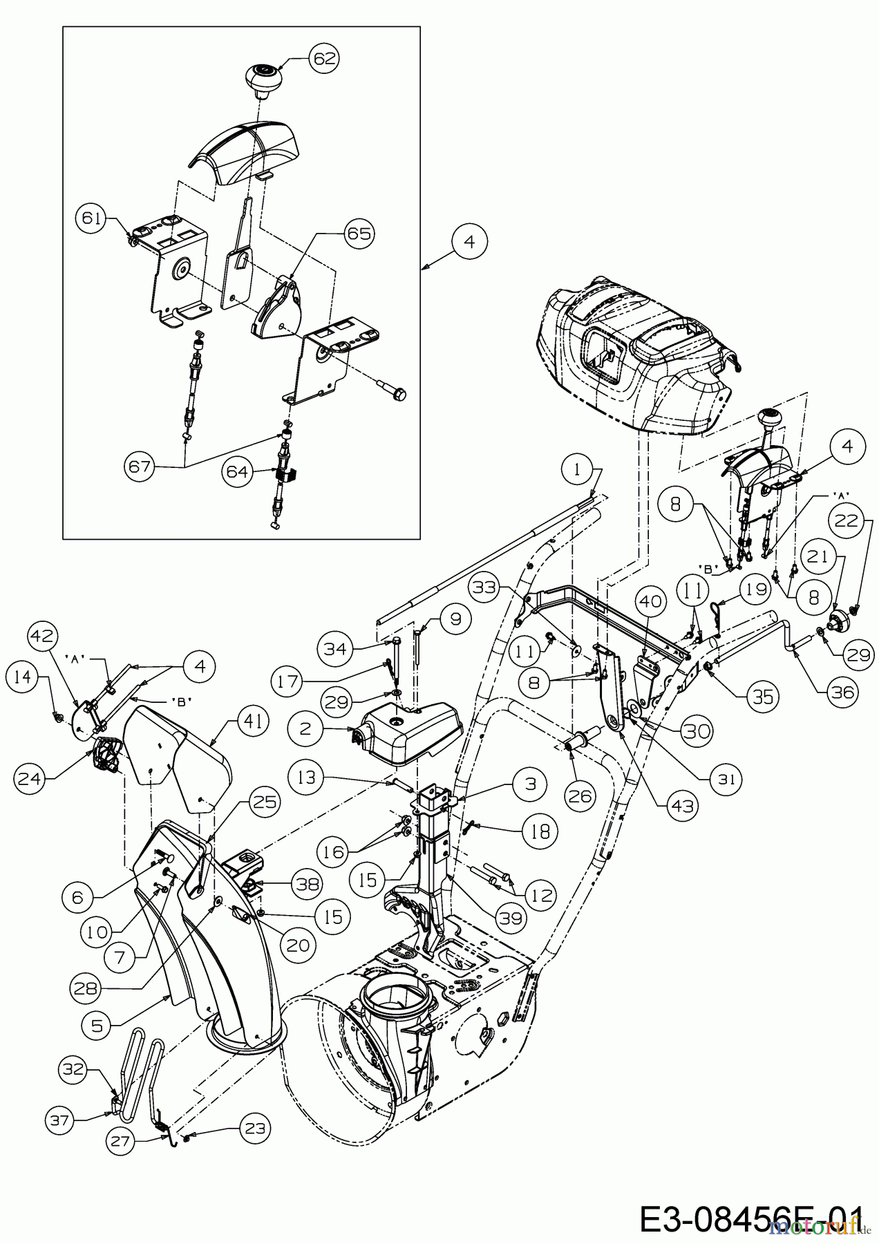
Auswurfschacht, Joystick 31AY55SY650 (2018)

 WOLF-Garten Expert Schneefräsen Expert 7190 HD 31AY55SY650  (2018) Auswurfschacht, Joystick
BildNrArtikel NummerBezeichnung
1 611-05044BSTEUERWELLE
2 WOLF-Garten Expert GETRIEBE:AUSWURF:2-WEGE618-04933BGETRIEBE:AUSWURF:2-WEGE
3 684-05035HALTER AUSWURFSCHACHT
4 684-05044STEUERUNG VST:AUSWURF:2-WEGE
5 684-05023AUSWURFSCHACHT UNTERTEIL
6 710-0262FL-RUNDSCHR:5/16-18:1.50:GR2
7 710-0276FLACHRUNDSCHR: 5/16-18:1.00
8 WOLF-Garten Expert 6KT-SCHRAUBE:HL:1/4-15:0.50710-04187A6KT-SCHRAUBE:HL:1/4-15:0.50
9 710-04370SCHRAUBE 1/4-20X3.00
10 WOLF-Garten Expert 6KT-SCHRAUBE:HL:1/4-15:0.750710-08956KT-SCHRAUBE:HL:1/4-15:0.750
11 WOLF-Garten Expert 6KT-SCHRAUBE:TT:1/4-20:.625710-16526KT-SCHRAUBE:TT:1/4-20:.625
12 710-30116KT-SCHR:3/8-16:2.25:GR5:STD
13 711-04469ABOLZEN MIT KOPF:3/8:1.87
14 WOLF-Garten Expert 6KT-BUNDMUTTER:5/16-18:NYLON712-040636KT-BUNDMUTTER:5/16-18:NYLON
15 WOLF-Garten Expert 6KT-BUNDMUTTER:1/4-20:NYLON712-040646KT-BUNDMUTTER:1/4-20:NYLON
16 WOLF-Garten Expert S-6KT-BUNDMUTTER 3/8-16:NYLON712-04065S-6KT-BUNDMUTTER 3/8-16:NYLON
17 WOLF-Garten Expert FEDERSTECKER:.08 X 1.42"714-0101FEDERSTECKER:.08 X 1.42"
18 WOLF-Garten Expert FEDERSTECKER714-04040FEDERSTECKER
19 714-3020FEDERSTECKER
20 720-0284FLÜGELMUTTER VOLLST.:5/16-18
21 720-04102KNAUF:HÖHENVERSTELLHEBEL
22 726-0100AUFDRUCKKAPPE 3/8": STANGE
23 WOLF-Garten Expert HUTCLIP: 1/4" STANGE726-0106HUTCLIP: 1/4" STANGE
24 731-09535KABELFÜHRUNG
25 731-09539AADAPTER OBERER AUSWURFSCHACHT
26 731-09643VERBINDUNGSSTÜCK
27 732-05087DREHFEDER
28 736-0159SCHEIBE:FL:.349IDx.879ODx.063
29 WOLF-Garten Expert SCHEIBE:FLACH:.375 x.738 x.063736-0185SCHEIBE:FLACH:.375 x.738 x.063
30 WOLF-Garten Expert SCHEIBE:FL:.780x 1.590 x.060736-0316SCHEIBE:FL:.780x 1.590 x.060
31 736-0621SCHEIBE-GEWELLT
32 736-3000SCHEIBE:FLACH:.250 x.750 x.119
33 736-3092SCHEIBE:FLACH:.265x1.0x.030:HD
34 738-04367SCHULTERSCHR.:.312x3.50X1/4-20
35 WOLF-Garten Expert PLASTIK-SCHNAPPLAGER:.385 ID741-0475PLASTIK-SCHNAPPLAGER:.385 ID
36 747-06196
37 747-06199EINGRIFFSCHUTZ
38 748-05057ADAPTER AUSWURFSCHACHT
39 790-00330C
40 790-00341
41 790-00529AUSWURFSCHACHT OBERTEIL
42 790-00565
43 790-00576
61 WOLF-Garten Expert 6KT-BUNDMUTTER:1/4-20:NYLON712-040646KT-BUNDMUTTER:1/4-20:NYLON
62 720-04039KNAUF: SCHALTHEBEL
64 731-07868KABELSCHELLE
65 731-1313CKABELFÜHRUNG
67 746-05091BOWDENZUG AUSWURFSCHACHT
Bankeinzug, MasterCard, Visa, American Express, PayPal, Nachnahme, Vorauskasse, Sofortüberweisung