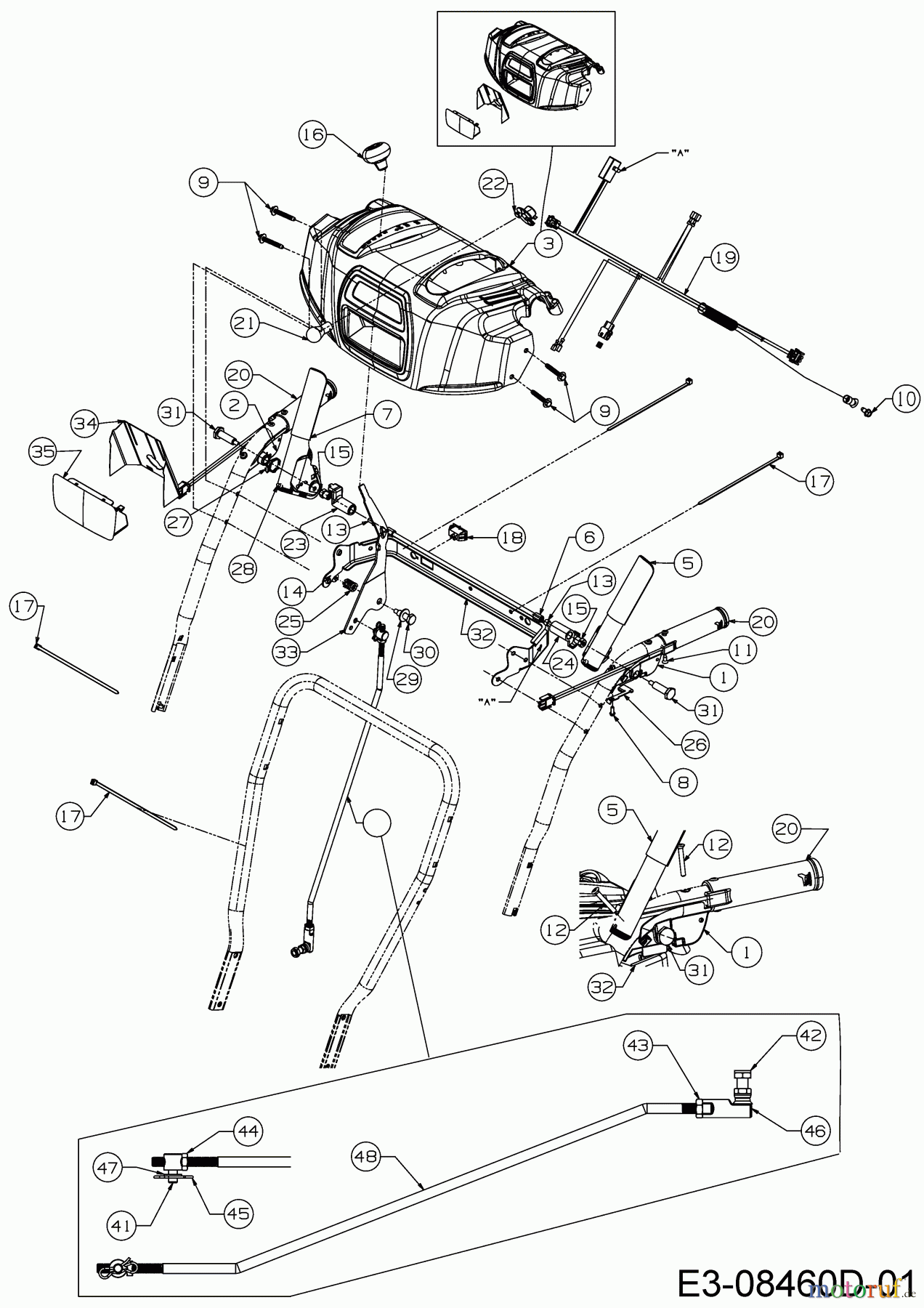
WOLF-Garten Expert

Armaturenbrett, Schalthebel 31AY55SY650 (2018)

 WOLF-Garten Expert Schneefräsen Expert 7190 HD 31AY55SY650  (2018) Armaturenbrett, Schalthebel
BildNrArtikel NummerBezeichnung
1 631-04133AGEHÄUSE VOLLSTÄNDIG
2 WOLF-Garten Expert EINRASTER KUPPLUNGSHEBEL RH631-04134BEINRASTER KUPPLUNGSHEBEL RH
3 631-04187AARMATURENBRETT SCHWARZ
4 647-05032SCHALTSTANGE
5 684-04105CKUPPLUNGSHEBEL VOLLST.: LINKS
6 684-04250STANGE VOLLSTÄNDIG
7 684-05226KUPPLUNGSHEBEL VOLLST.: RECHTS
8 710-043266KT-SCHR:PLASTITE:#8-16 x.50
9 710-045866KT-SCH:TT:1/4-20:1.625:HXINDW
10 WOLF-Garten Expert 6KT-SCHRAUBE:TT:1/4-20:0.500710-05996KT-SCHRAUBE:TT:1/4-20:0.500
11 710-0837SENKSCHR:#10-16:0.625:OVALCSK
12 710-1233SCHRAUBE:#10-24:1.375:OVALCSK
13 710-3069INNEN-6KT-SCHR. 1/4-20 x.50
14 WOLF-Garten Expert 6KT-BUNDMUTTER:1/4-20:NYLON712-040646KT-BUNDMUTTER:1/4-20:NYLON
15 712-04081A6K-BUNDMUTTER:1/4-20
16 720-04039KNAUF: SCHALTHEBEL
17 725-0157KABELBINDER: 3/16 X .05 X 7.4
18 725-04393SCHALTER
19 725-05148ETEKTRISCHE LEITUNG
20 725-06107HANDGRIFF BEHEIZBAR
21 725-1629GLÜHBIRNE: # 1141
22 WOLF-Garten Expert LAMPEN-FASSUNG: 1/4 DREHUNG725-1649LAMPEN-FASSUNG: 1/4 DREHUNG
23 731-04894DSPERRKLINKE
24 731-04896BSCHALTNOCKEN: ARRET. KUPPLUNG
25 732-0193DRUCKFEDER: .39 x .60 x .88 LG
26 732-04219CFEDER:ARRETIERUNG:KUPPLUNG
27 WOLF-Garten Expert DREHFEDER:0.8156 ID x .3038732-04238BDREHFEDER:0.8156 ID x .3038
28 WOLF-Garten Expert GUMMISTOPFEN:.62 OD x .22 THK735-0199AGUMMISTOPFEN:.62 OD x .22 THK
29 736-0267SCHEIBE:FL:.385 x.87 x.06:HT
30 738-04125SCHULTERSCHR:.374 DIA.x 1.05LG
31 738-04348SCHULTERSCHR:.437x1.345:1/4-20
32 790-00248E
33 790-00311C
34 777X41804REFLEKTORFOLIE SCHEINWERFER
35 731-05324LICHTBLENDE ARMATURENBRETT
41 WOLF-Garten Expert SPINDELMUTTER:5/16-18x.312 DIA711-0677SPINDELMUTTER:5/16-18x.312 DIA
42 WOLF-Garten Expert 6KT-S-MUTTER:3/8-24:GR2:NYLON712-01166KT-S-MUTTER:3/8-24:GR2:NYLON
43 WOLF-Garten Expert 6KT-MUTTER:3/8-24:GR5712-07116KT-MUTTER:3/8-24:GR5
44 WOLF-Garten Expert 6KT-MUTTER:5/16-18:GR5712-30076KT-MUTTER:5/16-18:GR5
45 WOLF-Garten Expert FEDERSTECKER714-04040FEDERSTECKER
46 WOLF-Garten Expert KUGELGELENK:3/8-24 UNF 2B723-3018KUGELGELENK:3/8-24 UNF 2B
47 736-3081FL-SCHEIBE:.320x.600x.060:HT
48 747-06190ASCHALTSTANGE
Bankeinzug, MasterCard, Visa, American Express, PayPal, Nachnahme, Vorauskasse, Sofortüberweisung
Qualitätsmanagement
Informieren Sie uns, wenn Sie einen Fehler gefunden haben.