Unersetzlich.com
Home
Kontakt
Versand
Gästebuch
AGB
Impressum
NEUGERÄTE
WOLF-Garten Sortiment
ERSATZTEILE
Ersatzteile für WOLF-Garten Geräte online bestellen
Katalog
WOLF-Garten Expert Ersatzteile
SERVICE
Recherche
Mein Konto
Einloggen
Registrieren
Computer
WOLF-Garten Expert
Übersicht
WOLF-Garten Expert
Rasentraktoren
106.230 H
13AQA1VR350 (2018)
Lenkung
Lenkung 13AQA1VR350 (2018)
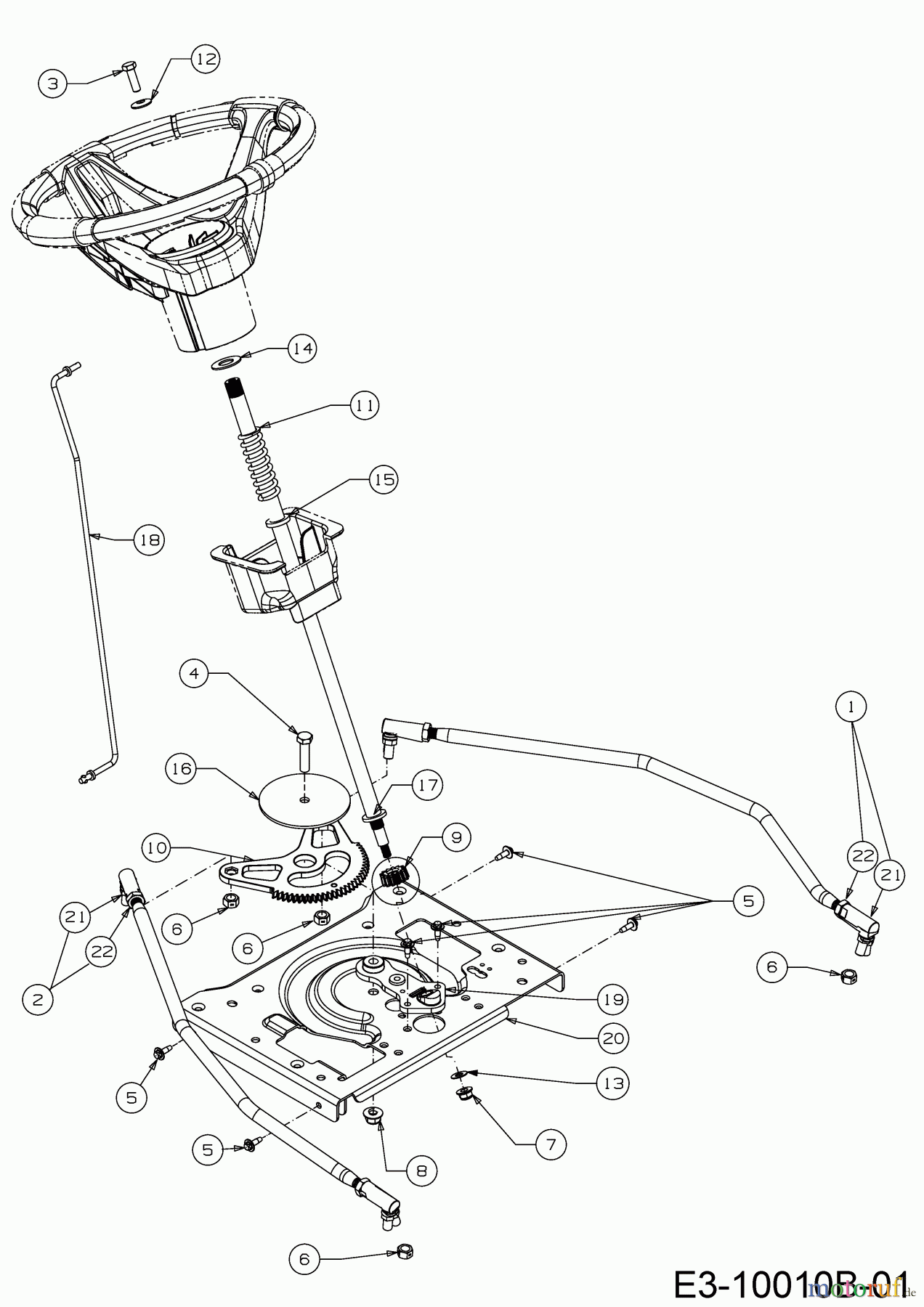
BildNr
Artikel Nummer
Bezeichnung
1
647-05107
SPURSTANGE VOLLST:LINKS
2
647-05108
SPURSTANGE VOLLST:RECHTS
3
710-0117A
6KT-S-SCHR:5/16-24:1.00:GR5
4
710-0520
6KT-SCHR:3/8-16:1.50:GR5:STD
5
710-06133
6KT-SCHR:TAP:CF:M6-1 x.660"
6
712-0214
6KT-S-MUTTER:3/8-24:GRB:CTRLK
7
712-04063
6KT-BUNDMUTTER:5/16-18:NYLON
8
712-04065
S-6KT-BUNDMUTTER 3/8-16:NYLON
9
717-05193B
RITZEL:13ZÄHNE:LENKUNG
10
717-05225C
ZAHNSEGMENT:16" LENKUNG NX15
11
732-05522A
DRUCKFEDER:.150 x .675 x 2.9
12
736-0242
TELLERFEDER.340 x.872 x.060
13
736-0278
SCHEIBE:FL:.330x.687x.030:HD
14
736-0335
DRUCKSCHEIBE:.635 x 1.26 x.06
15
736-04296
SCHEIBE:FLACH:.632 x.1.00 x.16
16
736-05125A
SCHEIBE:FLACH:.385x3.75x.120
17
738-05043
LENKWELLE:.625 OD x 20" LG
18
747-06192A
STANGE:STEUERUNG:CRUISE/BREMSE
19
748-05071A
LENKWELLEN:FÜHRUNG:LAGER
20
783-08386D
21
723-05009
KUGELGELENK:7/16-20:LOCK:BLK
22
712-05093
6KT-S-MUTTER:7/16-20:GR2:BLK
Qualitätsmanagement
Informieren Sie uns, wenn Sie einen Fehler gefunden haben.