Unersetzlich.com
Home
Kontakt
Versand
Gästebuch
AGB
Impressum
NEUGERÄTE
WOLF-Garten Sortiment
ERSATZTEILE
Ersatzteile für WOLF-Garten Geräte online bestellen
Katalog
WOLF-Garten Expert Ersatzteile
SERVICE
Recherche
Mein Konto
Einloggen
Registrieren
Computer
WOLF-Garten Expert
Übersicht
WOLF-Garten Expert
Rasentraktoren
106.230 H
13AQA1VR350 (2018)
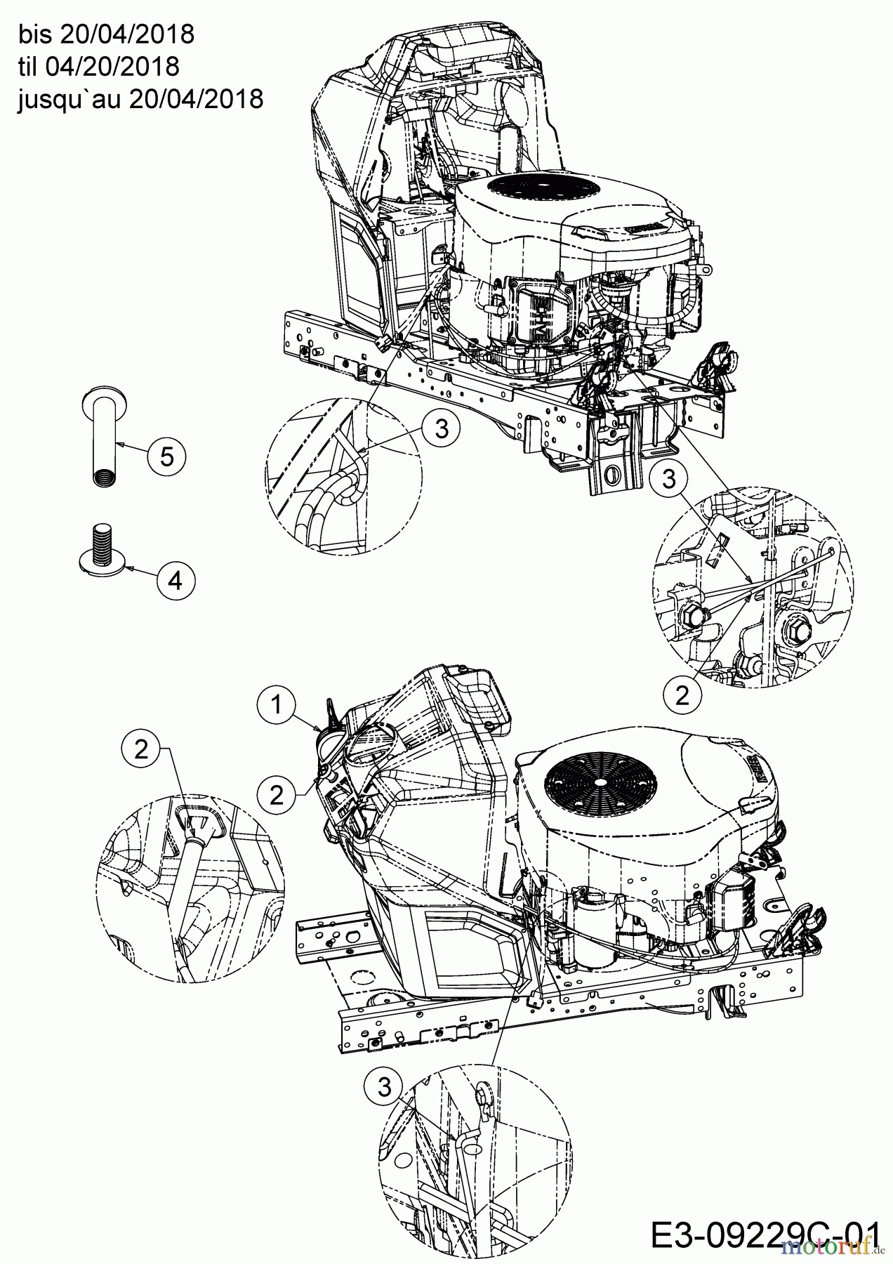
Choke- und Gaszug bis 20/04/2018
13AQA1VR350 (2018) 106.230 H
BildNr
Artikel Nummer
Bezeichnung
1
746-05223
GASFERNBEDIENUNG VOLLST.
2
746-05235
CHOKE-FERNBEDIENUNG VOLLST.
3
747-06308
STANGE:KABELFÜHRUNG (GALVANIS.
4
710-07114
HÜLSENSCHRAUBE:#8-32:0.375:
5
710-07134
HÜLSENMUTTER:#8-32:1.13:VERZ.
Qualitätsmanagement
Informieren Sie uns, wenn Sie einen Fehler gefunden haben.