Unersetzlich.com
Gartengeräte und Ersatzteile
Einkaufswagen
leer
Mein Konto
Einloggen
Registrieren
Home
Kontakt
Versand
Gästebuch
AGB
Impressum
NEUGERÄTE
WOLF-Garten Sortiment
ERSATZTEILE
Ersatzteile für WOLF-Garten Geräte online bestellen
Katalog
WOLF-Garten Expert Ersatzteile
SERVICE
Recherche
Mobilversion
WOLF-Garten Expert
Übersicht
WOLF-Garten Expert
Rasentraktoren
106.230 H
13AQA1VR350 (2018)
Motorzubehör
Motorzubehör 13AQA1VR350 (2018)
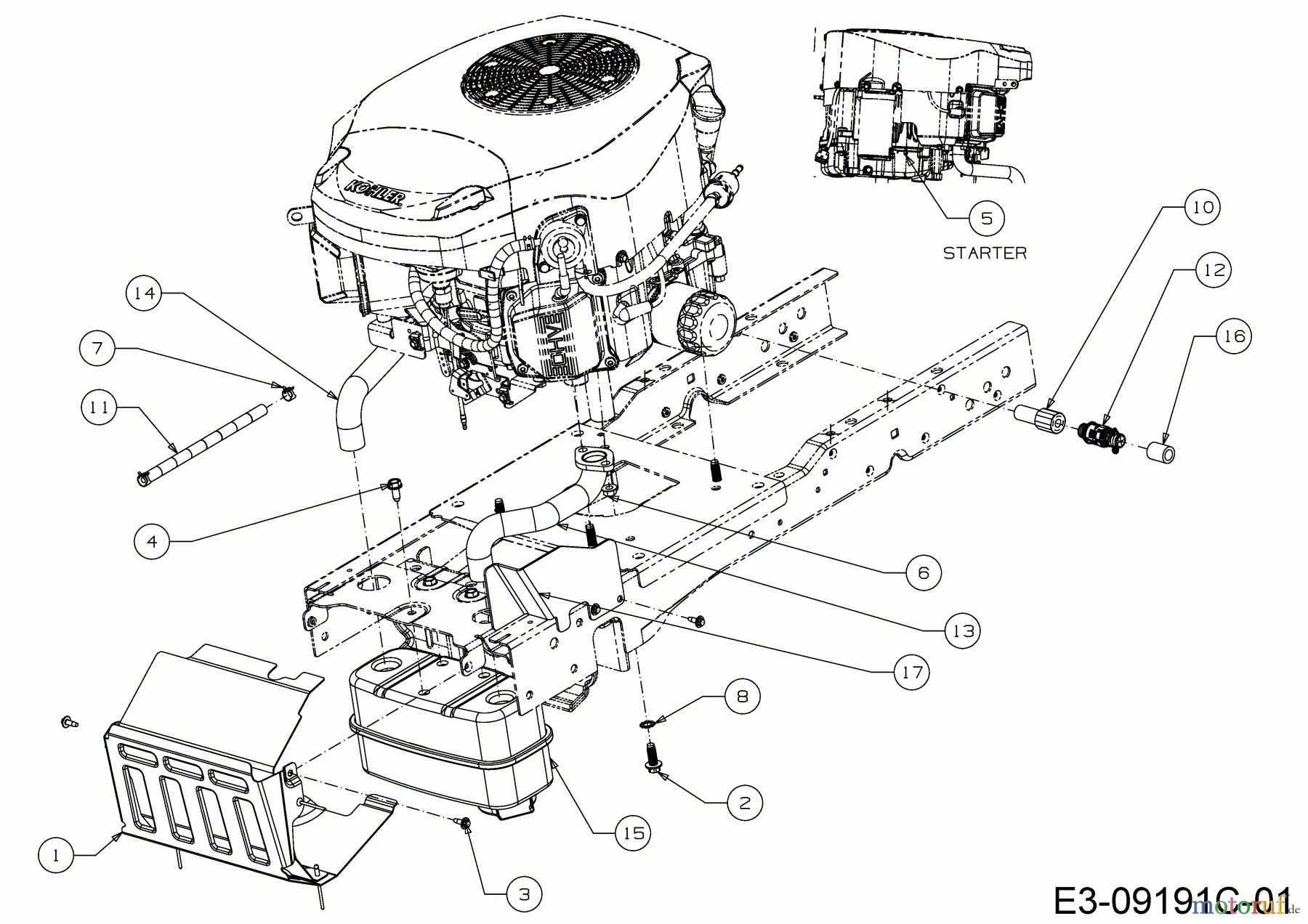
BildNr
Artikel Nummer
Bezeichnung
1
683-05142A
HITZESCHILD VST:SCHALLDÄMPFER
2
710-04683C
6KT-SCHRAUBE:TT:3/8-16:1.000
3
710-06133
6KT-SCHR:TAP:CF:M6-1 x.660"
4
710-06256
6KT-SCHRAUBE:TT:M8-1.25 x.750
5
712-05106
6KT-S-MUTTER:JAMLK:1/4-20:GRA
6
712-3086
6KT-MUTTER/FLANSCH: M8-1.25
7
726-0205
SCHLAUCHKLEMME: .490 DIA
8
736-0148
ZAHNSCHEIBE:3/8
10
737-05126
ADAPTER:ÖLBLASS:3/8-18x3/8-18
11
751-10349
KRAFTSTOFFSCHLAUCH:DURCHGANG
12
751-10517A
ÖLABLASSSTUTZEN MIT KAPPE
13
751-14478A
ABGASROHR:LINKS:KOHLER TWIN
14
751-14479A
ABGASROHR:RECHTS:KOHLER TWIN
15
751-14503A
SCHALLDÄMPFER:TWIN:MIT
16
751-3141
PVC-SCHLAUCH:GLASKLAR:ÖLABLASS
17
783-08814A-S
HITZESCHUTZ AUSPUFFROHR