WOLF-Garten Expert
Schaltplan Elektromagnetkupplung 13PAA1VR650 (2018)

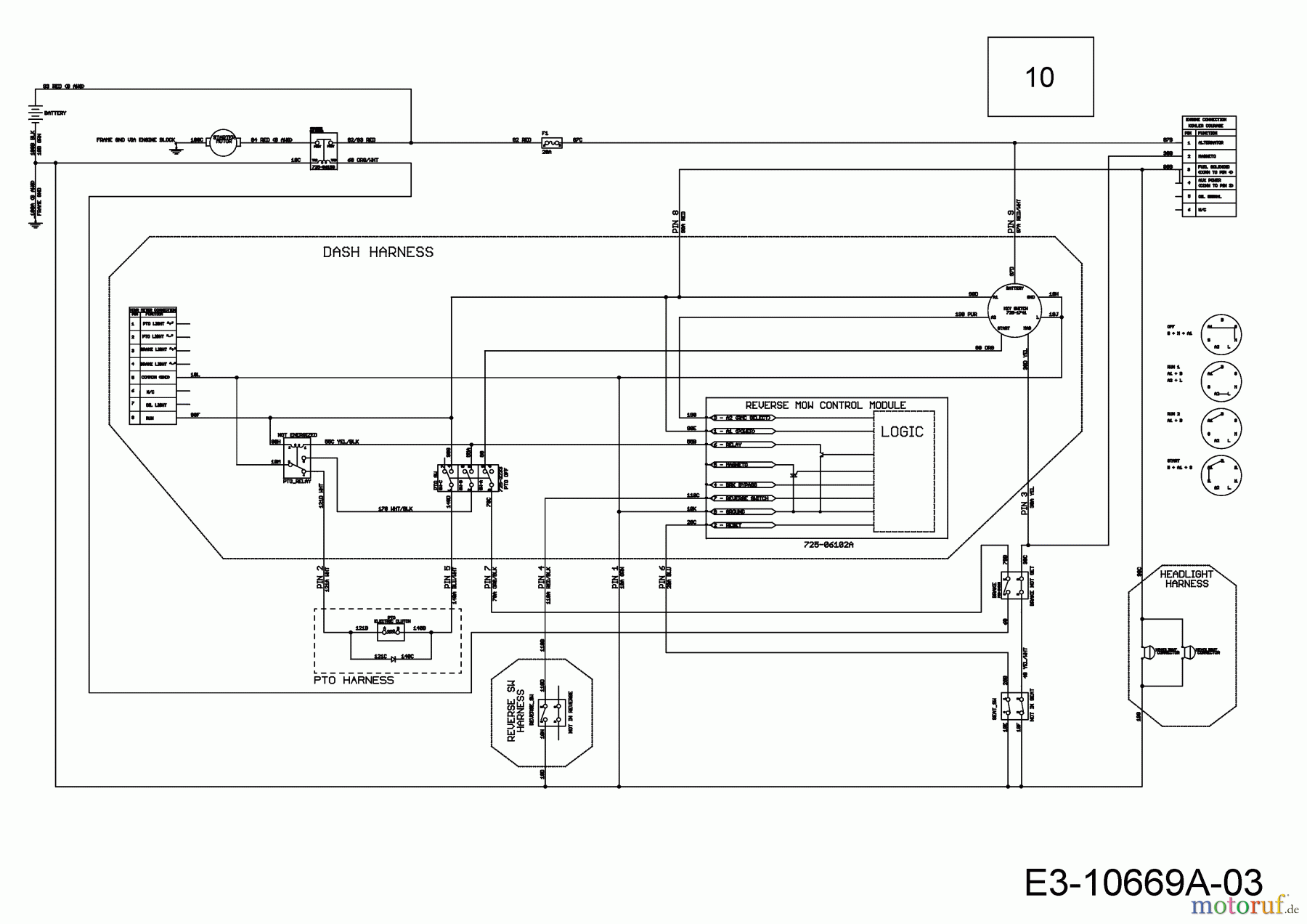
| BildNr | Artikel Nummer | Bezeichnung | |
| 10 | 725-06173 | KABELBAUM (DRAHTBRÜCKE) EPTO | |


Qualitätsmanagement
Informieren Sie uns, wenn Sie einen Fehler gefunden haben.
| BildNr | Artikel Nummer | Bezeichnung | |
| 10 | 725-06173 | KABELBAUM (DRAHTBRÜCKE) EPTO | |

