Unersetzlich.com
Home
Kontakt
Versand
Gästebuch
AGB
Impressum
NEUGERÄTE
WOLF-Garten Sortiment
ERSATZTEILE
Ersatzteile für WOLF-Garten Geräte online bestellen
Katalog
WOLF-Garten Expert Ersatzteile
SERVICE
Recherche
Mein Konto
Einloggen
Registrieren
Computer
WOLF-Garten Expert
Übersicht
WOLF-Garten Expert
Rasentraktoren
106.220 HP
13PAA1VR650 (2018)
Elektroteile
Elektroteile 13PAA1VR650 (2018)
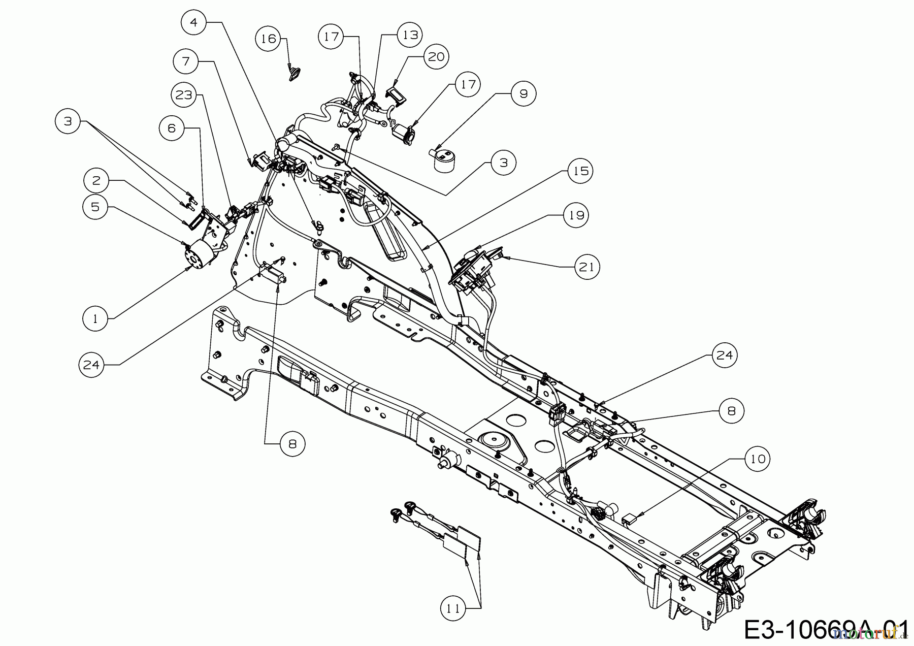
BildNr
Artikel Nummer
Bezeichnung
1
625-05154A
FÜLLSTANDSANZEIGE:AUD:PTO OFF
2
631-05670
SCHALTRASTE:ADJ:GRSBG GEFÜLLT
3
710-06133
6KT-SCHR:TAP:CF:M6-1 x.660"
4
710-06256
6KT-SCHRAUBE:TT:M8-1.25 x.750
5
712-0161
6KT-S-MUTTER:#10-24:GR2:NYLON
6
720-05174
RÄNDELSCHRAUBE:M3-0,5mm:Ò5:BLK
7
725-04165
KONTAKTSCHALTER:NEUTRAL
8
725-04363
KONTAKTSCHALTER:NO/NC:4 POLIG
9
725-04532
SCHUTZKAPPE F.POLKLEMME ROT
10
725-06173
KABELBAUM (DRAHTBRÜCKE) EPTO
11
725-06779B
ZÜNDSCHLÜSSEL:PBS
12
725-06994
KABELBAUM:NX15RD:EPTO:PBS:DLR:
13
725-06999
KABELBAUM:LADESTATION:NETZAN-
14
725-07007
MODUL:BT:PBS (BLUETOOTH)
15
725-07449A
16
725-1700
ABDECKKAPPE:SCHALTER
17
725-2003
STECKDOSE:12V
18
725-3166
KONTAKTSCHALTER:GRASFANGSACK
19
725-3233A
ZUGSCHALTER:PTO:ZUGKNOPF GELB:
20
731-04010
ABDECKUNG:SCHALTER:PTO
21
731-11495
VERSCHLUSSKAPPE:ARMATURENBRETT
22
731-13470
SCHALTRASTE:ADJ:GRSBG GEFÜLLT
23
738-04135
SCHULTERSCHRAUBE:.25x.50:10-24
24
738-04237A
SCHULTERSCHR:T:#10-32:.500
Qualitätsmanagement
Informieren Sie uns, wenn Sie einen Fehler gefunden haben.