Unersetzlich.com
Home
Kontakt
Versand
Gästebuch
AGB
Impressum
NEUGERÄTE
WOLF-Garten Sortiment
ERSATZTEILE
Ersatzteile für WOLF-Garten Geräte online bestellen
Katalog
WOLF-Garten Expert Ersatzteile
SERVICE
Recherche
Mein Konto
Einloggen
Registrieren
Computer
WOLF-Garten Expert
Übersicht
WOLF-Garten Expert
Rasentraktoren
106.220 HP
13PAA1VR650 (2018)
Grasfangeinrichtung
Grasfangeinrichtung 13PAA1VR650 (2018)
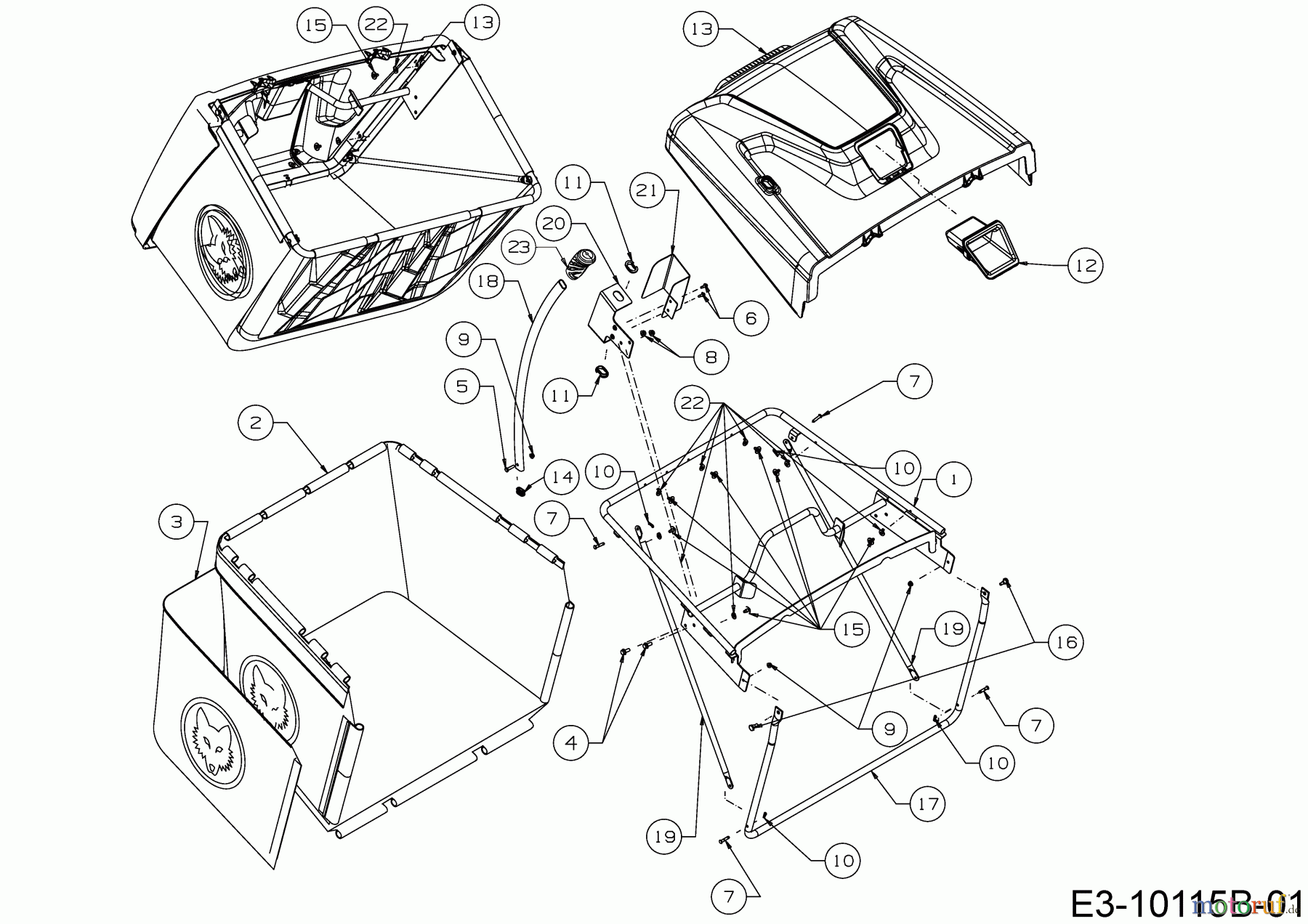
BildNr
Artikel Nummer
Bezeichnung
1
649-05115A
2
664-05106
GRASFANGSACK VOLLST:360L:WOLF
3
664-05112
STAUBSCHUTZ:GRSBG:360L:WOLF
4
710-04043
6KT-SCHR/FLG:5/16-18:0.75:GR5
5
710-0597
6KT-SCHR:1/4-20:1.00:GR5:STD
6
710-06133
6KT-SCHR:TAP:CF:M6-1 x.660"
7
711-06704
LAGERBOLZEN:.25 DIA x 1.25 LG
8
712-04063
6KT-BUNDMUTTER:5/16-18:NYLON
9
712-04064
6KT-BUNDMUTTER:1/4-20:NYLON
10
714-04033
FEDERSTECKER:.072 x.92 LG
11
731-12267A
FLANSCHLAGER:EINRASTEN
12
731-12672
GRIFFMULDE:HRDTP:GRSBG:ROT
13
731-12681
ABDECKUNG (HARDTOP) GRSBG:GRAY
14
731-12724
VERSCHLUSSSTOPFEN:OVAL:30x15:
15
738-05215
6KT-S:SHLD:TT:.342x.245:1/4-28
16
738-0974
SCHULTERSCHR:.375x.380:1/4-20
17
749-05632
ROHRRAHMEN GRSBG:VORDERTEIL
18
749-05643
ROHR:BEDIENHEBEL:GRSBG:RD
19
749-05644
ROHR:LÄNGSSTREBE:GRSBG
20
783-09387
21
783-09404
22
783-09405A
SCHEIBE MIT AUSSENNASE:.352 ID
23
720-05125
HANDGRIFF:HEBEL:GRSBG
Qualitätsmanagement
Informieren Sie uns, wenn Sie einen Fehler gefunden haben.