Unersetzlich.com
Home
Kontakt
Versand
Gästebuch
AGB
Impressum
NEUGERÄTE
WOLF-Garten Sortiment
ERSATZTEILE
Ersatzteile für WOLF-Garten Geräte online bestellen
Katalog
WOLF-Garten Expert Ersatzteile
SERVICE
Recherche
Mein Konto
Einloggen
Registrieren
Computer
WOLF-Garten Expert
Übersicht
WOLF-Garten Expert
Rasentraktoren
106.220 HP
13PAA1VR650 (2018)
Abdeckungen Mähwerk R
Abdeckungen Mähwerk R 13PAA1VR650 (2018)
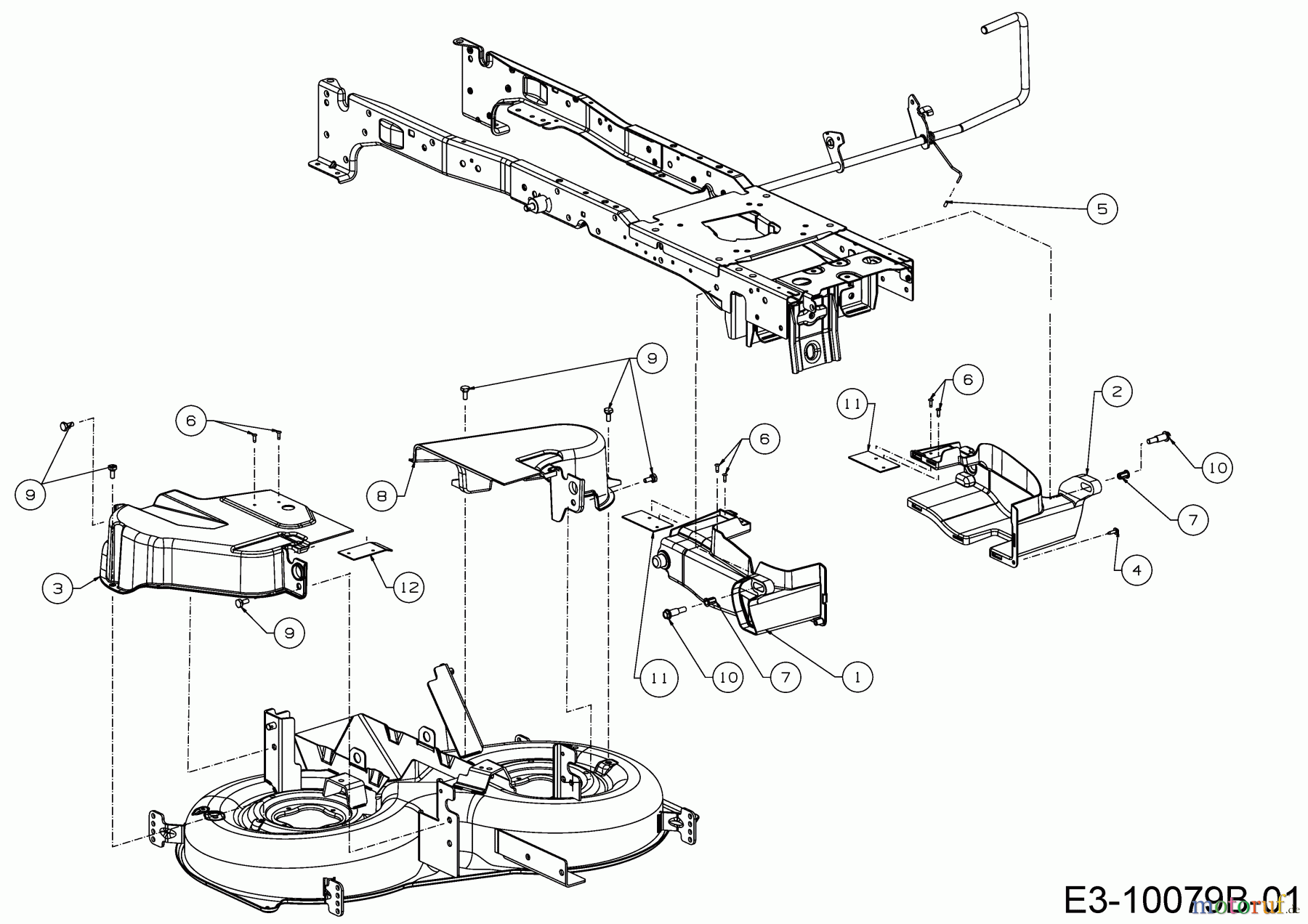
BildNr
Artikel Nummer
Bezeichnung
1
631-05549
ABDECKUNG VST:DK:MITTE:RECHTS
2
631-05550
ABDECKUNG VST:DK:MITTE:LINKS
3
631-05551
ABDECKUNG VST:DK:RECHTE SEITE
4
710-06147
6KT-SCHRAUBE:PLA:1/4-10:.750
5
720-05177
ENDKAPPE:VINYL:0.13x0.20x0.50:
6
728-0123
BLINDNIET:.187 DIA x.450:STY1
7
728-04062A
6KT-NIETMUTTER:3/8-16 FLANSCH
8
731-12536
ABDECKUNG:DECK:LINKE SEITE
9
738-04033
SCHULTERSCHR:.428x.160:5/16-18
10
738-0966A
SCHULTERSCHR:.50 x.925:3/8-16
11
783-09552A
12
783-09558A
Qualitätsmanagement
Informieren Sie uns, wenn Sie einen Fehler gefunden haben.