Unersetzlich.com
Home
Kontakt
Versand
Gästebuch
AGB
Impressum
NEUGERÄTE
WOLF-Garten Sortiment
ERSATZTEILE
Ersatzteile für WOLF-Garten Geräte online bestellen
Katalog
WOLF-Garten Expert Ersatzteile
SERVICE
Recherche
Mein Konto
Einloggen
Registrieren
Computer
WOLF-Garten Expert
Übersicht
WOLF-Garten Expert
Rasentraktoren
106.220 HP
13PAA1VR650 (2018)
Mähwerk R
Mähwerk R 13PAA1VR650 (2018)
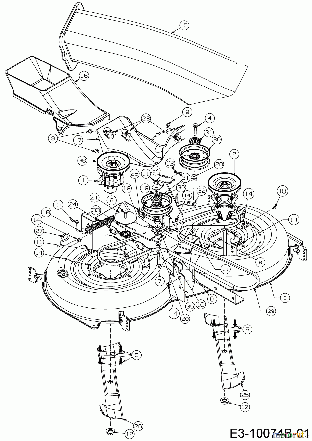
BildNr
Artikel Nummer
Bezeichnung
1
618-07257AET
GETRIEBE(GEARBOX)VST:DECK 105
2
618-07277
MESSERSPINDEL VOLLST:
3
683-05295637
MÄHDECK VOLLST:105cm:NX15-RD
4
710-06178
6KT-SCHR:SEMS:3/8-16x2.00:GR8
5
710-06322
6KT-SCHRAUBE:TT:5/16-18:0.875
6
710-3005
6KT-SCHR:3/8-16:1.25:GR5:STD
7
710-3011
6KT-SCHR:3/8-16:2.25:GR5:STD
8
711-0993
KEILRIEMENFÜHRUNG:Ò1/4 x 1.43
9
712-04063
6KT-BUNDMUTTER:5/16-18:NYLON
10
712-04064
6KT-BUNDMUTTER:1/4-20:NYLON
11
712-04217
6KT-BUNDMUTTER:3/8-16:GRF:LOCK
12
712-05134
6KT-BUNDMUTTER:5/8-18:GR2
13
714-05005
FEDERSTECKER:7/16"-1/2"
14
728-05012
NIETMUTTER:LOCK:5/16-18
15
731-12153
AUSWURFKANAL:VERLÄNGERUNG
16
731-12210
AUSWURFKANAL:DECK:BASISAUSF.
17
731-12313
LEITSTÜCK(ZUNGE) 105cm
18
732-04960
ZUGFEDER:.94 OD x 7.57"LG:ZINC
19
736-0258
SCHEIBE:FLACH:.385x1.000x.135
20
736-04481
TELLERFEDER:.375 x.870 x.63
21
736-05125A
SCHEIBE:FLACH:.385x3.75x.120
23
738-04033
SCHULTERSCHR:.428x.160:5/16-18
24
738-05099
DISTANZSTÜCK:m.BUND:.854 x.191
25
742-05253
PROPELLERMESSER:CW:21.21":105
26
742-05254
PROPELLERMESSER:CCW:21.21":105
27
747-06373
FEDERHAKEN:1.30"
28
748-05029A
BUNDBUCHSE:SPANNROLLE
29
754-05154
KEILRIEMEN:V TYP:A SEC x98.06"
30
756-05034A
SPANNROLLE: Ò 4.50"
31
783-08389
ABDECKBLECH:RND:SPANNROLLE:HD
32
783-08690637
KEILRIEMENSCHUTZ
33
783-09179-Z
BL:SPANNROLLENTRÄGER:VERZINKT
34
783-09341-Z
RIEMENFÜHRUNG:SPANNRLE:VERZ.
35
783-09362
BLECH:KEILRIEMENFÜHRUNG
36
756-05245
KEILRIEMENSCHEIBE:DECK:5.570OD
Qualitätsmanagement
Informieren Sie uns, wenn Sie einen Fehler gefunden haben.