Unersetzlich.com
Home
Kontakt
Versand
Gästebuch
AGB
Impressum
NEUGERÄTE
WOLF-Garten Sortiment
ERSATZTEILE
Ersatzteile für WOLF-Garten Geräte online bestellen
Katalog
WOLF-Garten Expert Ersatzteile
SERVICE
Recherche
Mein Konto
Einloggen
Registrieren
Computer
WOLF-Garten Expert
Übersicht
WOLF-Garten Expert
Rasentraktoren
106.220 HP
13PAA1VR650 (2018)
Fahrantrieb
Fahrantrieb 13PAA1VR650 (2018)
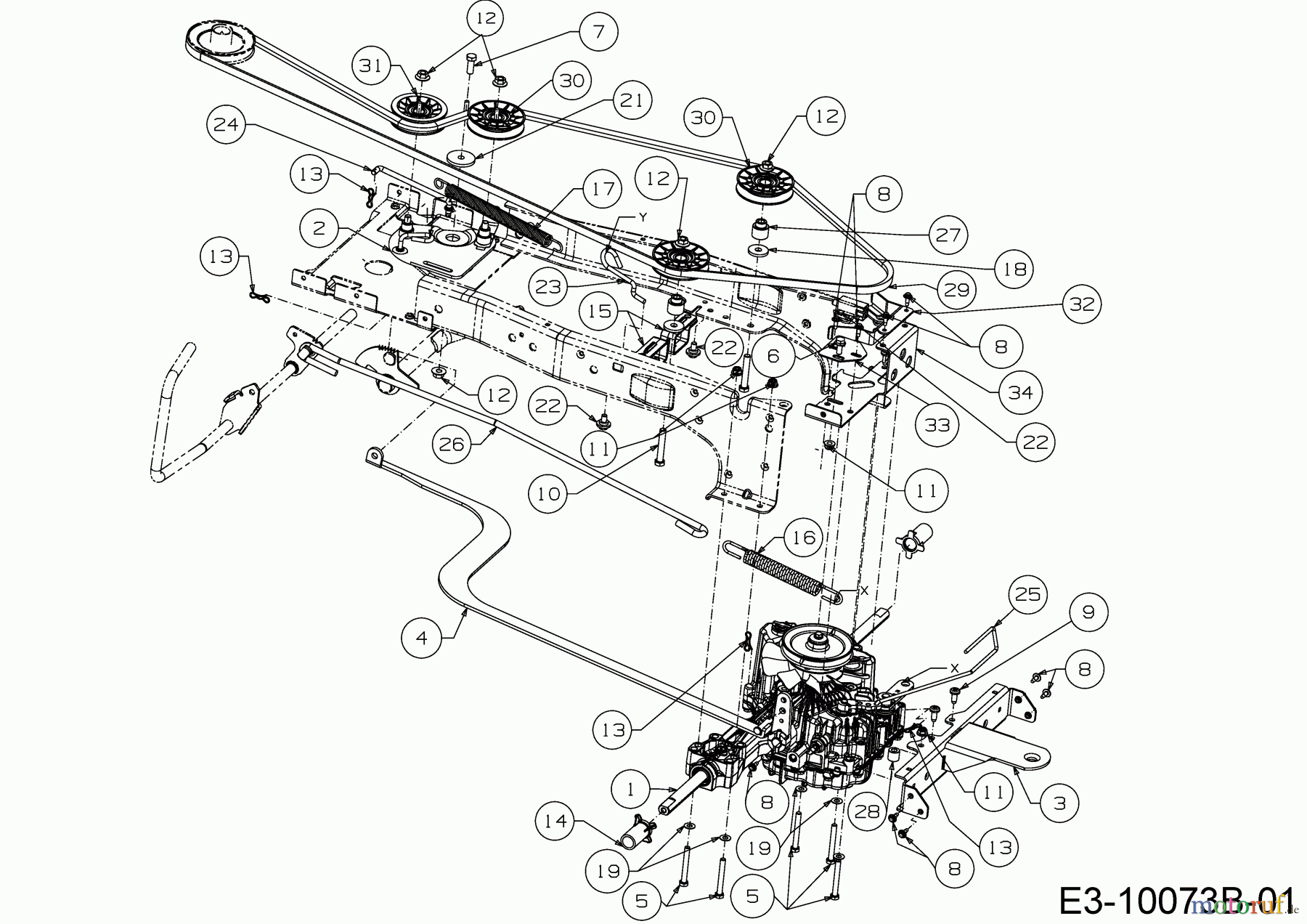
BildNr
Artikel Nummer
Bezeichnung
1
618-07301
GETRIEBE VOLLST:HYDRO:K46:RD
2
683-05308A
SPANNROLLENTRÄGER VST:NX15 RD
3
683-05314
4
683-05320
5
710-0378
6KT-SCHR:5/16-18:2.50:GR5:STD
6
710-04043
6KT-SCHR/FLG:5/16-18:0.75:GR5
7
710-0514
6KT-SCHR:3/8-16:1.00:GR5:STD
8
710-06133
6KT-SCHR:TAP:CF:M6-1 x.660"
9
710-1611B
SCHR:TT:5/16-18:0.750:PANTRXI
10
710-3011
6KT-SCHR:3/8-16:2.25:GR5:STD
11
712-04063
6KT-BUNDMUTTER:5/16-18:NYLON
12
712-04217
6KT-BUNDMUTTER:3/8-16:GRF:LOCK
13
714-04040
FEDERSTECKER
14
731-08237
AUFSTECKHÜLSE:.765 ID x 2.11LG
15
731-12600A
FÜHRUNGSKLEMME
16
732-05146
ZUGFEDER:0.90 DIA X 8.14" LG
17
732-05523
ZUGFEDER:0.570 x 10.96
18
736-0247
SCHEIBE:FL:.406x1.250x.157:HD
19
736-0278
SCHEIBE:FL:.330x.687x.030:HD
21
738-04162C
BUNDSCHEIBE:.8840 x .190
22
738-0930
6KT:SHLDR:.560x.165:TT:5/16-18
23
747-05608
FEDERHAKEN:MÄHDECK
24
747-06193B
STANGE:JUSTIERUNG:SPANNROLLE
25
747-06777
STANGE:BYPASS:HYDRO:K46
26
747-06808
BREMSSTANGE
27
748-05037B
DISTANZSTÜCK:SPANNROLLE/HALTER
28
750-06201
DISTANZSTÜCK:.34 x .75 X .63
29
754-05157A
KEILRIEMEN:V TYP:A SECx109.90"
30
756-05024
SPANNROLLE:3.56 OD
31
756-05032
SPANNROLLE:FLACH:3.00 OD
32
783-09454637
KEILRIEMENFÜHRUNG:GETRIEBE
33
783-09650
34
783-09651
Qualitätsmanagement
Informieren Sie uns, wenn Sie einen Fehler gefunden haben.