Unersetzlich.com
Home
Kontakt
Versand
Gästebuch
AGB
Impressum
NEUGERÄTE
WOLF-Garten Sortiment
ERSATZTEILE
Ersatzteile für WOLF-Garten Geräte online bestellen
Katalog
WOLF-Garten Expert Ersatzteile
SERVICE
Recherche
Mein Konto
Einloggen
Registrieren
Computer
WOLF-Garten Expert
Übersicht
WOLF-Garten Expert
Rasentraktoren
106.220 HP
13PAA1VR650 (2018)
Anschlag Batterieabdeckung, Sperrklinken Grasfangsack
Anschlag Batterieabdeckung, Sperrklinken Grasfangsack 13PAA1VR650 (2018)
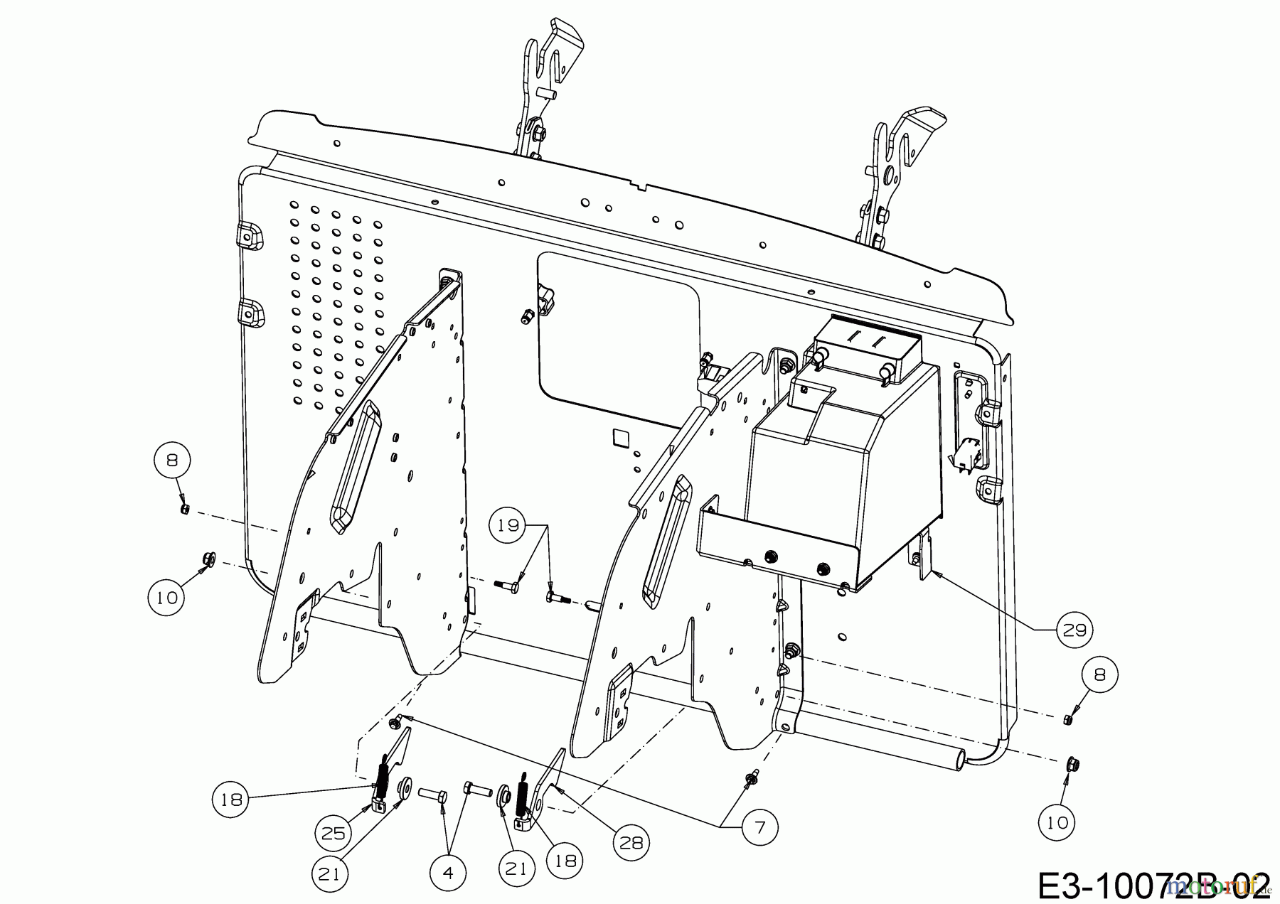
BildNr
Artikel Nummer
Bezeichnung
1
649-05113637
RAHMENSTÜTZE VOLLST:BAG
2
683-05450A-Z
AUFNAHME-RE.VST:GRSBG:VERZINKT
3
683-05451A-Z
AUFNAHME-LI.VST:GRSBG:VERZINKT
4
710-0376
6KT-SCHR:5/16-18:1.00:GR5:STD
5
710-04043
6KT-SCHR/FLG:5/16-18:0.75:GR5
6
710-04482
6KT-SCHR:FLG:3/8-16:.875:GR5
7
710-06133
6KT-SCHR:TAP:CF:M6-1 x.660"
8
712-0161
6KT-S-MUTTER:#10-24:GR2:NYLON
9
712-0298
6KT-MUTTER:1/4-20:GR2
10
712-04063
6KT-BUNDMUTTER:5/16-18:NYLON
11
712-04064
6KT-BUNDMUTTER:1/4-20:NYLON
12
712-3005
S-MUTTER M.FLANSCH:3/8-16:GR5
13
720-05137
STERNGRIFF:1/4-20:1.38"DIA:BLK
14
721-04924
DICHTUNG:SCHAUMSTOFF:.125"DICK
15
728-04016
BLINDNIET:3/16 x .325:STAHL
16
728-05015
6KT-NIETBOLZEN:1/4-20 x .750
17
731-13262
BATTERIEKASTEN:NX15-RD
18
732-05550
ZUGFEDER:.380 OD x 2.500 LG
19
738-04135
SCHULTERSCHRAUBE:.25x.50:10-24
20
738-04419A
BUNDSCHRAUBE:.375x.148x1/4-20
21
738-0958
BUNDBUCHSE:.50 x .190: .360 LG
22
749-05641637
EINHÄNGEBÜGEL
23
783-09176A-S
HECKPLATTE RR NX15
24
783-09207A
SCHALTBLECH
25
783-09364-Z
SPERRKLINKE:GRSBG:RECHTS:VERZ.
26
783-09386637
PLATTE:RAHMENAUSHEBUNG
27
783-09393637
BATTERIETRÄGER
28
783-09479-Z
SPERRKLINKE:GRSBG:LINKS:VERZ.
29
783-09622637
ANSCHLAG:BATTERIEABDECKUNG
30
783-09648637
ABDECKUNG BATTERIE NX15
Qualitätsmanagement
Informieren Sie uns, wenn Sie einen Fehler gefunden haben.