Unersetzlich.com
Gartengeräte und Ersatzteile
Einkaufswagen
leer
Mein Konto
Einloggen
Registrieren
Home
Kontakt
Versand
Gästebuch
AGB
Impressum
NEUGERÄTE
WOLF-Garten Sortiment
ERSATZTEILE
Ersatzteile für WOLF-Garten Geräte online bestellen
Katalog
WOLF-Garten Expert Ersatzteile
SERVICE
Recherche
Mobilversion
WOLF-Garten Expert
Übersicht
WOLF-Garten Expert
Rasentraktoren
106.220 HP
13PAA1VR650 (2018)
Lenkung
Lenkung 13PAA1VR650 (2018)
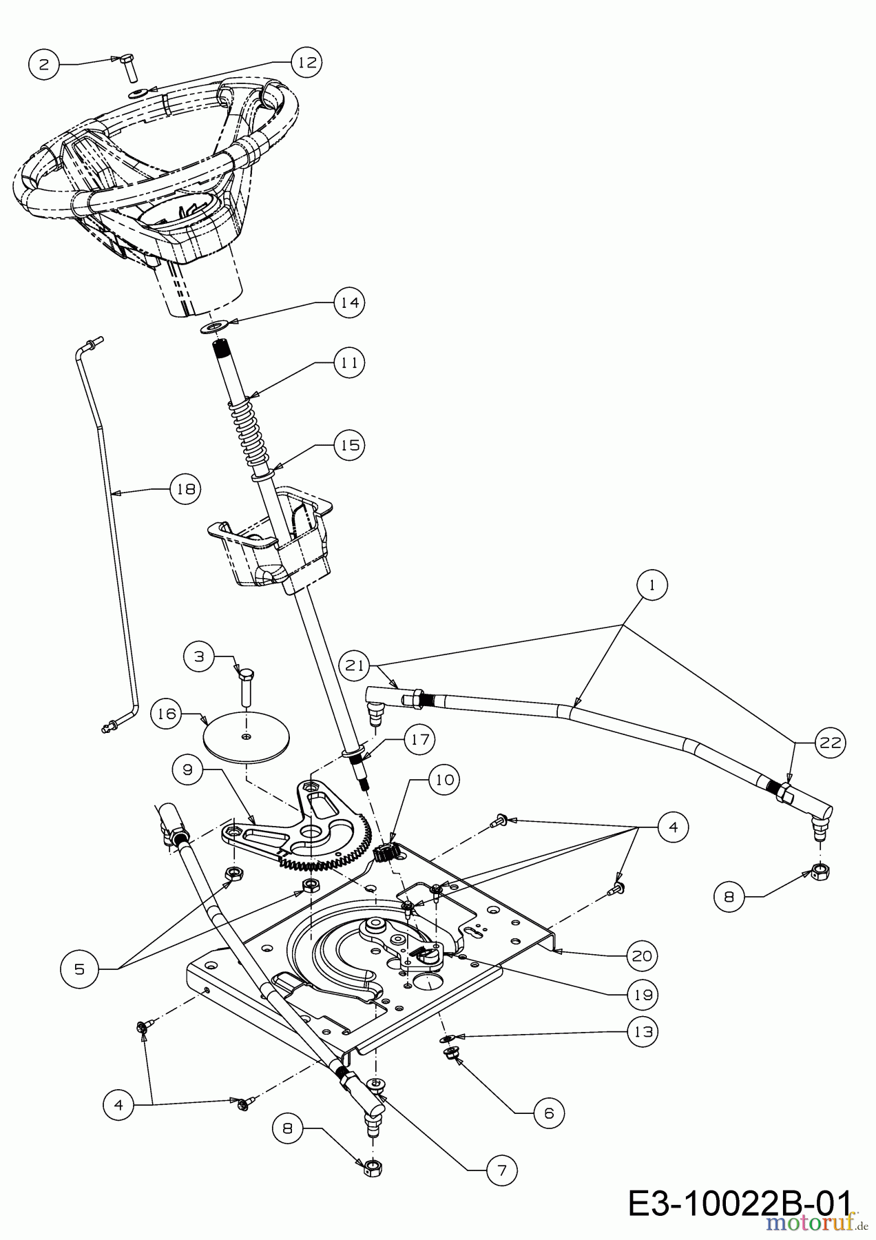
BildNr
Artikel Nummer
Bezeichnung
1
647-05058A
SPURSTANGE VOLLST:TT
2
710-0117A
6KT-S-SCHR:5/16-24:1.00:GR5
3
710-0520
6KT-SCHR:3/8-16:1.50:GR5:STD
4
710-06133
6KT-SCHR:TAP:CF:M6-1 x.660"
5
712-0240
6KT-MUTTER:7/16-20:GR2
6
712-04063
6KT-BUNDMUTTER:5/16-18:NYLON
7
712-04065
S-6KT-BUNDMUTTER 3/8-16:NYLON
8
712-05167
6KT-S-MUTTER:7/16-20:GR8:CTRLK
9
717-05156C
ZAHNSEGMENT:5" LENKUNG NX15
10
717-05407
RITZEL:13ZÄHNE:LENKUNG
11
732-05522
DRUCKFEDER:.150 x .675 x 3.0
12
736-0242
TELLERFEDER.340 x.872 x.060
13
736-0335
DRUCKSCHEIBE:.635 x 1.26 x.06
14
736-0278
SCHEIBE:FL:.330x.687x.030:HD
15
736-04296
SCHEIBE:FLACH:.632 x.1.00 x.16
16
736-05125A
SCHEIBE:FLACH:.385x3.75x.120
17
738-05043
LENKWELLE:.625 OD x 20" LG
18
747-06192A
STANGE:STEUERUNG:CRUISE/BREMSE
19
748-05071A
LENKWELLEN:FÜHRUNG:LAGER
20
783-08386D
21
723-05013
KUGELGELENK:1/2-20:LOCK
22
712-3029
6KT-S-MUTTER:1/2-20:GR5