Unersetzlich.com
Home
Kontakt
Versand
Gästebuch
AGB
Impressum
NEUGERÄTE
WOLF-Garten Sortiment
ERSATZTEILE
Ersatzteile für WOLF-Garten Geräte online bestellen
Katalog
WOLF-Garten Expert Ersatzteile
SERVICE
Recherche
Mein Konto
Einloggen
Registrieren
Computer
WOLF-Garten Expert
Übersicht
WOLF-Garten Expert
Rasentraktoren
106.220 HP
13PAA1VR650 (2018)
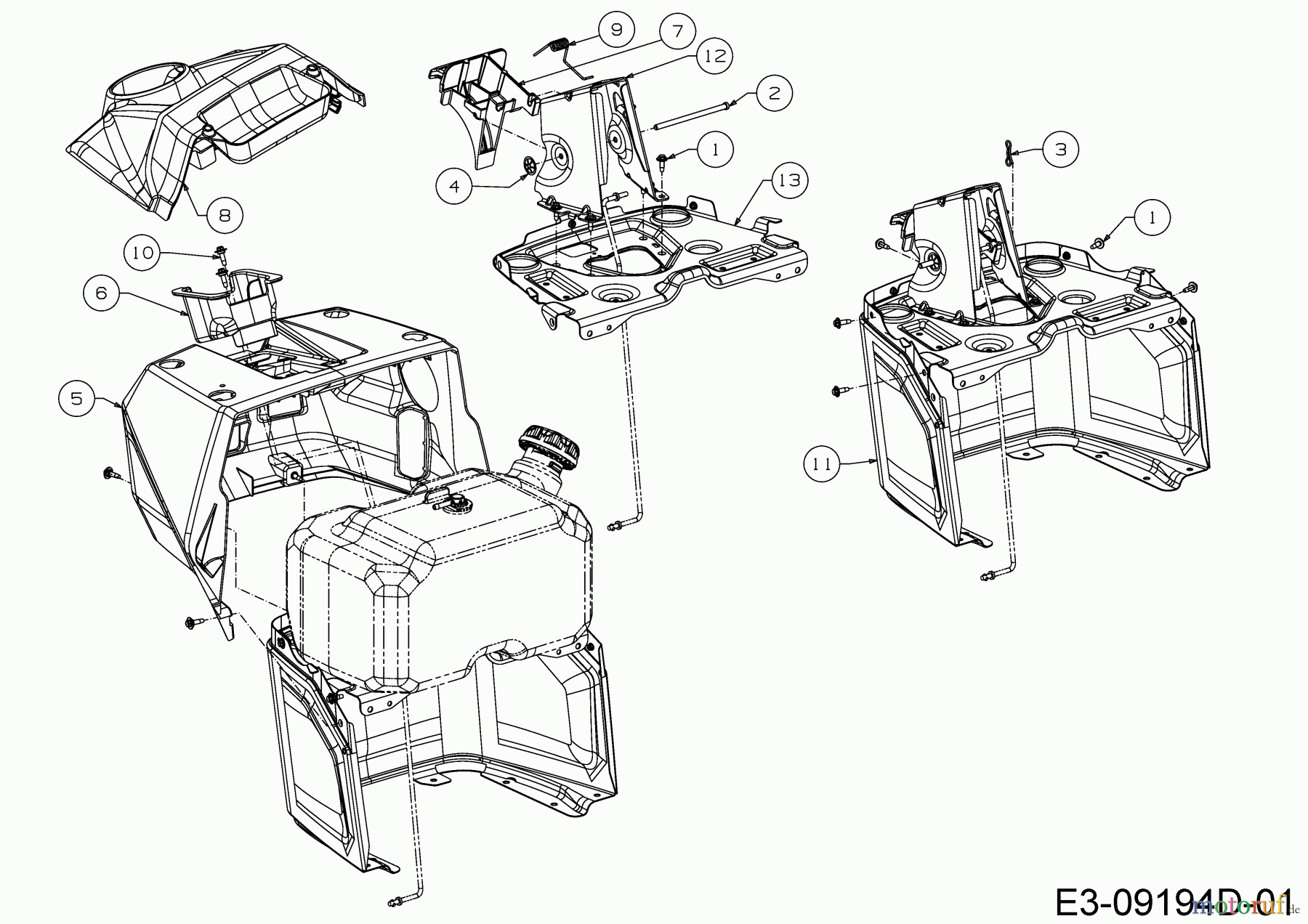
Armaturenbrett
Armaturenbrett 13PAA1VR650 (2018)
BildNr
Artikel Nummer
Bezeichnung
1
710-06133
6KT-SCHR:TAP:CF:M6-1 x.660"
2
711-06378
STECKSTIFT:.25 DIA X 4.50" LG
3
714-04040
FEDERSTECKER
4
726-04012
KLEMMRING:.25 DIA PUSH-ON
5
731-09815B
ARMATURENKONSOLE:OBERTEIL:C-ST
6
731-10618
LENKWELLENLAGER
7
731-10636C
BEDIENHEBEL:DASH:CRUISE/BREMSE
8
731-12495
OBERTEIL:ARMATURENKONSOL:C STY
9
732-05199
SCHENKELFEDER:.330 ID
10
738-05090
6KT-BUNDSCHR:.368X.115:TT:M6-1
11
783-08391A-S
ARMATURENKONSOLE UNTEN
12
783-08538A-S
BEFESTIGUNGSKONSOLE
13
783-09546A
Qualitätsmanagement
Informieren Sie uns, wenn Sie einen Fehler gefunden haben.