Unersetzlich.com
Home
Kontakt
Versand
Gästebuch
AGB
Impressum
NEUGERÄTE
WOLF-Garten Sortiment
ERSATZTEILE
Ersatzteile für WOLF-Garten Geräte online bestellen
Katalog
WOLF-Garten Expert Ersatzteile
SERVICE
Recherche
Mein Konto
Einloggen
Registrieren
Computer
WOLF-Garten Expert
Übersicht
WOLF-Garten Expert
Rasentraktoren
E 13/96 T
13H2765F650 (2018)
Fahrantrieb
Fahrantrieb 13H2765F650 (2018)
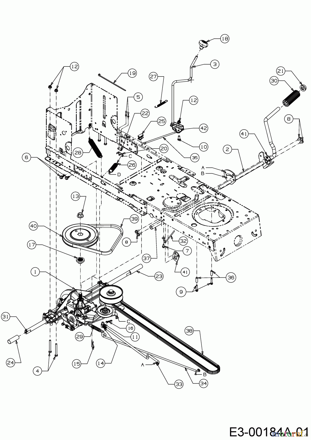
BildNr
Artikel Nummer
Bezeichnung
2
647-04034E
3
647-04266A
SCHALTHEBEL VOLLST:
4
710-0176
6KT-SCHR:5/16-18:2.75:GR5:STD
5
710-0227
6KT-BLECHSCHR:AB:#8-18:0.500
6
710-04484
6KT-SCHRAUBE:TT:5/16-18:.750
7
710-0599
6KT-SCHRAUBE:TT:1/4-20:0.500
8
710-0604A
6KT-SCHRAUBE:TT:5/16-18:0.625
9
710-0809
6KT-SCHRAUBE:TT:1/4-20:1.250
10
710-3008
6KT-SCHR:5/16-18:.75 GR5:STD
11
711-06103
SPINDELMUTTER 3/8-24 X.375 DIA
12
712-04063
6KT-BUNDMUTTER:5/16-18:NYLON
13
712-0700
6KT-BUNDMUTTER:9/16-18:GR2
14
712-0711
6KT-MUTTER:3/8-24:GR5
15
714-0209
ZIEHSPLINT: .125 DIA
16
714-04040
FEDERSTECKER
17
718-04407
NABE:RIEMENSCHEIBE:5/8 INNEN-
18
720-04028
SCHALTKNAUF
19
725-0157
KABELBINDER: 3/16 X .05 X 7.4
20
725-1644
SCHALTKONTAKT:KURZ
21
726-0214
AUFDRUCKKAPPE:.625 DIA
22
726-0320
ISOLIERPLATTE
23
731-04602
ABSTANDSHÜLSE:.758x.821x3.3125
24
731-04604
ABSTANDSHÜLSE:.758x.821x2.4375
25
731-06894
FÜHRUNGSSTÜCK:SCHALTUNG
26
732-04306
ZUGFEDER:.80 OD x 3.28 LG
27
732-04488
ZUGFEDER:.38 OD x 3.25 LG
28
732-04746
ZUGFEDER:.94 DIA. x 6.75 LG
29
732-0716D
ZUGFEDER: .59 OD x 4.00 LG
30
735-0239A
PEDALGUMMI:RUND:GERILLT:4.0 LG
32
747-04969
STANGE:KEILRIEMENFÜHRUNG
33
747-05186
SCHALTSTANGE:VARI SPEED
34
747-05188
BREMSSTANGE:LT-5 TRANSMATIK
35
747-05244
SCHALTSTANGE:LT-5 STRETCH
36
750-0566A
DISTANZSTÜCK:0.255x0.376x1.030
37
750-0802
DISTANZROHR:.640IDx.76ODx2.63
38
754-04249A
KEILRIEMEN:V TYP:5L:70.90"POLY
39
754-05040
KEILRIEMEN:V-TYP:5L x 35.25 LG
40
756-04002
KEILRIEMENSCHEIBE:V-TYP:Ò7.25"
41
783-04536B
STÜTZBLECH:PEDAL:LT-5
42
783-04595A
VERSTELLPLATTE:SCHALTUNG
Qualitätsmanagement
Informieren Sie uns, wenn Sie einen Fehler gefunden haben.