WOLF-Garten Expert

Mähwerk F (38"/96cm) 13H2765F650 (2017)

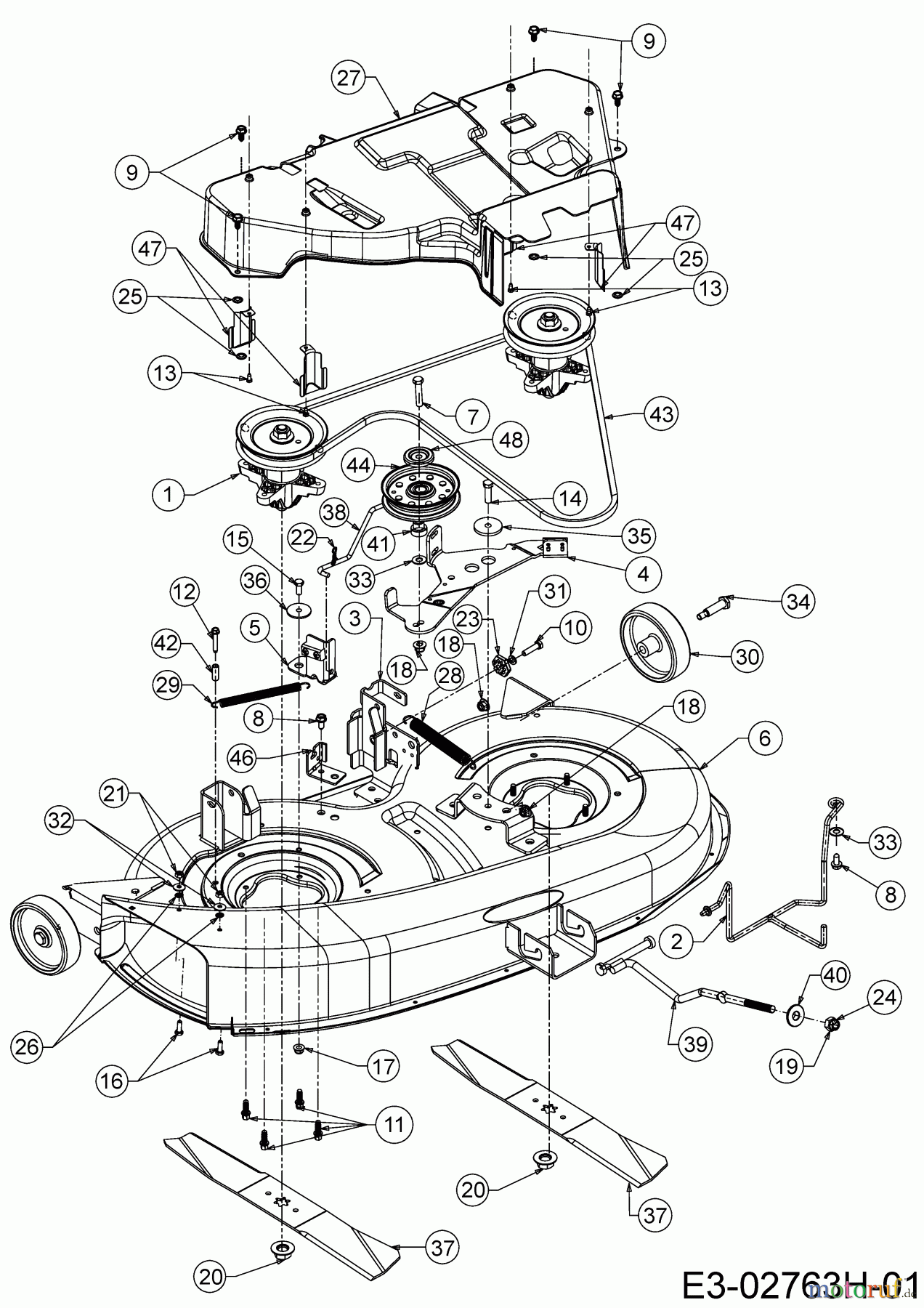
 WOLF-Garten Expert Rasentraktoren E 13/96 T 13H2765F650  (2017) Mähwerk F (38
BildNrArtikel NummerBezeichnung
1 WOLF-Garten Expert MESSERSPINDEL VOLLST:5.75"DIA618-04474BMESSERSPINDEL VOLLST:5.75"DIA
2 WOLF-Garten Expert KEILRIEMENFÜHR.ASM:38"DECK LT5647-05053AKEILRIEMENFÜHR.ASM:38"DECK LT5
3 683-0254BHALTER VOLLST:DECKAUFHÄNGUNG
4 WOLF-Garten Expert BREMSE VOLLST:DECK:42"983-04138BBREMSE VOLLST:DECK:42"
5 WOLF-Garten Expert MESSERBREMSE VOLLST. DECK 42"983-04167MESSERBREMSE VOLLST. DECK 42"
6 683-04264C
7 WOLF-Garten Expert 6KT-SCHR:3/8-16:1.75:GR5:STD710-03476KT-SCHR:3/8-16:1.75:GR5:STD
8 WOLF-Garten Expert 6KT-SCHRAUBE:TT:5/16-18:.750710-044846KT-SCHRAUBE:TT:5/16-18:.750
9 710-05045A6KT-SCHRAUBE:TT:5/16-18:.750
10 WOLF-Garten Expert 6KT-SCHR:5/16-18:1.25:GR5:STD710-05286KT-SCHR:5/16-18:1.25:GR5:STD
11 WOLF-Garten Expert 6KT-SCHRAUBE:TT:5/16-18:0.875710-063226KT-SCHRAUBE:TT:5/16-18:0.875
12 WOLF-Garten Expert 6KT-SCHRAUBE:TT:1/4-20:1.500710-07786KT-SCHRAUBE:TT:1/4-20:1.500
13 WOLF-Garten Expert 6KT-SCHR:B:#10-16:0.440:HEX710-09196KT-SCHR:B:#10-16:0.440:HEX
14 WOLF-Garten Expert 6KT-SCHR:3/8-16:1.25:GR5:STD710-30056KT-SCHR:3/8-16:1.25:GR5:STD
15 WOLF-Garten Expert 6KT-SCHR:5/16-18:.75 GR5:STD710-30086KT-SCHR:5/16-18:.75 GR5:STD
16 WOLF-Garten Expert 6KT-SCHR:1/4-20:.75:GR5:STD710-30156KT-SCHR:1/4-20:.75:GR5:STD
17 WOLF-Garten Expert 6KT-BUNDMUTTER:5/16-18:NYLON712-040636KT-BUNDMUTTER:5/16-18:NYLON
18 WOLF-Garten Expert S-6KT-BUNDMUTTER 3/8-16:NYLON712-04065S-6KT-BUNDMUTTER 3/8-16:NYLON
19 WOLF-Garten Expert KRONENMUTTER:1/2-13712-04243KRONENMUTTER:1/2-13
20 WOLF-Garten Expert 6KT-BUNDMUTTER:5/8-18:GR2712-051346KT-BUNDMUTTER:5/8-18:GR2
21 712-30066KT-MUTTER:1/4-20:GR5
22 WOLF-Garten Expert FEDERSTECKER714-04040FEDERSTECKER
23 WOLF-Garten Expert ZAHNRAD:Z10:DECKEINSTELLUNG717-04074ZAHNRAD:Z10:DECKEINSTELLUNG
25 WOLF-Garten Expert DRUCKSCHEIBE:.3125 ID726-0201DRUCKSCHEIBE:.3125 ID
26 726-0233DRUCKSCHEIBE:.25 ID X .50 OD
27 731-05699CABDECKUNG KEILRIEMEN DECK 38"F
28 WOLF-Garten Expert ZUGFEDER:.75 OD x 6.375LG732-04280BZUGFEDER:.75 OD x 6.375LG
29 WOLF-Garten Expert ZUGFEDER:.500 DIA x 6.375LG732-04287ZUGFEDER:.500 DIA x 6.375LG
30 734-0973DECKRAD:5.0 x 1.38
31 WOLF-Garten Expert FEDERRING:5/16" NORMALAUSF.736-0119FEDERRING:5/16" NORMALAUSF.
32 WOLF-Garten Expert TELLERSCHEIBE:.265x.750x.060736-0270TELLERSCHEIBE:.265x.750x.060
33 WOLF-Garten Expert SCHEIBE:FLACH:.406 x.875 x.059736-0300SCHEIBE:FLACH:.406 x.875 x.059
34 WOLF-Garten Expert SCHULTERSCHR:.496x1.525:3/8-16738-0373SCHULTERSCHR:.496x1.525:3/8-16
35 WOLF-Garten Expert BUNDSCHEIBE:.8840 x .190738-04162CBUNDSCHEIBE:.8840 x .190
36 738-04166DISTANZSTÜCK:.5000 x.1475
37 WOLF-Garten Expert MESSER 19.38"LG:LOW LIFT:MULCH742-0675MESSER 19.38"LG:LOW LIFT:MULCH
38 WOLF-Garten Expert BREMSSTANGE:38"747-04381BREMSSTANGE:38"
39 WOLF-Garten Expert HALTESTANGE VORN 38" LT5 VERZ.747-04875HALTESTANGE VORN 38" LT5 VERZ.
40 WOLF-Garten Expert GELENKSCHALE:DECKAUSHEBUNG748-04069AGELENKSCHALE:DECKAUSHEBUNG
41 WOLF-Garten Expert BUNDBUCHSE:SPANNROLLE748-05029ABUNDBUCHSE:SPANNROLLE
42 WOLF-Garten Expert DISTANZSTÜCK:0.255x0.376x1.030750-0566ADISTANZSTÜCK:0.255x0.376x1.030
43 WOLF-Garten Expert KEILRIEMEN:V-TYP:A SEC x 77.75754-04062KEILRIEMEN:V-TYP:A SEC x 77.75
44 WOLF-Garten Expert SPANNROLLE:4.25" DIA:HD756-05042SPANNROLLE:4.25" DIA:HD
46 783-04740FÜHRUNGSBL:BOWDENZUG:DECKBETÄT
47 783-05497BLECH:KEILRIEMENFÜHRUNG
48 WOLF-Garten Expert ABDECKBLECH:RND:SPANNROLLE:HD783-08389ABDECKBLECH:RND:SPANNROLLE:HD
Bankeinzug, MasterCard, Visa, American Express, PayPal, Nachnahme, Vorauskasse, Sofortüberweisung
Qualitätsmanagement
Informieren Sie uns, wenn Sie einen Fehler gefunden haben.