Unersetzlich.com
Home
Kontakt
Versand
Gästebuch
AGB
Impressum
NEUGERÄTE
WOLF-Garten Sortiment
ERSATZTEILE
Ersatzteile für WOLF-Garten Geräte online bestellen
Katalog
WOLF-Garten Expert Ersatzteile
SERVICE
Recherche
Mein Konto
Einloggen
Registrieren
Computer
WOLF-Garten Expert
Übersicht
WOLF-Garten Expert
Rasentraktoren
E 13/96 H
13H2795F650 (2018)
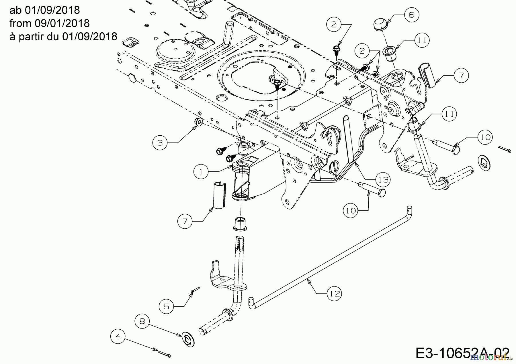
Vorderachse ab 01/09/2018
13H2795F650 (2018) E 13/96 H
BildNr
Artikel Nummer
Bezeichnung
1
683-0128B637
VORDERACHSE VOLLST.
2
710-04484
6KT-SCHRAUBE:TT:5/16-18:.750
3
712-04065
S-6KT-BUNDMUTTER 3/8-16:NYLON
4
714-0162
ZIEHSPLINT:5/32:1.25
5
714-0474
SPLINT:1/8" OD x .75
6
726-0341
AUFDRUCKKAPPE:3/4
7
731-04057A
KAPPE-ACHSE O. ABSCHMIERNIPPEL
8
736-04228B
KLAUENSCHEIBE:.781 IDx1.590 OD
10
738-04128
SCHULTERSCHR:.500x2.38:3/8-16
11
741-0660A
FLANSCHLAGER:.760 x .941 x 1.0
12
747-04299A
SPURSTANGE: LT-5
13
783-05326B-S
ACHSTRAVERSE:LT-5
Qualitätsmanagement
Informieren Sie uns, wenn Sie einen Fehler gefunden haben.