WOLF-Garten Expert

Fahrantrieb, Hydrostat, Schalthebel 13H2795F650 (2018)

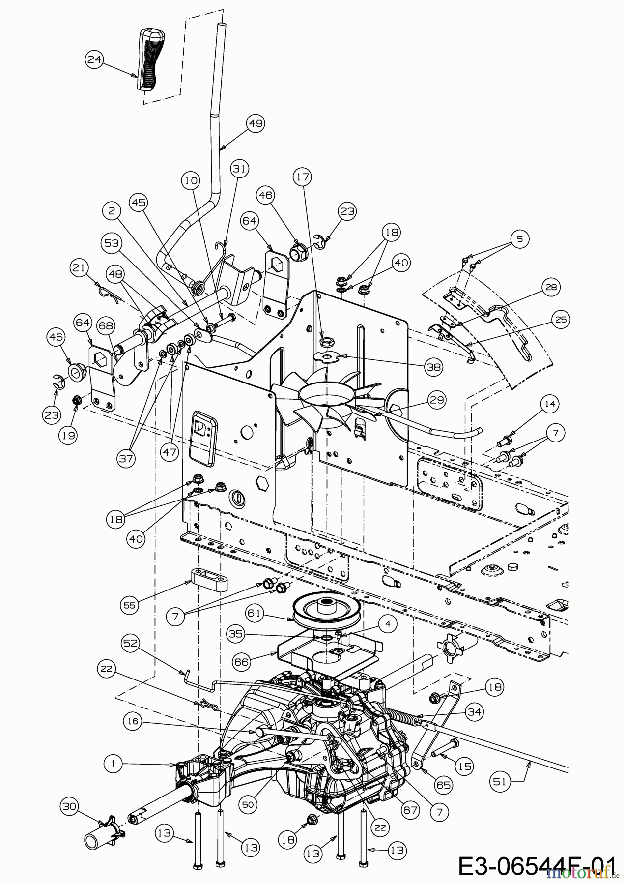
 WOLF-Garten Expert Rasentraktoren E 13/96 H 13H2795F650  (2018) Fahrantrieb, Hydrostat, Schalthebel
BildNrArtikel NummerBezeichnung
1 618-04892BGETRIEBE:HYDRO:T2 HP
2 647-04200A-ZKONTROLLHEBEL GESCHW.LT-5 HYDR
3 647-04261A-SPEDAL VST:ANTRIEB:LT-5:T2 HYDR
4 710-02246KT-BLECHSCHRAUBE:#10-16:0.500
5 WOLF-Garten Expert 6KT-BLECHSCHR:AB:#8-18:0.500710-02276KT-BLECHSCHR:AB:#8-18:0.500
6 WOLF-Garten Expert 6KT-SCHR:3/8-16:1.75:GR5:STD710-03476KT-SCHR:3/8-16:1.75:GR5:STD
7 WOLF-Garten Expert 6KT-SCHRAUBE:TT:5/16-18:.750710-044846KT-SCHRAUBE:TT:5/16-18:.750
8 WOLF-Garten Expert 6KT-SCHR:3/8-16:1.00:GR5:STD710-05146KT-SCHR:3/8-16:1.00:GR5:STD
9 WOLF-Garten Expert 6KT-SCHRAUBE:TT:5/16-18:0.625710-0604A6KT-SCHRAUBE:TT:5/16-18:0.625
10 WOLF-Garten Expert 6KT-SCHR:1/4-20:1.50:GR5:STD710-06066KT-SCHR:1/4-20:1.50:GR5:STD
11 WOLF-Garten Expert 6KT-SCHRAUBE:TT:1/4-20:1.250710-08096KT-SCHRAUBE:TT:1/4-20:1.250
12 WOLF-Garten Expert 6KT-SCHR:TT:1/4-20:1.750:HXIND710-10266KT-SCHR:TT:1/4-20:1.750:HXIND
13 710-12666KT-SCHR:5/16-18:3.50:GR5:STD
14 WOLF-Garten Expert 6KT-SCHR:5/16-18:.75 GR5:STD710-30086KT-SCHR:5/16-18:.75 GR5:STD
15 WOLF-Garten Expert 6KT-SCHR:5/16-18:2.00:GR5:STD710-31036KT-SCHR:5/16-18:2.00:GR5:STD
16 711-04448SPINDELMUTTER:5/16-24x.312 DIA
17 712-0346S-MUTTER:JAMLK:1/2-20:GR.A:NYL
18 WOLF-Garten Expert 6KT-BUNDMUTTER:5/16-18:NYLON712-040636KT-BUNDMUTTER:5/16-18:NYLON
19 WOLF-Garten Expert 6KT-BUNDMUTTER:1/4-20:NYLON712-040646KT-BUNDMUTTER:1/4-20:NYLON
20 WOLF-Garten Expert S-6KT-BUNDMUTTER 3/8-16:NYLON712-04065S-6KT-BUNDMUTTER 3/8-16:NYLON
21 WOLF-Garten Expert FEDERSTECKER:.092 X 1.64 LG714-0145FEDERSTECKER:.092 X 1.64 LG
22 WOLF-Garten Expert FEDERSTECKER714-04040FEDERSTECKER
23 WOLF-Garten Expert S-RING:E-TYPE: .625 DIA WELLE716-0106AS-RING:E-TYPE: .625 DIA WELLE
24 WOLF-Garten Expert HANDGRIFF:1/2720-0311HANDGRIFF:1/2
25 725-04249FEDERSCHALTER HYDRO
27 WOLF-Garten Expert AUFDRUCKKAPPE:.625 DIA726-0214AUFDRUCKKAPPE:.625 DIA
28 726-0320ISOLIERPLATTE
29 WOLF-Garten Expert LÜFTERRAD:HYDRO:LEICHT731-06098LÜFTERRAD:HYDRO:LEICHT
30 731-08237AUFSTECKHÜLSE:.765 ID x 2.11LG
31 732-04225SCHENKELFEDER
32 732-04229ZUGFEDER:.75 DIA x 6.02
33 732-04587ZUGFEDER:.63 DIA x 4.95 LG
34 WOLF-Garten Expert ZUGFEDER: .59 OD x 4.00 LG732-0716DZUGFEDER: .59 OD x 4.00 LG
35 732-0729SICHERUNGSRING:FEDERSTAHL
36 735-0239APEDALGUMMI:RUND:GERILLT:4.0 LG
37 WOLF-Garten Expert FEDERRING 1/4" NORMALAUSF.736-0329FEDERRING 1/4" NORMALAUSF.
38 736-04263SPERRSCHEIBE:GETRIEBE HYDRO
39 WOLF-Garten Expert SCHEIBE:FL:.350 x 1.590 x.062736-0430SCHEIBE:FL:.350 x 1.590 x.062
40 736-0607ZAHNSCHEIBE:5/16"
41 WOLF-Garten Expert SCHEIBE:FL:.407 x.812 x.135:HD736-3010SCHEIBE:FL:.407 x.812 x.135:HD
43 WOLF-Garten Expert 6KT-SCHULTERSCHR:1/4-20:0.50738-042786KT-SCHULTERSCHR:1/4-20:0.50
44 738-04430BUNDBUCHSE:1.375x.380x.154
45 738-04483FÜHRUNGSBUCHSE:.375x.625x.20
46 WOLF-Garten Expert SECHSKANT-FLANSCHLAGER741-0225SECHSKANT-FLANSCHLAGER
47 741-04280KUGELLAGER:.25x.6875x.25:DS
48 WOLF-Garten Expert LAGER:6KT/FLANSCH:.628 ID741-3065BLAGER:6KT/FLANSCH:.628 ID
49 747-04296ASCHALTHEBEL:HYDRO
50 747-04407ASTANGE:CONTROL:HYDRO
51 747-05242BREMSSTANGE:LT-5:HYDRO T2
52 747-05245STANGE:HYDRO:BYPASS
53 747-05598A-SSTANGE:BETÄTIGUNG:HYDRO:RTN
54 747-05603AUSKUPPELSTANGE:HYDRO
55 748-0334DISTANZSTÜCK:1.750x0.800x0.680
56 WOLF-Garten Expert DISTANZSTÜCK:0.255x0.376x1.420750-04456DISTANZSTÜCK:0.255x0.376x1.420
57 750-05593DISTANZROHR:.640IDx.78ODx1.58
58 WOLF-Garten Expert DISTANZSTÜCK:0.255x0.376x1.030750-0566ADISTANZSTÜCK:0.255x0.376x1.030
59 WOLF-Garten Expert KEILRIEMEN:V TYP:4L SECx84.17"754-04252KEILRIEMEN:V TYP:4L SECx84.17"
60 WOLF-Garten Expert SPANNROLLE:FLACH: 2.75 OD756-04224SPANNROLLE:FLACH: 2.75 OD
61 756-04308KEILRIEMENSCHEIBE:4.13" DIA
62 783-04536BSTÜTZBLECH:PEDAL:LT-5
63 783-04570BSPANNROLLENTRÄGER:LT-5 HYDRO
64 783-04585ABEFESTIGUNGSBLECH HYDRO LT-5
65 783-06551STÜTZKONSOLE:HYDROGETRIEBE T2:
66 783-06558KEILRIENFÜHRUNG:T2:GEHÄUSE
67 783-06750A-SKURVENBLECH:CONTR:SCHALTNOCKEN
68 783-06756637FÜHRUNGSBÜGEL
69 783-06807A-SPLATTE:ANSCHLAG:PEDAL
Bankeinzug, MasterCard, Visa, American Express, PayPal, Nachnahme, Vorauskasse, Sofortüberweisung
Qualitätsmanagement
Informieren Sie uns, wenn Sie einen Fehler gefunden haben.