Unersetzlich.com
Home
Kontakt
Versand
Gästebuch
AGB
Impressum
NEUGERÄTE
WOLF-Garten Sortiment
ERSATZTEILE
Ersatzteile für WOLF-Garten Geräte online bestellen
Katalog
WOLF-Garten Expert Ersatzteile
SERVICE
Recherche
Mein Konto
Einloggen
Registrieren
Computer
WOLF-Garten Expert
Übersicht
WOLF-Garten Expert
Rasentraktoren
E 13/92 T
13I2765E650 (2018)
Fahrantrieb, Pedal
Fahrantrieb, Pedal 13I2765E650 (2018)
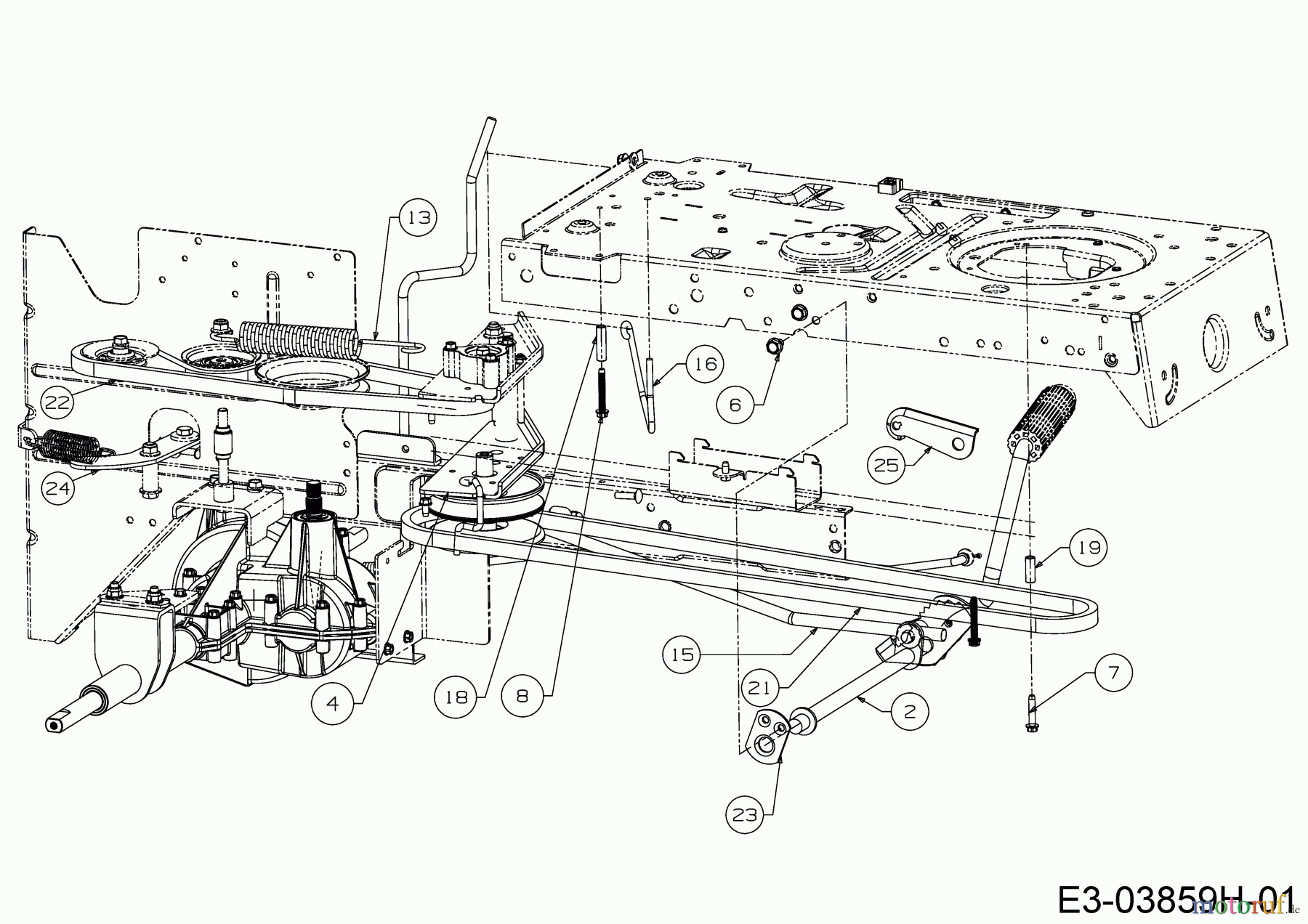
BildNr
Artikel Nummer
Bezeichnung
2
647-04132A
PEDAL VOLLST:TRANS:RR DIS LT-5
3
647-05112A
SCHALTSTANGE VOLLST:RR DIS LT5
4
683-04429
SPANNROLLENTRÄGER VST:VARI:LT5
5
710-0599
6KT-SCHRAUBE:TT:1/4-20:0.500
6
710-0604A
6KT-SCHRAUBE:TT:5/16-18:0.625
7
710-0809
6KT-SCHRAUBE:TT:1/4-20:1.250
8
710-1026
6KT-SCHR:TT:1/4-20:1.750:HXIND
9
710-3025
6KT-SCHR:5/16-18 x.625:GR5:STD
10
712-04063
6KT-BUNDMUTTER:5/16-18:NYLON
11
718-04407
NABE:RIEMENSCHEIBE:5/8 INNEN-
12
720-04028
SCHALTKNAUF
13
732-04517
ZUGFEDER:1.063 DIA x 8.576 LG
14
732-05609
ZUGFEDER:.45 OD X 3.32 LG
15
747-04780
SCHALTSTANGE:GETRIEBE:HECKAUSW
16
747-04803
KEILRIEMENFÜHRUNG:TRANSMATIC
17
747-06967
STANGE:UMSCHALTEN:ENTRIEGELUNG
18
750-04456
DISTANZSTÜCK:0.255x0.376x1.420
19
750-0566A
DISTANZSTÜCK:0.255x0.376x1.030
20
750-0802
DISTANZROHR:.640IDx.76ODx2.63
21
754-04211
KEILRIEMEN:V TYPE:5Lx65.96 LG
22
754-04268
KEILRIEMEN:V TYPE:5LX45.95"LG
23
783-04536B
STÜTZBLECH:PEDAL:LT-5
24
783-06623
SPANNROLLENHALTER:TRANS:RR
25
783-06991
SPERRKLINKE:SPEED:LT5:NRMC
26
783-09625
SCHALTHEBELFÜHRUNG:RR DIS LT-5
27
783-09677
FÜHRUNGSWINKEL:SCHALTUNG
Qualitätsmanagement
Informieren Sie uns, wenn Sie einen Fehler gefunden haben.