Unersetzlich.com
Home
Kontakt
Versand
Gästebuch
AGB
Impressum
NEUGERÄTE
WOLF-Garten Sortiment
ERSATZTEILE
Ersatzteile für WOLF-Garten Geräte online bestellen
Katalog
WOLF-Garten Expert Ersatzteile
SERVICE
Recherche
Mein Konto
Einloggen
Registrieren
Computer
WOLF-Garten Expert
Übersicht
WOLF-Garten Expert
Rasentraktoren
E 13/92 T
13I2765E650 (2017)
Rahmen
Rahmen 13I2765E650 (2017)
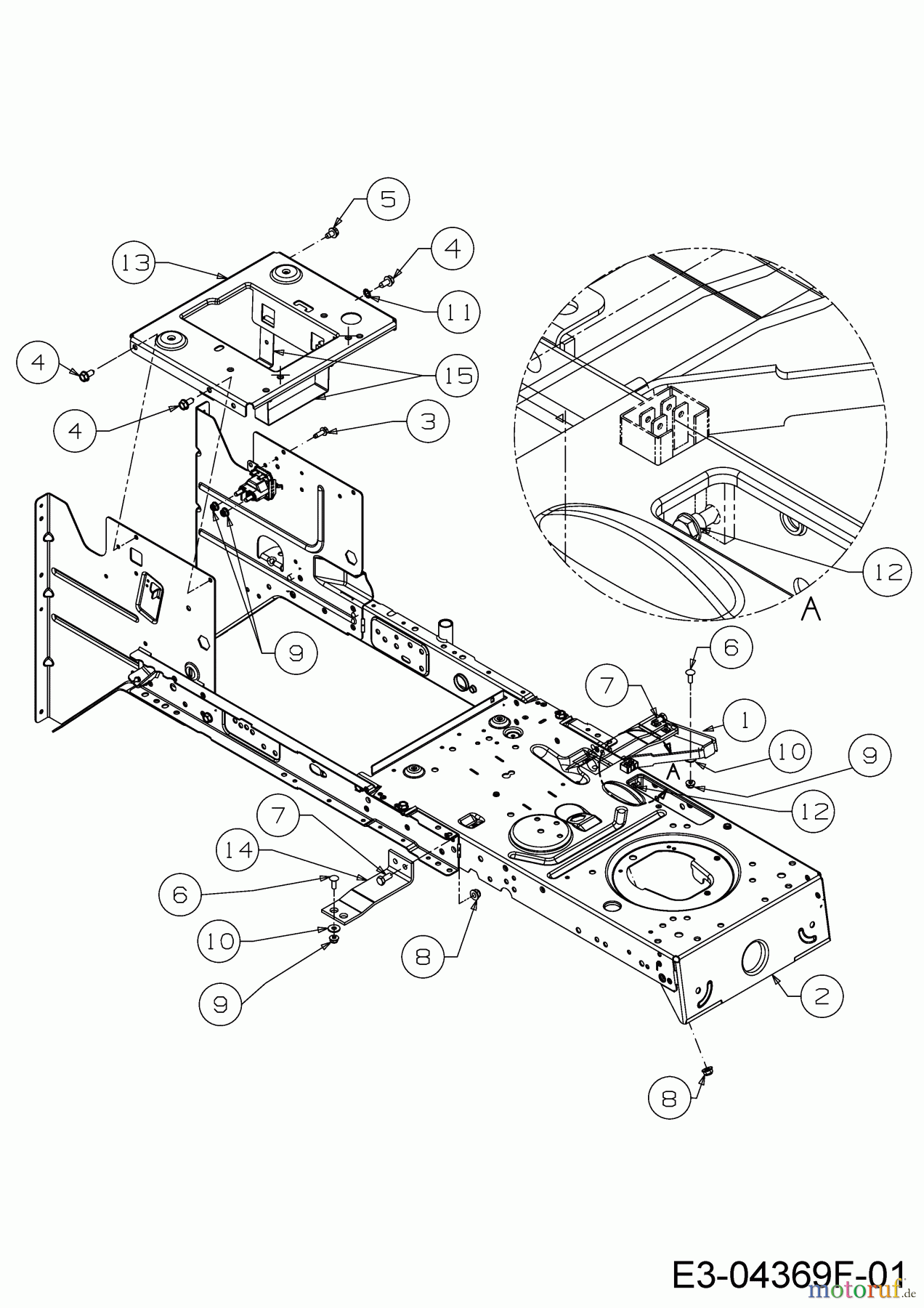
BildNr
Artikel Nummer
Bezeichnung
1
683-04195637
STÜTZEKONSOLE-LI.SITZWANNE LT5
2
683-04682C-S
RAHMEN VOLLST:LT-5:TRANSMATIC
3
710-04461
6KT-SCH:FLG:TT.1/4-20:.750:LCK
4
710-04484
6KT-SCHRAUBE:TT:5/16-18:.750
5
710-0607
6KT-SCHR:TT:5/16-18:0.500:HXIN
6
710-0703
FL-RD-SCHR:CRG:1/4-20:.75:GR5
7
710-3008
6KT-SCHR:5/16-18:.75 GR5:STD
8
712-04063
6KT-BUNDMUTTER:5/16-18:NYLON
9
712-04064
6KT-BUNDMUTTER:1/4-20:NYLON
10
736-0173
SCHEIBE:FLACH:.280x.740x.063
11
736-0607
ZAHNSCHEIBE:5/16"
12
738-04237A
SCHULTERSCHR:T:#10-32:.500
13
783-04548D-S
RAHMENBLECH:SITZ:LT-5
14
783-04637637
STÜTZKONSOLE-RE.SITZWANNE LT5
15
783-04869A-S
HALTEBLECH:BATTERIE:LT-5
Qualitätsmanagement
Informieren Sie uns, wenn Sie einen Fehler gefunden haben.